.com
Shopping Basket
empty
Your Account
Log in
Register
Home
Contact
About
Guestbook
Shipping Costs
Terms and Privacy
SPAREPARTS
Search by Part Number
Diagrams & Parts Lists
Gardening & Forestry
Industry & Shop
Chainsaw Chains
Guide Bars
Sprocket Rims
CATALOG
Mowing, trimming
Engine parts
Workshop
Components
Forestry
Electrical items
Winter items
V-belts / Pulleys
Filters
Toys
Agricultural Parts
Topseller
SERVICE
We search for You
Determine Chain
DE
EN
FR
ES
IT
Mobile
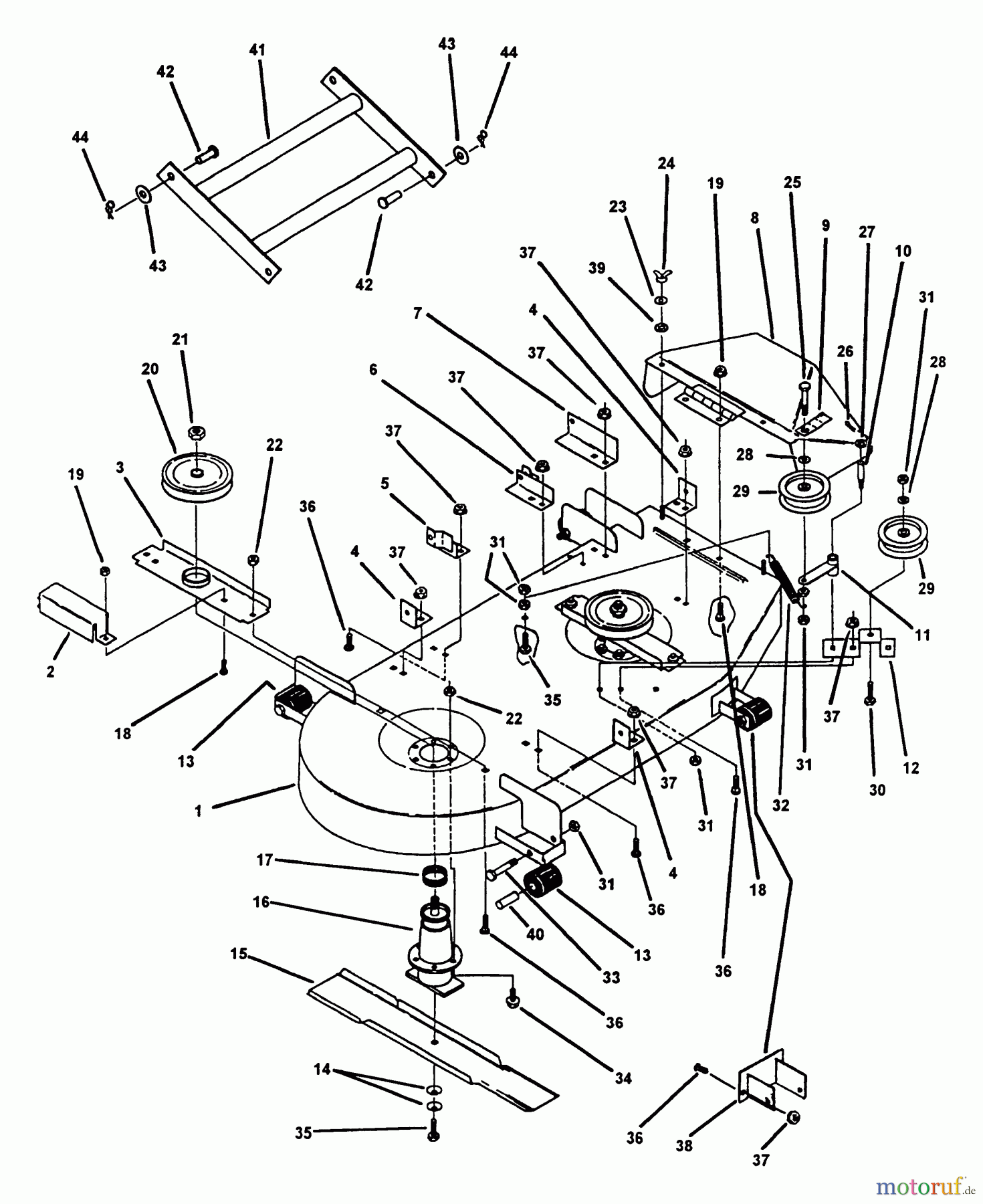
Snapper Z4102M - 41" Deck, Mid Mount ZTR, Series 2 41" Deck Assembly Spareparts
Start
Snapper
Mähdecks
Z4102M - Snapper 41" Deck, Mid Mount ZTR, Series 2
41" Deck Assembly
41" Deck Assembly Z4102M - Snapper 41" Deck, Mid Mount ZTR, Series 2
Pos
Article Number
Description
1
BS7061958YP
REPLACEMENT DECK KIT,
2
BS7038080YP
GUARD, PULLEY
3
BS7038078YP
BRACE, SPINDLE
4
BS7079924YP
ANGLE, DECK HANGER
5
BS7079923
6
BS7079922
7
BS7079925
8
BS7051401YP
CHUTE / DECAL ASSY, 4
9
BS7079920
10
BS7035816YP
STUD, IDLER, YELLOW
11
BS7051399YP
IDLER ARM, PART SALES
12
BS7038079YP
BRKT, IDLER
13
BS7019190YP
BEGRENZUNGSRAD
14
BS703963
WASHER, CONE
15
BS7019795BZYP
BLADE, 21" AIR LIFT
16
BS7051473YP
SPINDLE / LUBE ASMY
17
BS7012670YP
TOLERANCE RING
18
BS7090799SM
RHSSNB, 5/16C X5/8 GR
19
BS703409
MUTTER, 5/16-18, GR5
20
BS7014397YP
PULLEY, 5.5 OD
21
BS7090820YP
HCLJN, 3/4F ZP
22
BS703333
MUTTER, 3/8-16
23
BS7090187SM
SLW, .318X.583X.078 Z
24
BS7091537YP
WLN, 5/16C YZ
25
BS7090455
26
BS7091598SM
COTTER PIN, 1/8X3/4 Y
27
BS7090183YP
FW, .656X1.312X.094
28
BS7079921
29
BS7023966YP
PULLEY, IDLER, 4
30
BS703866
KOPFSCHRAUBE, 3/8-24X1.75
31
BS703458
MUTTER, 3/8-24
32
BS7014513YP
FEDER, RIEMENSCHEIBE
33
BS703876
CAPSCREW,3/8-2X3.75
34
BS7091588SM
BUNDSCHRAUBE, 3/8C X3/4 GR5 Y
35
BS7090824YP
SCREW, 3/8-24 X 1-1/4
36
BS703448
BOLZEN, 3/8-16X.75 G5
37
BS7091619
38
BS7047913
39
BS703297
RETAINER, GR5, 5/16
40
BS7015272YP
BUCHSE
41
BS7079655YP
(C) DRAG BAR WELD.
42
BS7079831YP
CLEVIS PIN
43
BS703350
U-SCHEIBE, 5/16
44
BS7091593SM
SICHERUNGSSPLINT SELBSTS.
BS7013010SM
DECAL-DANGER, CUT FIN
BS7014852YP
DECAL, CAUTION
BS7062045
BS7079780YP
(C) BELT, BP-106
Report Error
Help us to improve this site. Notify us if something is wrong here.