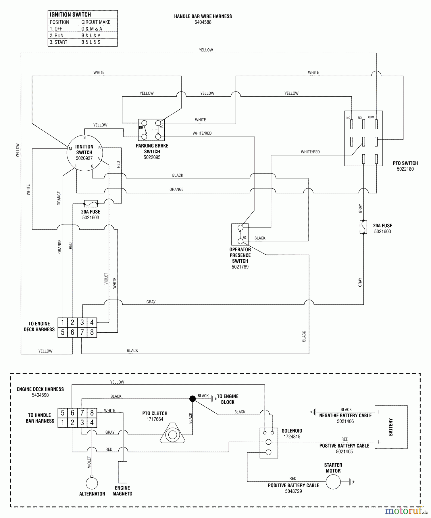
Snapper HC32RDKAV13ECE (5900846) - 32" Wide-Area Walk-Behind Mower, 13 HP, Rear Discharge, Hydro Drive Electrical Schematic - Electric Start (S/N: 2013316440 & Above) Spareparts
Electrical Schematic - Electric Start (S/N: 2013316440 & Above) HC32RDKAV13ECE (5900846) - Snapper 32" Wide-Area Walk-Behind Mower, 13 HP, Rear Discharge, Hydro Drive




