.com
Shopping Basket
empty
Your Account
Log in
Register
Home
Contact
About
Guestbook
Shipping Costs
Terms and Privacy
SPAREPARTS
Search by Part Number
Diagrams & Parts Lists
Gardening & Forestry
Industry & Shop
Chainsaw Chains
Guide Bars
Sprocket Rims
CATALOG
Mowing, trimming
Engine parts
Workshop
Components
Forestry
Electrical items
Winter items
V-belts / Pulleys
Filters
Toys
Agricultural Parts
Topseller
SERVICE
We search for You
Determine Chain
DE
EN
FR
ES
IT
Mobile
Snapper ZF2501KH (84574) - 25 HP Zero-Turn Mower, Out Front, Z-Rider Series 1 Joystick Control Assembly Spareparts
Start
Snapper
Nullwendekreismäher, Zero-Turn
ZF2501KH (84574) - Snapper 25 HP Zero-Turn Mower, Out Front, Z-Rider S
Joystick Control Assembly
Joystick Control Assembly ZF2501KH (84574) - Snapper 25 HP Zero-Turn Mower, Out Front, Z-Rider Series 1
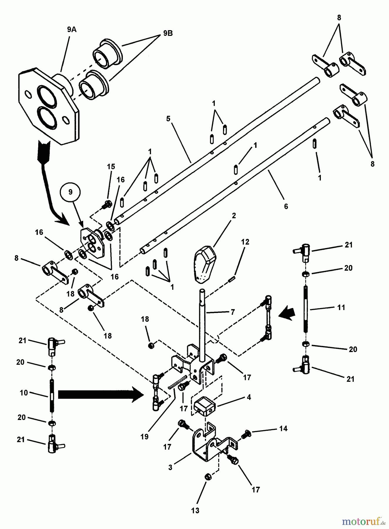
Pos
Article Number
Description
1
BS7013072YP
ROLL PIN, 1/4X1 ZP
2
BS7023656YP
LEVER, HANDLE, SHIFT
3
BS7035532YP
(C) BRKT, JOYSTICK MO
4
BS7035533YP
PIVOT, JOYSTICK CONTR
5
BS7073274YP
(C) SHAFT, UPPER CROS
6
BS7073275YP
(C) SHAFT, LOWER CROS
7
BS7042599YP
(C) WELD, JOYSTICK CO
8
BS7042638YP
(C) WELD, ARM / HUB,
9
BS7058766
9A
BS7058768YP
(C) WELD, BUSHING SUP
9B
BS7072934SM
10
BS7035908YP
(C) ROD, THREADED, 1/
11
BS7035909YP
(C) ROD, THREADED, 1/
12
BS2816169SM
PIN, SPRING, .188 X 0
13
BS703902
MUTTER, 5/16-18
14
BS703185
RHSSNB
15
BS703949
SCHRAUBE, 5/16-18.625
16
BS7091628SM
FW, .64X.99X.05 YZ
17
BS7091800
18
BS7091812YP
MUTTER, NYLON
19
BS7091816YP
(C) ROLL PIN, 1/4X2-3
20
BS7090095YP
NUT, HEX, 1/4
21
BS7015753YP
BALL JOINT
Report Error
Help us to improve this site. Notify us if something is wrong here.