.com
Shopping Basket
empty
Your Account
Log in
Register
Home
Contact
About
Guestbook
Shipping Costs
Terms and Privacy
SPAREPARTS
Search by Part Number
Diagrams & Parts Lists
Gardening & Forestry
Industry & Shop
Chainsaw Chains
Guide Bars
Sprocket Rims
CATALOG
Mowing, trimming
Engine parts
Workshop
Components
Forestry
Electrical items
Winter items
V-belts / Pulleys
Filters
Toys
Agricultural Parts
Topseller
SERVICE
We search for You
Determine Chain
DE
EN
FR
ES
IT
Mobile
Snapper ZF2501KH (84574) - 25 HP Zero-Turn Mower, Out Front, Z-Rider Series 1 Traction Drive Idler Assembly Spareparts
Start
Snapper
Nullwendekreismäher, Zero-Turn
ZF2501KH (84574) - Snapper 25 HP Zero-Turn Mower, Out Front, Z-Rider S
Traction Drive Idler Assembly
Traction Drive Idler Assembly ZF2501KH (84574) - Snapper 25 HP Zero-Turn Mower, Out Front, Z-Rider Series 1
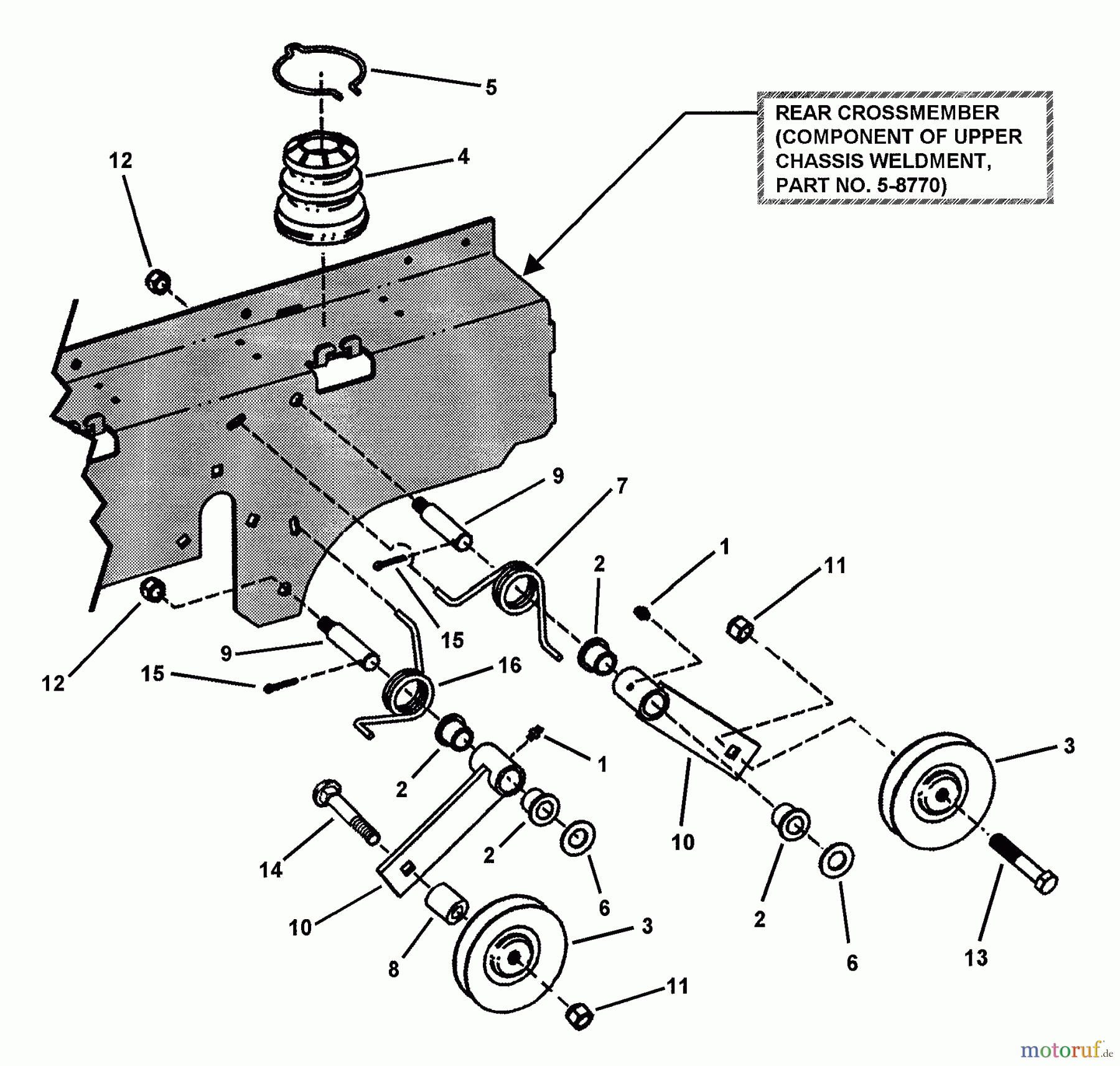
Pos
Article Number
Description
1
BS7013864SM
LUBE FITTING, 3/16 PR
1
BS7013324YP
STIFTSCHRAUBE, 3/16
2
BS7014409SM
BEARING, FLANGE, 9/16
3
BS7018573YP
IDLER, V-BELT
4
BS7019109YP
COVER, SPRING, RUBBER
5
BS7019348YP
CLIP, SEAT CUSHION
6
BS7091804SM
7
BS7035713YP
(C) SPRING, TORSION
8
BS7023478YP
SPACER, .56 OD X .391
9
BS7035816YP
STUD, IDLER, YELLOW
10
BS7057717YP
(C) IDLER ARM ASSY.
11
BS703117
MUTTER
12
BS703901
MUTTER, 3/8-24
13
BS1921971SM
KOPFSCHRAUBE, SECHSK. HD 3/8
14
BS7090990YP
RHSSNB, 3/8C X2 GR5 Y
15
BS7091598SM
COTTER PIN, 1/8X3/4 Y
16
BS7036562YP
(C) SPRING, TORSION
BS7058770YP
(C) WELD, UPPER CHASS
Report Error
Help us to improve this site. Notify us if something is wrong here.