.com
Shopping Basket
empty
Your Account
Log in
Register
Home
Contact
About
Guestbook
Shipping Costs
Terms and Privacy
SPAREPARTS
Search by Part Number
Diagrams & Parts Lists
Gardening & Forestry
Industry & Shop
Chainsaw Chains
Guide Bars
Sprocket Rims
CATALOG
Mowing, trimming
Engine parts
Workshop
Components
Forestry
Electrical items
Winter items
V-belts / Pulleys
Filters
Toys
Agricultural Parts
Topseller
SERVICE
We search for You
Determine Chain
DE
EN
FR
ES
IT
Mobile
Snapper ZT18441KHC (5900608) - 44" Zero-Turn Mower, 18 HP, ZTR FastCut Series 1 Wiring Schematic 18hp Spareparts
Start
Snapper
Nullwendekreismäher, Zero-Turn
ZT18441KHC (5900608) - Snapper 44" Zero-Turn Mower, 18 HP, ZTR FastCut
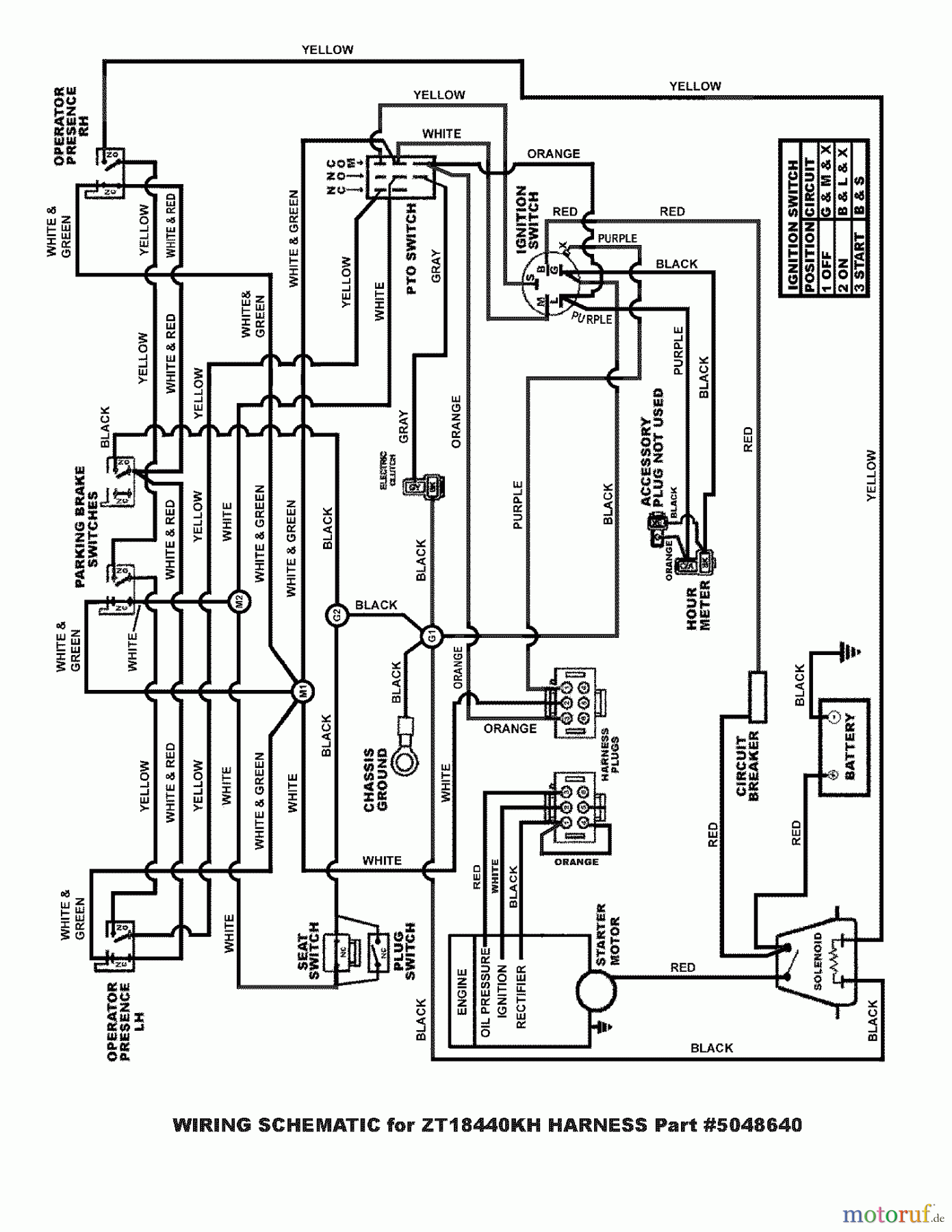
Wiring Schematic 18hp
Wiring Schematic 18hp ZT18441KHC (5900608) - Snapper 44" Zero-Turn Mower, 18 HP, ZTR FastCut Series 1
Report Error
Help us to improve this site. Notify us if something is wrong here.