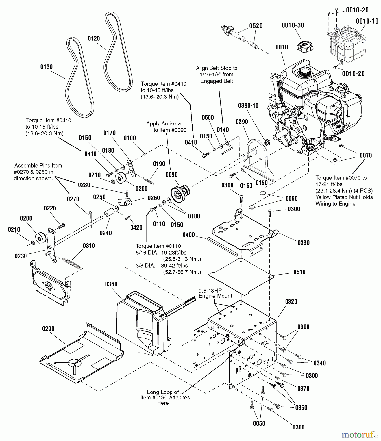
Snapper H824RX (1695851) - 24" Snowthrower, 9 HP, Two Stage, Intermediate Frame Engine & Frame Group Spareparts
Engine & Frame Group H824RX (1695851) - Snapper 24" Snowthrower, 9 HP, Two Stage, Intermediate Frame



Report Error
Help us to improve this site. Notify us if something is wrong here.




