.com
Shopping Basket
empty
Your Account
Log in
Register
Home
Contact
About
Guestbook
Shipping Costs
Terms and Privacy
SPAREPARTS
Search by Part Number
Diagrams & Parts Lists
Gardening & Forestry
Industry & Shop
Chainsaw Chains
Guide Bars
Sprocket Rims
CATALOG
Mowing, trimming
Engine parts
Workshop
Components
Forestry
Electrical items
Winter items
V-belts / Pulleys
Filters
Toys
Agricultural Parts
Topseller
SERVICE
We search for You
Determine Chain
DE
EN
FR
ES
IT
Mobile
Laubbläser / Laubsauger ENGINE BRIGGS & STRATTON MODEL NO. 130202-1640-01 #1 Spareparts
Start
Laubbläser / Laubsauger
62923 - Toro 5 hp Lawn Vacuum (SN: 5000001 - 5999999) (1985)
ENGINE BRIGGS & STRATTON MODEL NO. 130202-1640-01 #1
ENGINE BRIGGS & STRATTON MODEL NO. 130202-1640-01 #1 62923 - Toro 5 hp Lawn Vacuum (SN: 5000001 - 5999999) (1985)
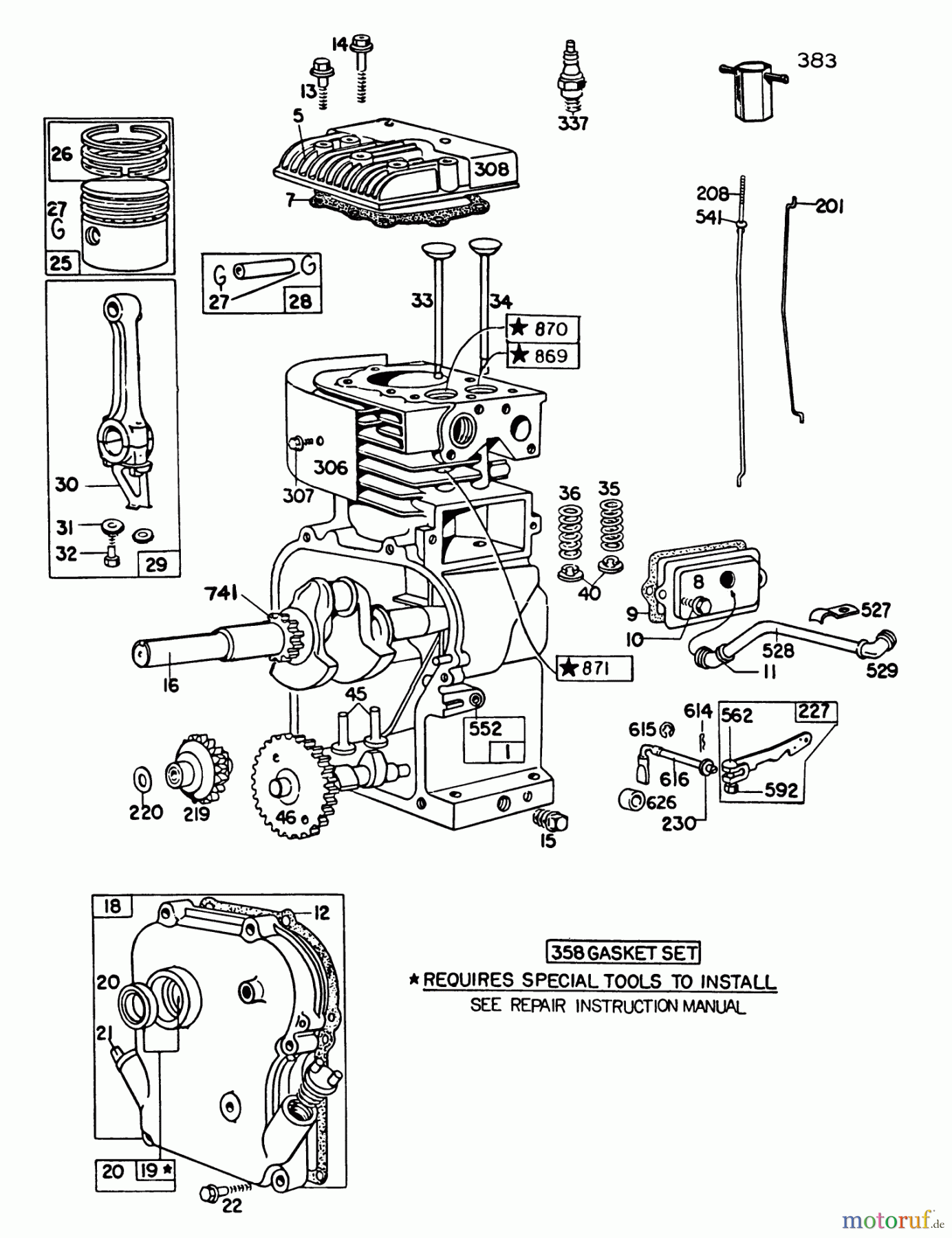
Pos
Article Number
Description
1
BS497144
ZYLINDER
5
BS211542
VERWEIS-NR. 691716
7
BS272157
VERWEIS ZU
8
BS495774
Verweis zu Nr. BS699448
9
BS27549S
VENTILDECKELDICHTUNG
10
BS94621
11
BS692187
GUMMITUELLE
12
BS692213
DICHTUNG-KURBELGEH.
BS270125
DICHTUNG-KURBELGEH.
BS270126
DICHTUNG-KURBELGEH.
13
BS94221
14
BS94679
15
BS94387
18
BS494044
VERWEIS ZU
19
BS297603
BUECHSE
20
BS294606S
SIMMERRING
21
BS281658
VERWEIS ZU
22
BS94607
25
BS793214
KOLBEN KOMPLETT
BS298905
KOLBEN 010
BS298906
KOLBEN 020
BS298907
KOLBEN 030
26
BS298982
KOLBENRINGSATZ
BS298983
KOLBENRINGSATZ 010
BS298984
KOLBENRINGSATZ 020
BS298985
KOLBENRINGSATZ 030
27
BS691588
KOLBENBOLZENSICHERUNG
28
BS298909
KOLBENBOLZEN 291925
BS298908
KOLBENBOLZEN 291926
29
BS299430
PLEUELSTANGE
30
BS691759
TAUCHBLECH
31
BS222282
SCHEIBE 220460
32
BS691664
PLEUELSCHRAUBE
33
BS211119S
AUSLASSVENTIL
34
BS261044S
EINL.-VENTIL
35
BS690520
FEDER
36
BS692180
FEDER
40
BS692194
HALTER
45
BS690509
VENTILSTOESSEL
46
BS212733
VERWEIS ZU
201
BS261558
REGLERGESTAENGE
208
BS230946
WELLE
219
BS391737
REGLERZAHNRAD
220
BS691724
SCHEIBE 221536
227
BS692357
GESTAENGE
230
BS94742
306
BS221511
ZYL.-LUFTLEITBLECH
307
BS691078
SCHRAUBE
308
BS221512
ZYLINDERKOPFSCHUTZ
337
BS802592
VERWEIS ZU
358
BS397145
VERWEIS ZU
383
BS89838S
ZUENDK-SCHLUESSEL 19/21MM
527
BS221514
KLEMME (I)
528
BS230722
ENTLUEFTERROHR
529
BS692189
KNIESTUECK
541
BS691067
UNTERLEGSCHEIBE
552
BS690508
BUCHSE
562
BS92613
BOLZEN
592
BS691251
MUTTER
614
BS691620
SPLINT
615
BS93307
HALTER
616
BS495243
VERWEIS ZU
626
BS230749
DISTANZRING
741
BS261696
ZAHNRAD
869
BS691705
DICHTRING
870
BS691701
DICHTRING
871
BS63709
BUECHSE
Report Error
Help us to improve this site. Notify us if something is wrong here.