.com
Shopping Basket
empty
Your Account
Log in
Register
Home
Contact
About
Guestbook
Shipping Costs
Terms and Privacy
SPAREPARTS
Search by Part Number
Diagrams & Parts Lists
Gardening & Forestry
Industry & Shop
Chainsaw Chains
Guide Bars
Sprocket Rims
CATALOG
Mowing, trimming
Engine parts
Workshop
Components
Forestry
Electrical items
Winter items
V-belts / Pulleys
Filters
Toys
Agricultural Parts
Topseller
SERVICE
We search for You
Determine Chain
DE
EN
FR
ES
IT
Mobile
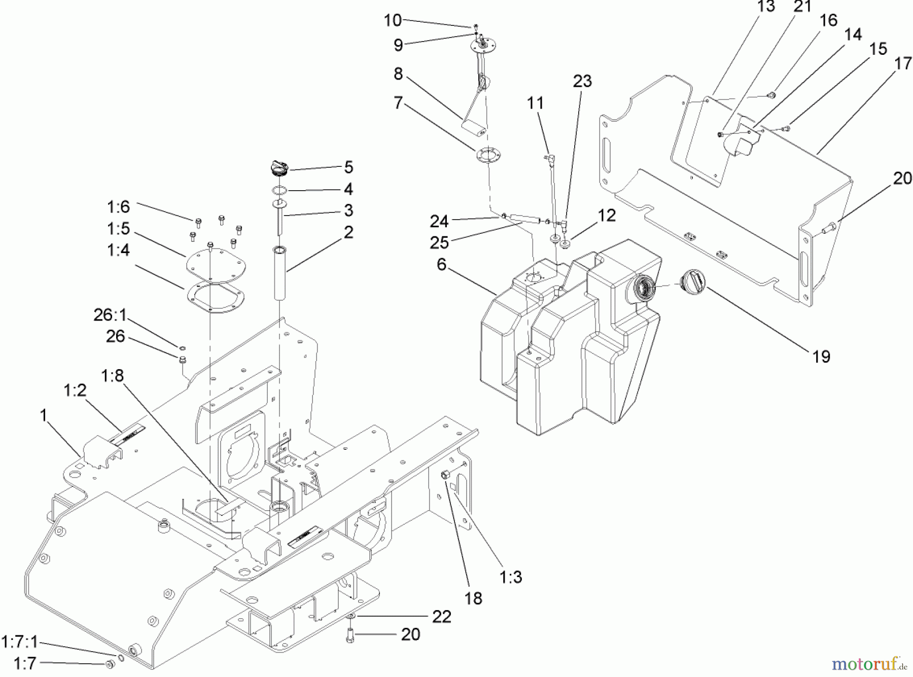
Compact Utility Loaders MAIN FRAME AND FUEL TANK ASSEMBLY Spareparts
Start
Compact Utility Loaders
22320 - Toro Dingo TX 525 Wide Track Compact Utility Loader (SN: 27000
MAIN FRAME AND FUEL TANK ASSEMBLY
MAIN FRAME AND FUEL TANK ASSEMBLY 22320 - Toro Dingo TX 525 Wide Track Compact Utility Loader (SN: 270000001 - 270000400) (2007)
Pos
Article Number
Description
1
TR106-9550
CHASSIS ASM
1:2
TR100-6141
KLEBESCHILD
1:3
TR93-9084
Klebeschild
1:4
TR107-3557
GASKET-COVER, ACCESS
1:5
TR108-6297-01
COVER-TANK
1:6
TR98-9940
Schraube
1:7
TR353-988
Stopfen
1:7:1
TR237-79
O-RING
1:8
TR105-8432
DECAL-OIL, HYD
2
TR61-2790
Sieb Fuer Filter
3
TR100-2097
DIPSTICK-OIL
4
TR237-123
O.Ring
5
TR93-7498
Tankdeckel
6
TR115-4800
TANK-FUEL
7
TR113372
GASKET-SENDER, FUEL
8
TR100-1298
SENDER-FUEL
9
TR3253-17
Federring
10
TR3250-31
SCREW-PPH
11
TR98-0185
LEITUNG
12
TR46-6560
BUSHING
13
TR108-6267-01
PANEL-REAR
14
TR108-6273-01
CLAMP-TANK, FUEL
15
TR322-3
Schraube
16
TR32144-70
Schraube
17
TR106-9559-01
REAR CHASSIS ASM
18
TR3296-23
Mutter
19
TR93-3102
Tankdeckel
20
TR325-5
Schraube
21
TR3296-29
Mutter
22
TR3256-26
WASHER-FLAT
23
TR104-5228
FITTING-ELBOW, 90 DEG
24
TR2412-80
Schlauchklemme
25
TR108-6344
HOSE-FUEL
26
TR353-989
PLUG-HEX, HOLLOW
26:1
TR237-42
O-RING
Report Error
Help us to improve this site. Notify us if something is wrong here.