.com
Home
Contact
About
Guestbook
Shipping Costs
Terms and Privacy
SPAREPARTS
Search by Part Number
Diagrams & Parts Lists
Gardening & Forestry
Industry & Shop
Chainsaw Chains
Guide Bars
Sprocket Rims
CATALOG
Mowing, trimming
Engine parts
Workshop
Components
Forestry
Electrical items
Winter items
V-belts / Pulleys
Filters
Toys
Agricultural Parts
Topseller
SERVICE
We search for You
Determine Chain
Your Account
Log in
Register
Settings
DE
EN
FR
ES
IT
PC Version
Rasen- und Garten Traktoren DIFFERENTIAL ASSEMBLY Spareparts
Start
Rasen- und Garten Traktoren
30612 - Toro Groundsmaster 120 Tractor (SN: 790001 - 799999) (1997)
DIFFERENTIAL ASSEMBLY
DIFFERENTIAL ASSEMBLY 30612 - Toro Groundsmaster 120 Tractor (SN: 790001 - 799999) (1997)
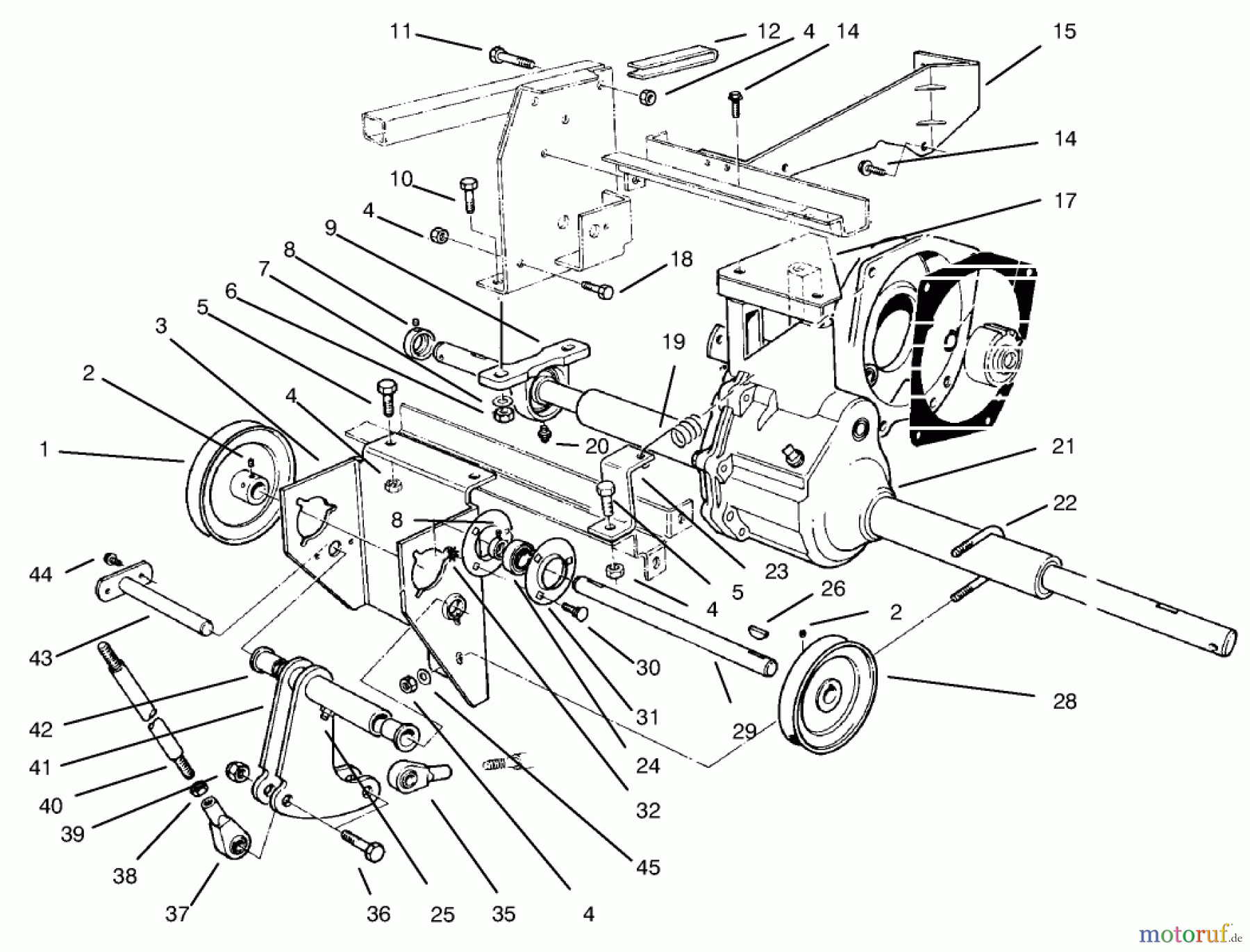
Pos
Article Number
Description
1
TR54-2390
Keilriemenscheibe
2
TR3241-1
Schraube
3
TR60-9130-03
Halter
4
TR3296-29
Mutter
5
TR322-4
Schraube
6
TR3296-44
Stoppmutter
7
TR3256-3
Scheibe
8
TR3245-35
Schraube
9
TR72-4060
Achslager
10
TR323-8
SCREW-HH
11
TR322-10
Schraube
12
TR80-3750
DISTANZPLATTE
14
TR323-41
DISCONTINUED
15
TR59-1620-03
TRANSAXLE BRKT
17
TR60-8990
TRANSAXLE PLATE
18
TR322-4
Schraube
19
TR76-9430-03
Feder
20
TR302-2
Fettnippel
21
TR98-2850
ASM-TRANSAXLE/DIFF.
22
TR54-8970
U-Bolzen
23
TR92-6273-03
Federaufhaengung
24
TR251-288
BEARING-BALL
25
TR302-49
Nippel
26
TR3257-5
Keil
28
TR54-2380
Keilriemenscheibe
29
TR54-1600
Vorgelegewelle
30
TR3230-1
Schraube
31
TR251-341
FLANGE
32
TR32149-1
Mutter
35
TR251-304
BALL JOINT LH
36
TR324-7
SCREW-HH
37
TR251-305
Spurstangenkopf
38
TR3220-4
NUT-JAM
39
TR3296-48
Stopmutter
40
TR54-1490-03
Lenkgestaenge
41
TR54-2060
Kniehebel
42
TR46-6680
BUSHING PM
43
TR59-1470-03
Welle
44
TR46-8560
SCREW-HHFTF
45
TR3256-23
Scheibe
Report Error
Help us to improve this site. Notify us if something is wrong here.