.com
Home
Contact
About
Guestbook
Shipping Costs
Terms and Privacy
SPAREPARTS
Search by Part Number
Diagrams & Parts Lists
Gardening & Forestry
Industry & Shop
Chainsaw Chains
Guide Bars
Sprocket Rims
CATALOG
Mowing, trimming
Engine parts
Workshop
Components
Forestry
Electrical items
Winter items
V-belts / Pulleys
Filters
Toys
Agricultural Parts
Topseller
SERVICE
We search for You
Determine Chain
Your Account
Log in
Register
Settings
DE
EN
FR
ES
IT
PC Version
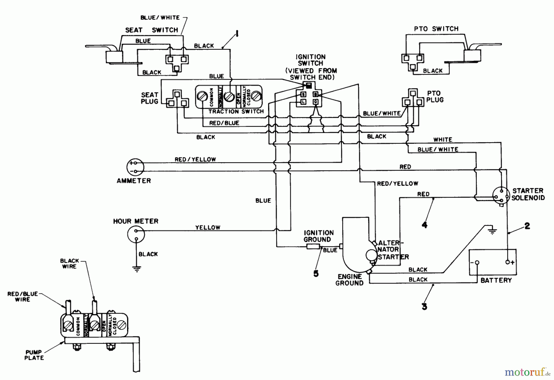
Rasen- und Garten Traktoren ELECTRICAL SCHEMATIC Spareparts
Start
Rasen- und Garten Traktoren
30775 - Toro Groundsmaster 52 (SN: 100001 - 199999) (1981)
ELECTRICAL SCHEMATIC
ELECTRICAL SCHEMATIC 30775 - Toro Groundsmaster 52 (SN: 100001 - 199999) (1981)
Pos
Article Number
Description
1
TR41-8890
Kabelbaum
2
TR39-8860
Kabel
3
TR27-5090
Kabel
4
TR27-5110
Kabel
5
TR27-9590
KABEL
Report Error
Help us to improve this site. Notify us if something is wrong here.