Toro 62835 - Shredder, 1972 (2000001-2999999) CARBURETOR AIR CLEANER & GAS TANK ASSEMBLY Spareparts
CARBURETOR AIR CLEANER & GAS TANK ASSEMBLY 62835 - Toro Shredder, 1972 (2000001-2999999)

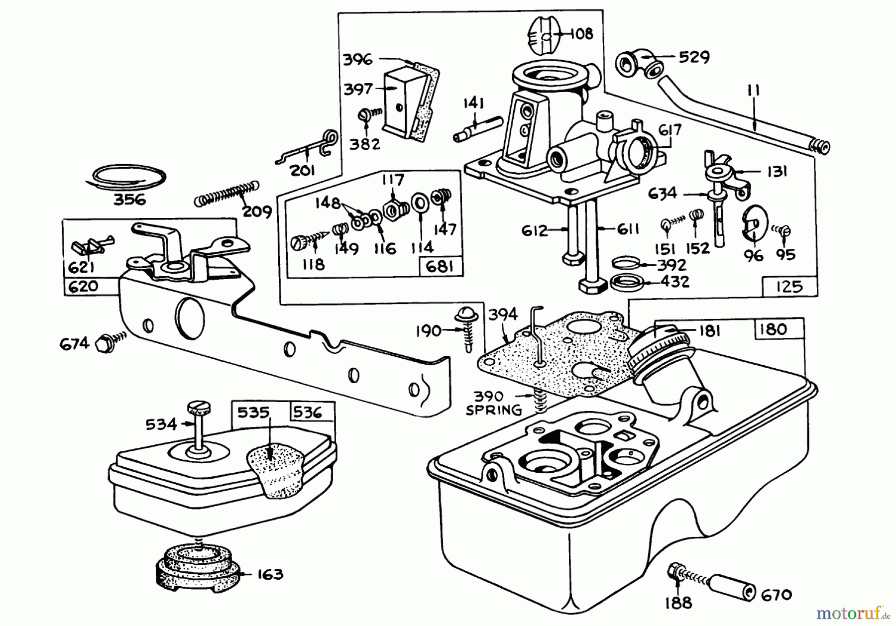
| Pos | Article Number | Description | |
| 11 | BS230802 | ENTLUEFTERROHR | |
| 95 | BS691437 | SCHRAUBE 90029 | |
| 96 | BS211237 | DROSSELKLAPPE | |
| 108 | BS280024 | STARTERKLAPPE | |
| 114 | BS691608 | SCHEIBE | |
| 116 | BS691606 | O-RING | |
| 117 | BS690504 | MUTTER | |
| 118 | BS690266 | SCHRAUBE 23228 | |
| 125 | BS390065 | VERWEIS-NR. 395957 | |
| 131 | BS299977 | GESTAENGE | |
| 141 | BS68908 | STARTERKLAPPENWELLE | |
| 147 | BS692134 | VENTILSITZ | |
| 148 | BS690257 | UNTERLEGSCHEIBE | |
| 149 | BS691592 | FEDER | |
| 151 | BS93524 | SCHRAUBE 93392 | |
| 152 | BS260575 | VERWEIS ZU | |
| 163 | BS270621 | DICHTUNG 270228 | |
| 180 | TR299972 | ||
| 181 | BS493982 | VERWEIS ZU | |
| 188 | BS691625 | VERWEIS ZU | |
| 190 | BS94712 | ||
| 201 | BS260878 | GESTAENGE | |
| 209 | BS260877 | FEDER | |
| 356 | TR98479 | ||
| 382 | BS93545 | SCHRAUBE | |
| 390 | BS261015 | ||
| 392 | ![]() | BS692206 | Feder f. Benzinpumpe |
| 394 | TR299636 | ||
| 396 | BS270571 | DICHTUNG | |
| 397 | BS211678 | PLATTE | |
| 432 | BS690766 | FEDERTELLER | |
| 529 | ![]() | BS692189 | KNIESTUECK |
| 534 | BS93374 | SCHRAUBE | |
| 535 | BS270579S | FILTEREINSATZ | |
| 536 | BS390055 | LUFTFILTER 298566 | |
| 611 | BS297219S | BENZINLEITUNG | |
| 612 | BS497413 | VERWEIS ZU | |
| 617 | BS270344S | O-RING | |
| 620 | BS299974 | PLATTE | |
| 621 | BS297472S | AUSSCHALTER | |
| 634 | TR770167 | ||
| 670 | TR93447 | ||
| 674 | TR21-1740 | HALTEARM | |
| 681 | BS299060 | NADELVENTILSATZ | |


Report Error
Help us to improve this site. Notify us if something is wrong here.



