.com
Shopping Basket
empty
Your Account
Log in
Register
Home
Contact
About
Guestbook
Shipping Costs
Terms and Privacy
SPAREPARTS
Search by Part Number
Diagrams & Parts Lists
Gardening & Forestry
Industry & Shop
Chainsaw Chains
Guide Bars
Sprocket Rims
CATALOG
Mowing, trimming
Engine parts
Workshop
Components
Forestry
Electrical items
Winter items
V-belts / Pulleys
Filters
Toys
Agricultural Parts
Topseller
SERVICE
We search for You
Determine Chain
DE
EN
FR
ES
IT
Mobile
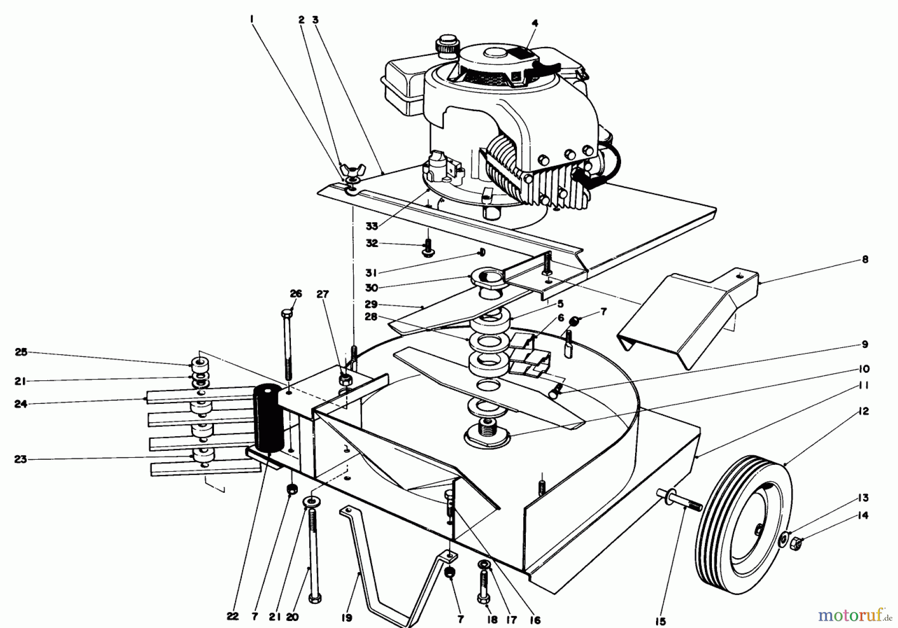
Toro 62837 - Shredder, 1973 (3000001-3999999) ENGINE AND BASE ASSEMBLY Spareparts
Start
Toro Neu
Blowers/Vacuums/Chippers/Shredders
62837 - Toro Shredder, 1973 (3000001-3999999)
ENGINE AND BASE ASSEMBLY
ENGINE AND BASE ASSEMBLY 62837 - Toro Shredder, 1973 (3000001-3999999)
Pos
Article Number
Description
1
TR3256-24
WASHER-FLAT
2
TR32103-3
NUT-WING
3
TR19-9110
MOTORPLATTE
4
TR19-5530
5
TR17-7180
DISTANZSCHEIBE
6
TR17-7320
DISCONTINUED
7
TR32152-1
Mutter
8
TR17-7930
9
TR3230-1
Schraube
10
TR17-7170
NABENSPANNSCHRAUBE
11
TR17-7430
12
TR7-0075
DISCONTINUED
13
TR3256-26
WASHER-FLAT
14
TR32152-3
Mutter
15
TR17-7260
16
TR322-3
Schraube
17
TR3253-29
Federring
18
TR3211-34
19
TR17-7250
20
TR17-7570
SPEZIALSCHRAUBE
21
TR3256-25
Scheibe
22
TR17-7270
DISCONTINUED
23
TR19-9090
24
TR17-7160
GEGENHALTER
25
TR17-7190
Zwischenringe
26
TR322-29
Schraube
27
TR3296-48
Stopmutter
28
TR17-7210
ZWISCHENRINGE
29
TR17-7410
MESSER
30
TR17-7200
NABE
31
TR3257-3
KEY-WOODRUFF
32
TR32144-102
Schraube
33
TR221-437
TR17-7660
MONTAGESATZ
TR20-3530
Report Error
Help us to improve this site. Notify us if something is wrong here.