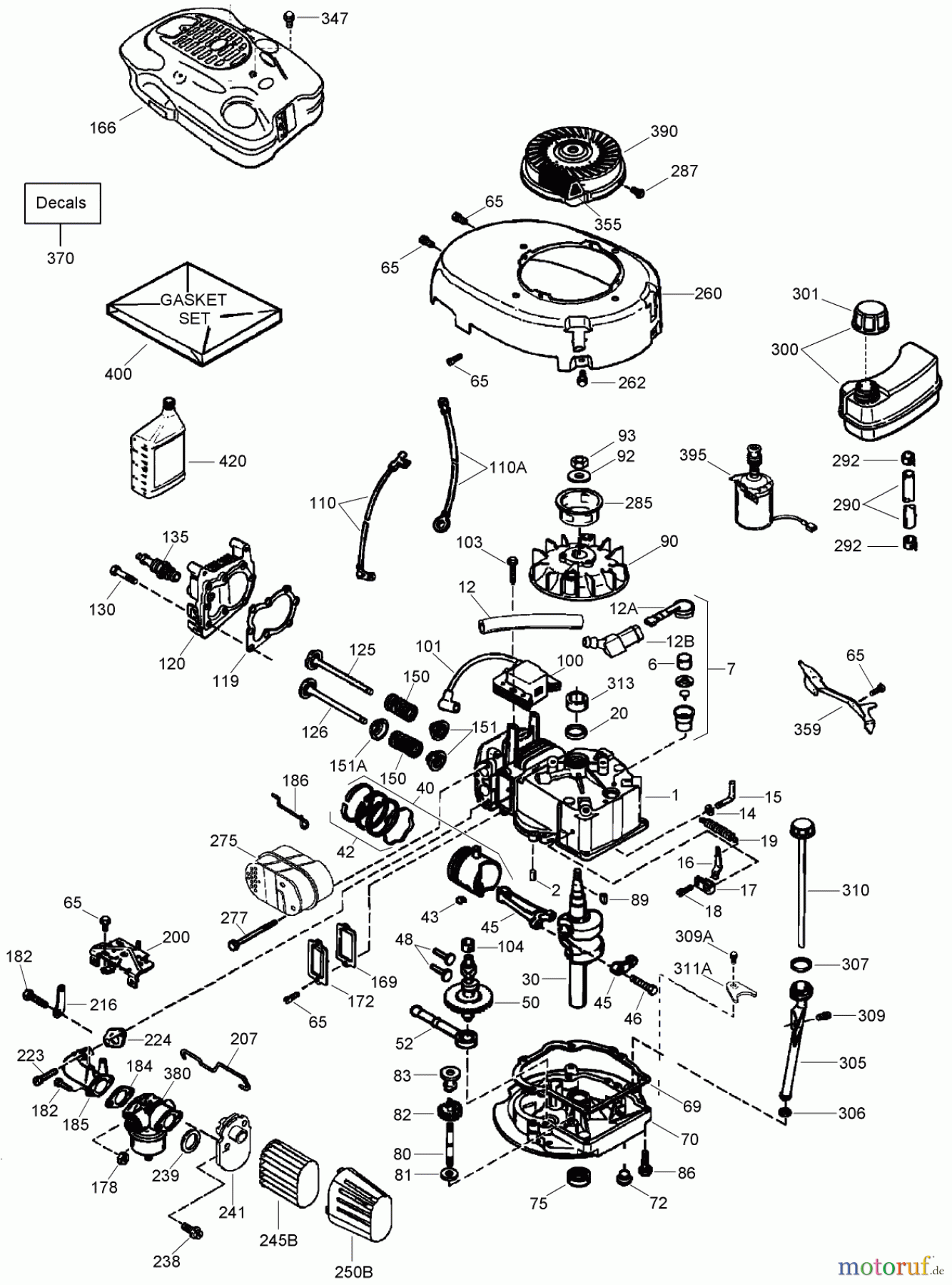
Toro 20076 - 22" Recycler Lawn Mower, 2007 (270000001-270999999) ENGINE ASSEMBLY NO. 1 TECUMSEH LV195XA-362086E Spareparts
ENGINE ASSEMBLY NO. 1 TECUMSEH LV195XA-362086E 20076 - Toro 22" Recycler Lawn Mower, 2007 (270000001-270999999)



Report Error
Help us to improve this site. Notify us if something is wrong here.






