.com
Shopping Basket
empty
Your Account
Log in
Register
Home
Contact
About
Guestbook
Shipping Costs
Terms and Privacy
SPAREPARTS
Search by Part Number
Diagrams & Parts Lists
Gardening & Forestry
Industry & Shop
Chainsaw Chains
Guide Bars
Sprocket Rims
CATALOG
Mowing, trimming
Engine parts
Workshop
Components
Forestry
Electrical items
Winter items
V-belts / Pulleys
Filters
Toys
Agricultural Parts
Topseller
SERVICE
We search for You
Determine Chain
DE
EN
FR
ES
IT
Mobile
Toro 20684 - Lawnmower, 1985 (5000001-5999999) GEAR CASE ASSEMBLY Spareparts
Start
Toro Neu
Mowers, Walk-Behind
Seite 1
20684 - Toro Lawnmower, 1985 (5000001-5999999)
GEAR CASE ASSEMBLY
GEAR CASE ASSEMBLY 20684 - Toro Lawnmower, 1985 (5000001-5999999)
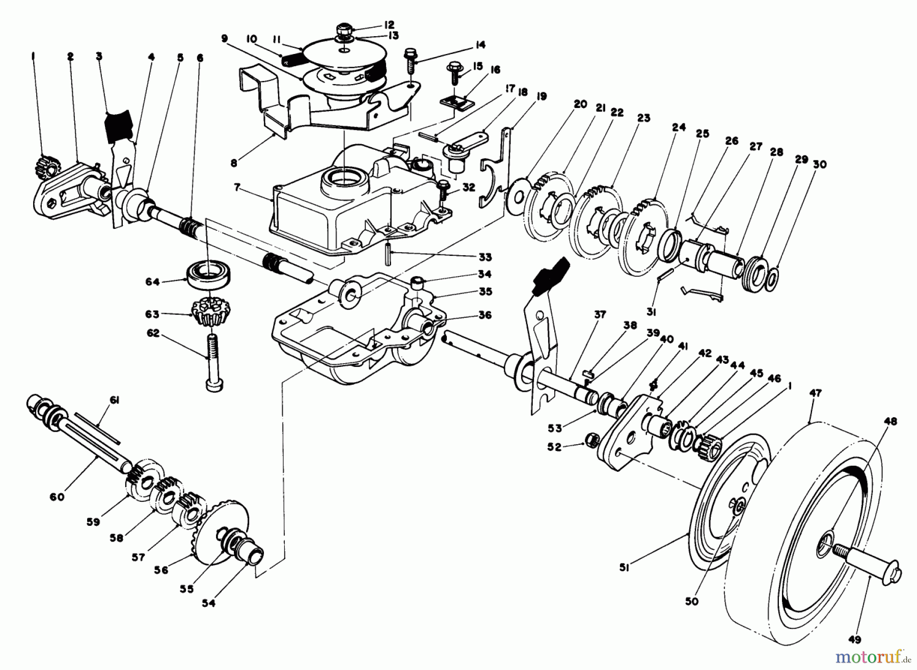
Pos
Article Number
Description
1
TR39-9160
Zahnrad
2
TR49-7720
PIVOT ARM ASM RH
3
TR25-7740
Hebelknopf
4
TR44-1010
Einstellhebel
5
TR42-3520
CAP-END
6
TR24-7922
Verkleidung
7
TR49-8370
DISCONTINUED
8
TR49-8460
BELT GUIDE BRKT*B
9
TR49-8330
PULLEY-LOWER HALF
10
TR36-8070
Keilriemen
11
TR49-8340
Riemenscheibe O.T.
12
TR3296-29
Mutter
13
TR3256-2
Scheibe
14
TR12-3270
Schraube
15
TR32144-11
Schraube
16
TR62-3720
CLAMP-CABLE
17
TR32121-99
Spannhuelse
18
TR29-9560
Hebel
19
TR60-8870
Schaltklaue
20
TR29-9690
Scheibe
21
TR42-4740
Zahnrad 38 Zaehne
22
TR36-4770
WASHER
23
TR29-9271
Zahnrad
24
TR46-3560
Zahnrad
25
TR55-8020
Keilarretierung
26
TR29-9330
Schiebekeil
27
TR55-8010
Gleitbuchse
28
TR39-6720
SLEEVE
29
TR29-9340
Stellring
30
TR36-4780
Scheibe
31
TR32121-108
Stift
32
TR49-2040
Schraube
33
TR32121-100
Spannhuelse
34
TR29-9570
Buchse
35
TR29-9410
Gehaeuse u.T.
36
TR47-5220
Buchse
37
TR12-6659
Antriebswelle
38
TR39-9680
KEY RECTANGULAR
39
TR39-9650
Feder
40
TR47-2890
Buechse
41
TR302-56
Schmiernippel
42
TR49-7710
Radaufhaengung
43
TR48-2060
Nadellager
44
TR49-7690
Scheibe
45
TR49-7700
Scheibe
46
TR32151-68
RING-RETAINING
47
TR14-9959
Rad
48
TR27-6250
Buchse
49
TR27-6231
Radbolzen
50
TR40-1940
Scheibe
51
TR52-4860
Radabdeckung
52
TR3296-6
NUT-LOCK
53
TR47-6730
Simmerring
54
TR52-5410
Lagerbuechse
55
TR36-4791
Lagerscheibe
56
TR39-6670
Kegelrad
57
TR46-3540
Zahnrad
58
TR46-3550
Zahnrad
59
TR39-6650
Zahnrad
60
TR46-9470
INTERMEDIATE SHAFT
61
TR39-7843
Keil
62
TR3274-61
SCHRAUBE
63
TR49-8350
DISCONTINUED
64
TR38-7820
Kugellager
TR49-8610
GETRIEBE KOMPL.
Report Error
Help us to improve this site. Notify us if something is wrong here.