.com
Shopping Basket
empty
Your Account
Log in
Register
Home
Contact
About
Guestbook
Shipping Costs
Terms and Privacy
SPAREPARTS
Search by Part Number
Diagrams & Parts Lists
Gardening & Forestry
Industry & Shop
Chainsaw Chains
Guide Bars
Sprocket Rims
CATALOG
Mowing, trimming
Engine parts
Workshop
Components
Forestry
Electrical items
Winter items
V-belts / Pulleys
Filters
Toys
Agricultural Parts
Topseller
SERVICE
We search for You
Determine Chain
DE
EN
FR
ES
IT
Mobile
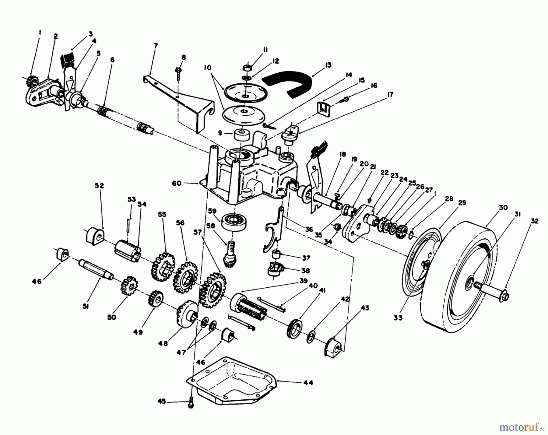
Toro 20747C - Lawnmower, 1988 (8000001-8999999) GEAR CASE ASSEMBLY Spareparts
Start
Toro Neu
Mowers, Walk-Behind
Seite 1
20747C - Toro Lawnmower, 1988 (8000001-8999999)
GEAR CASE ASSEMBLY
GEAR CASE ASSEMBLY 20747C - Toro Lawnmower, 1988 (8000001-8999999)
Pos
Article Number
Description
1
TR39-9160
Zahnrad
2
TR49-7720
PIVOT ARM ASM RH
3
TR25-7740
Hebelknopf
4
TR44-1010
Einstellhebel
5
TR42-3520
CAP-END
6
TR24-7922
Verkleidung
7
TR62-4320-03
BRACKET-GUIDE, BELT
8
TR49-2040
Schraube
9
TR60-6660
NUT
10
TR100-1176
Riemenscheibenhaelfte
11
TR3296-5
Stopmutter
12
TR3256-24
WASHER-FLAT
13
TR62-3900
Riemen
14
TR3272-31
Bolzen
15
TR62-3720
CLAMP-CABLE
16
TR32144-11
Schraube
17
TR60-8820
Schalthebel
18
TR12-6659
Antriebswelle
19
TR39-9680
KEY RECTANGULAR
20
TR39-9650
Feder
21
TR47-2890
Buechse
22
TR302-56
Schmiernippel
23
TR49-7710
Radaufhaengung
24
TR48-2060
Nadellager
25
TR49-7690
Scheibe
26
TR49-7700
Scheibe
27
TR62-3830
Scheibe
28
TR32121-68
Stift
29
TR52-4860
Radabdeckung
30
TR14-9969
Antriebsrad
31
TR27-6250
Buchse
32
TR27-6231
Radbolzen
33
TR40-1940
Scheibe
34
TR32153-11
Mutter
35
TR47-6730
Simmerring
36
TR60-8870
Schaltklaue
37
TR29-9570
Buchse
38
TR608810
Federteller
39
TR74-3620
Mitnehmer
40
TR99-5261
DISCONTINUED
41
TR60-8760
SCHALTRING
42
TR36-4780
Scheibe
43
TR60-8770
Buechse
44
TR60-8730-03
Getriebedeckel
45
TR49-2040
Schraube
46
TR60-8750
Buechse
47
TR36-4791
Lagerscheibe
48
TR104-7668
Zahnrad
49
TR55-3780
Zahnrad
50
TR55-3800
Zahnrad
51
TR614696
Getriebewelle
52
TR608850
Schraube
53
TR32121-120
PIN-SPRING
54
TR60-8790
Mitnehmerwelle
55
TR55-3810
Zahnrad
56
TR55-3790
GEAR-44T
57
TR55-3770
Zahnrad
58
TR104-7667
GEAR-PINION, BEVEL
59
TR38-7820
Kugellager
60
TR60-8710
Getriebegehaeuse
TR62-6670
Getriebe Kpl.
Report Error
Help us to improve this site. Notify us if something is wrong here.