.com
Shopping Basket
empty
Your Account
Log in
Register
Home
Contact
About
Guestbook
Shipping Costs
Terms and Privacy
SPAREPARTS
Search by Part Number
Diagrams & Parts Lists
Gardening & Forestry
Industry & Shop
Chainsaw Chains
Guide Bars
Sprocket Rims
CATALOG
Mowing, trimming
Engine parts
Workshop
Components
Forestry
Electrical items
Winter items
V-belts / Pulleys
Filters
Toys
Agricultural Parts
Topseller
SERVICE
We search for You
Determine Chain
DE
EN
FR
ES
IT
Mobile
Toro 26680WG - Lawnmower, 1990 (0000001-0999999) CARBURETOR ASSEMBLY (ENGINE NO. 47PK9) Spareparts
Start
Toro Neu
Mowers, Walk-Behind
Seite 2
26680WG - Toro Lawnmower, 1990 (0000001-0999999)
CARBURETOR ASSEMBLY (ENGINE NO. 47PK9)
CARBURETOR ASSEMBLY (ENGINE NO. 47PK9) 26680WG - Toro Lawnmower, 1990 (0000001-0999999)
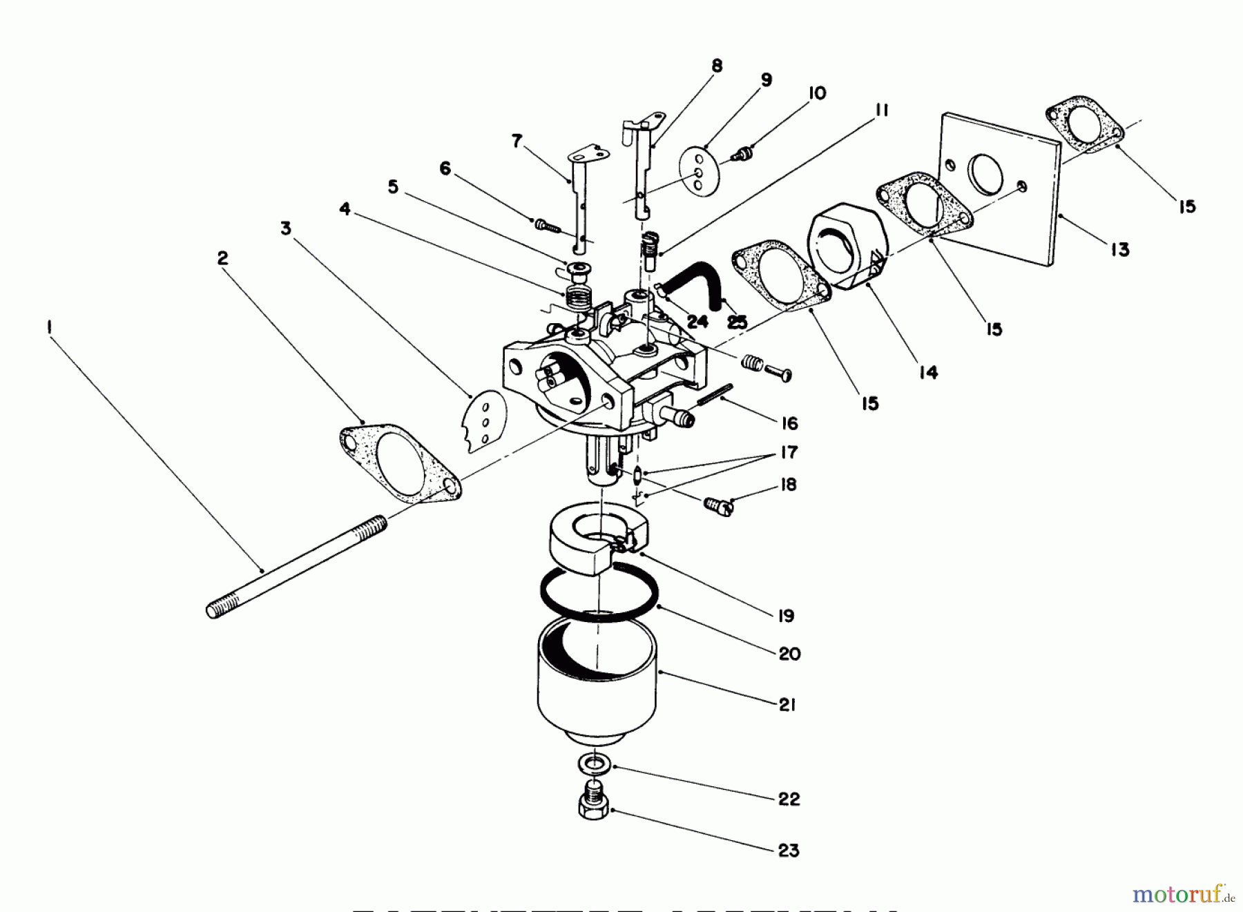
Pos
Article Number
Description
1
TR81-5450
Stehbolzen
2
TR81-0090
GASKET-AIR CLEANER
3
TR81-0240
4
TR81-0230
Feder
5
TR81-0220
Buechse
6
TR81-2160
Schraube
7
TR81-1950
Chokewelle
8
TR81-0250
SHAFT
9
TR81-0260
PLATE
10
TR81-2160
Schraube
11
TR81-1030
Duese(40)
13
TR81-5490
Schild
14
TR81-5440
INSULATOR-CARBURETOR
15
TR81-0780
Dichtung
16
TR81-2600
PIN-HINGE
17
TR81-4910
NEEDLE
18
TR81-1060
Hauptduese
TR81-2340
Duese
19
TR81-0970
Schwimmer
20
TR81-1010
Dichtung
21
TR81-5660
Schwimmergehaeuse
22
TR81-1020
Dichtung
23
TR81-5670
Schraube
24
TR81-5460
DISCONTINUED
25
TR81-5470
Schlauch
TR12-6379
Vergaser-Rep.-Satz
TR81-2520
Vergaser
Report Error
Help us to improve this site. Notify us if something is wrong here.