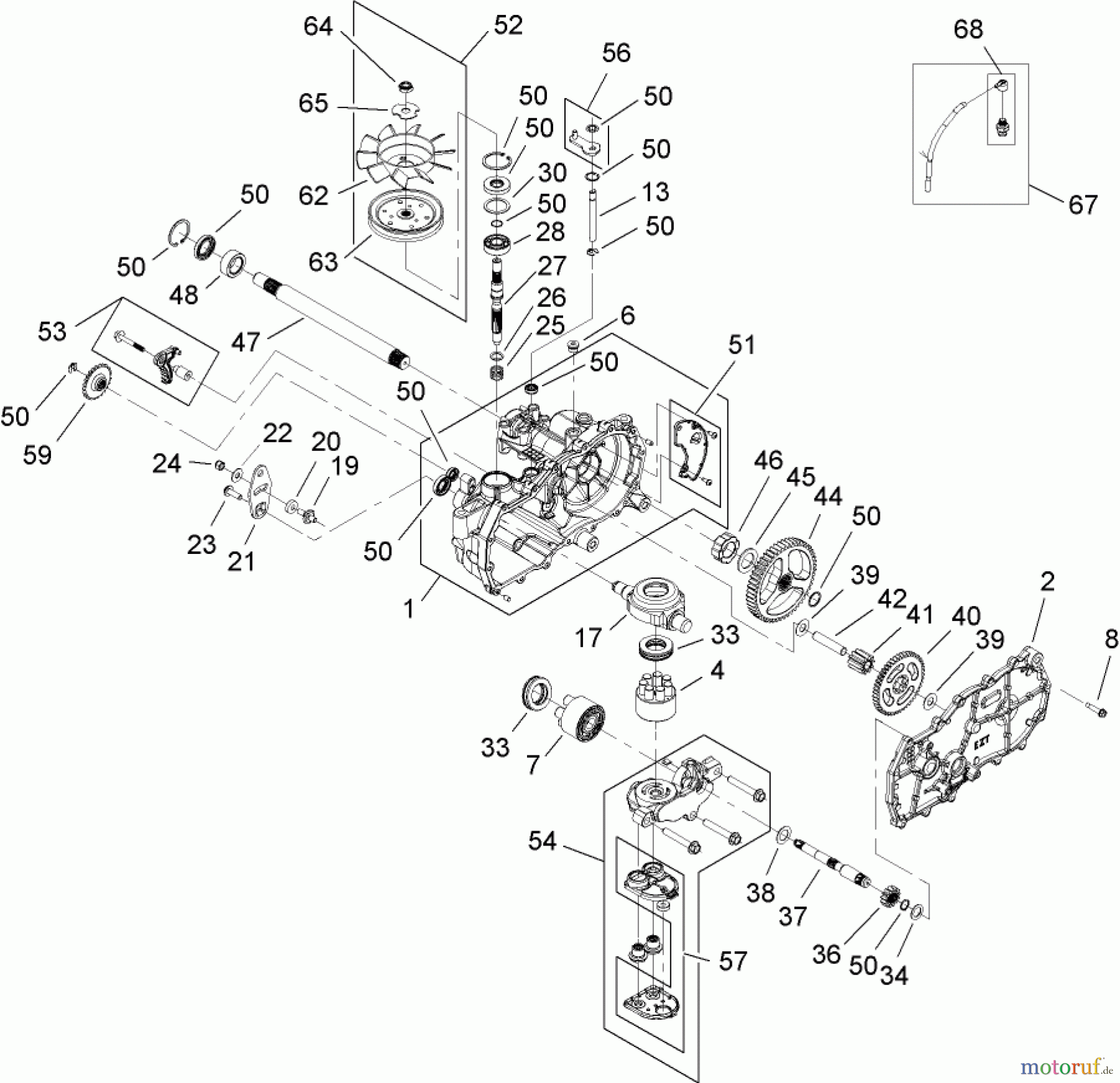
Toro 74374 (Z5040) - TimeCutter Z5040 Riding Mower, 2007 (270000001-270999999) RH HYDRO DRIVE ASSEMBLY NO. 110-6771 Spareparts
RH HYDRO DRIVE ASSEMBLY NO. 110-6771 74374 (Z5040) - Toro TimeCutter Z5040 Riding Mower, 2007 (270000001-270999999)



Report Error
Help us to improve this site. Notify us if something is wrong here.

