Toro 74374 (Z5040) - TimeCutter Z5040 Riding Mower, 2008 (280000001-280999999) RH HYDRO ASSEMBLY NO. 110-6771 Spareparts
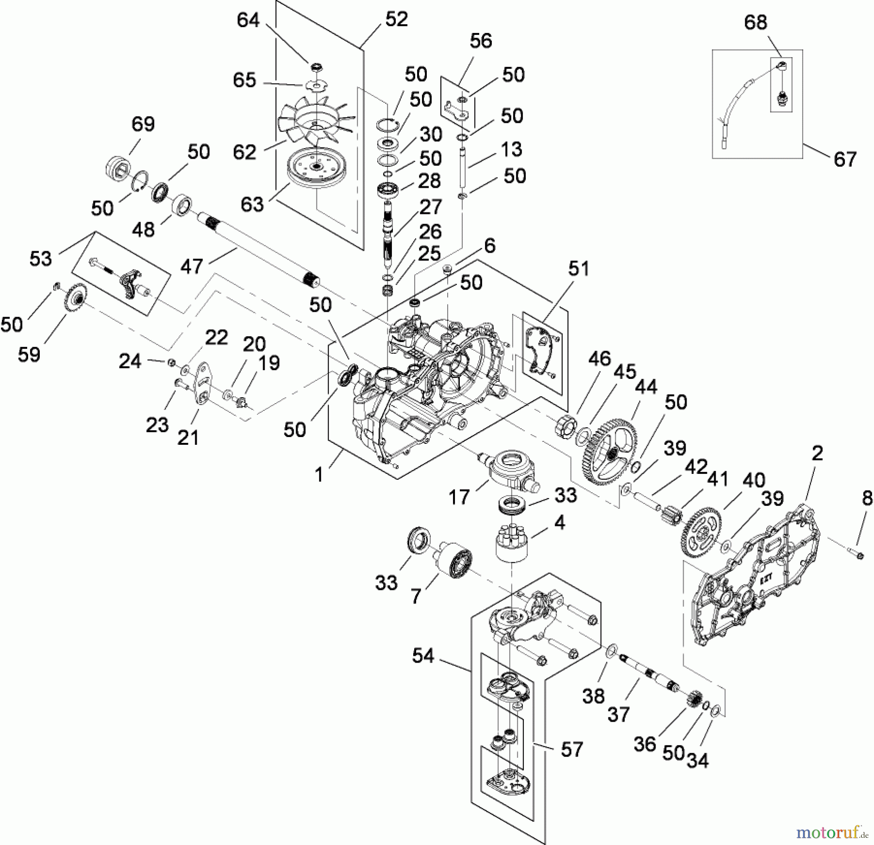
RH HYDRO ASSEMBLY NO. 110-6771 74374 (Z5040) - Toro TimeCutter Z5040 Riding Mower, 2008 (280000001-280999999)



Report Error
Help us to improve this site. Notify us if something is wrong here.

