.com
Shopping Basket
empty
Your Account
Log in
Register
Home
Contact
About
Guestbook
Shipping Costs
Terms and Privacy
SPAREPARTS
Search by Part Number
Diagrams & Parts Lists
Gardening & Forestry
Industry & Shop
Chainsaw Chains
Guide Bars
Sprocket Rims
CATALOG
Mowing, trimming
Engine parts
Workshop
Components
Forestry
Electrical items
Winter items
V-belts / Pulleys
Filters
Toys
Agricultural Parts
Topseller
SERVICE
We search for You
Determine Chain
DE
EN
FR
ES
IT
Mobile
Toro 74381 (Z4202) - TimeCutter Z4202 Riding Mower, 2009 (290000001-290000210) RH HYDRO ASSEMBLY NO. 110-6771 Spareparts
Start
Toro Neu
Mowers, Zero-Turn
74381 (Z4202) - Toro TimeCutter Z4202 Riding Mower, 2009 (290000001-29
RH HYDRO ASSEMBLY NO. 110-6771
RH HYDRO ASSEMBLY NO. 110-6771 74381 (Z4202) - Toro TimeCutter Z4202 Riding Mower, 2009 (290000001-290000210)
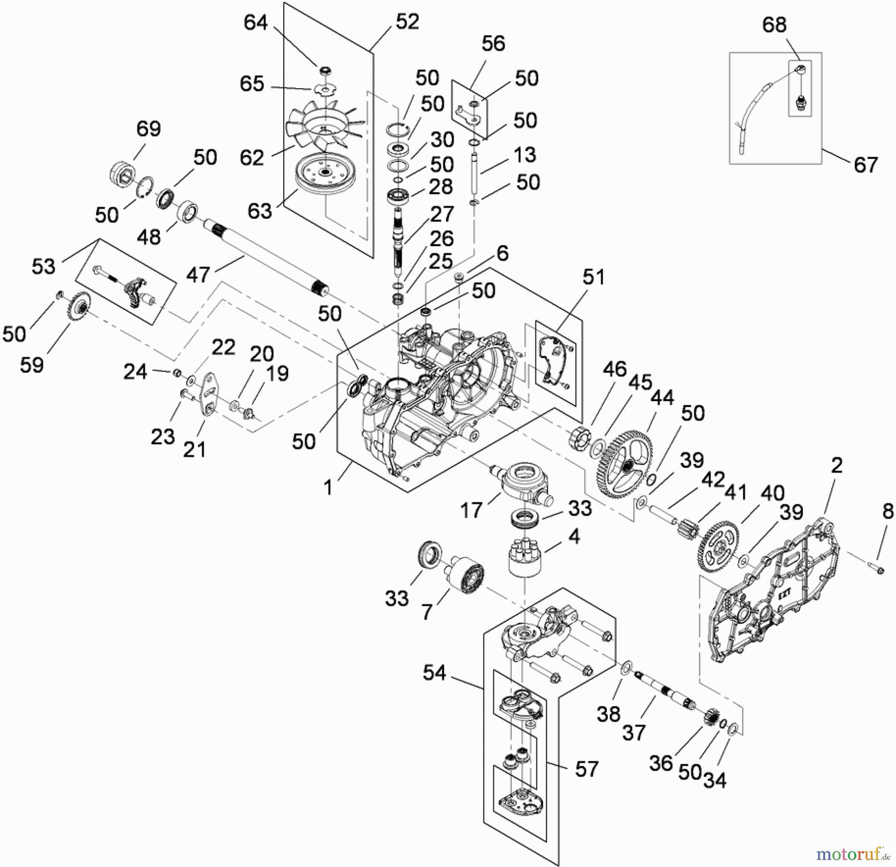
Pos
Article Number
Description
1
TR114-1630
RH MAIN HOUSING ASM
2
TR114-1631
RH SIDE ASM
4
TR110-8561
PUMP BLOCK ASM
6
TR104-2189
PLUG-THREAD, STRAIGHT
7
TR103-2666
CYLINDER BLOCK KIT
8
TR104-5305
Schraube
13
TR106-8678
ROD-BYPASS
17
TR104-5304
SWASHPLATE-TRUNNION
19
TR104-2116
STEHBOLZEN
20
TR112-9853
PUCK-FRICTION
21
TR106-8747
ARM-CONTROL
22
TR5-4460
Scheibe
23
TR107-2488
Schraube
24
TR105-1872
NUT
25
TR94-1936
SPRING-BLOCK
26
TR94-1937
SCHEIBE
27
TR104-5306
Zahnwelle
28
TR104-5311
Kugellager
30
TR104-5308
Distanzscheibe
33
TR94-6922
BEARING-THRUST
34
TR104-5339
SCHEIBE
36
TR104-5316
ZAHNRAD
37
TR114-1632
SHAFT-MOTOR
38
TR104-5360
WASHER
39
TR94-1933
SCHEIBE
40
TR104-5317
ZAHNRAD
41
TR104-5318
GEAR-JACKSHAFT, 10T
42
TR104-5329
PIN-JACKSHAFT
44
TR112-9855
GEAR-52T, BULL
45
TR112-9856
WASHER
46
TR112-9857
BEARING-SLEEVE
47
TR120-7932
KIT-AXLE, LONG
48
TR112-9859
BUSHING-AXLE
50
TR106-8686
SEAL KIT
51
TR106-8697
EXPANSION PLATE KIT
52
TR106-8698
Lueftersatz
53
TR114-1633
BRAKE ARM KIT
54
TR112-9861
CENTER SECTION FILTER KIT
55
TR104-2147
Dichtungsmasse
56
TR107-2489
BYPASS ARM KIT
57
TR114-1634
FILTER KIT
59
TR106-8694
Scheibe
62
TR110-8566
FAN-6 INCH, 10 BLADE
63
TR104-1754
Riemenscheibe
64
TR105-1875
NUT-LOCK
65
TR107-9122
WASHER-SLOTTED
67
TR112-9866
BREATHER KIT
68
TR114-1635
BREATHER ASM
69
TR115-5057
COVER-NUT, AXLE
Report Error
Help us to improve this site. Notify us if something is wrong here.