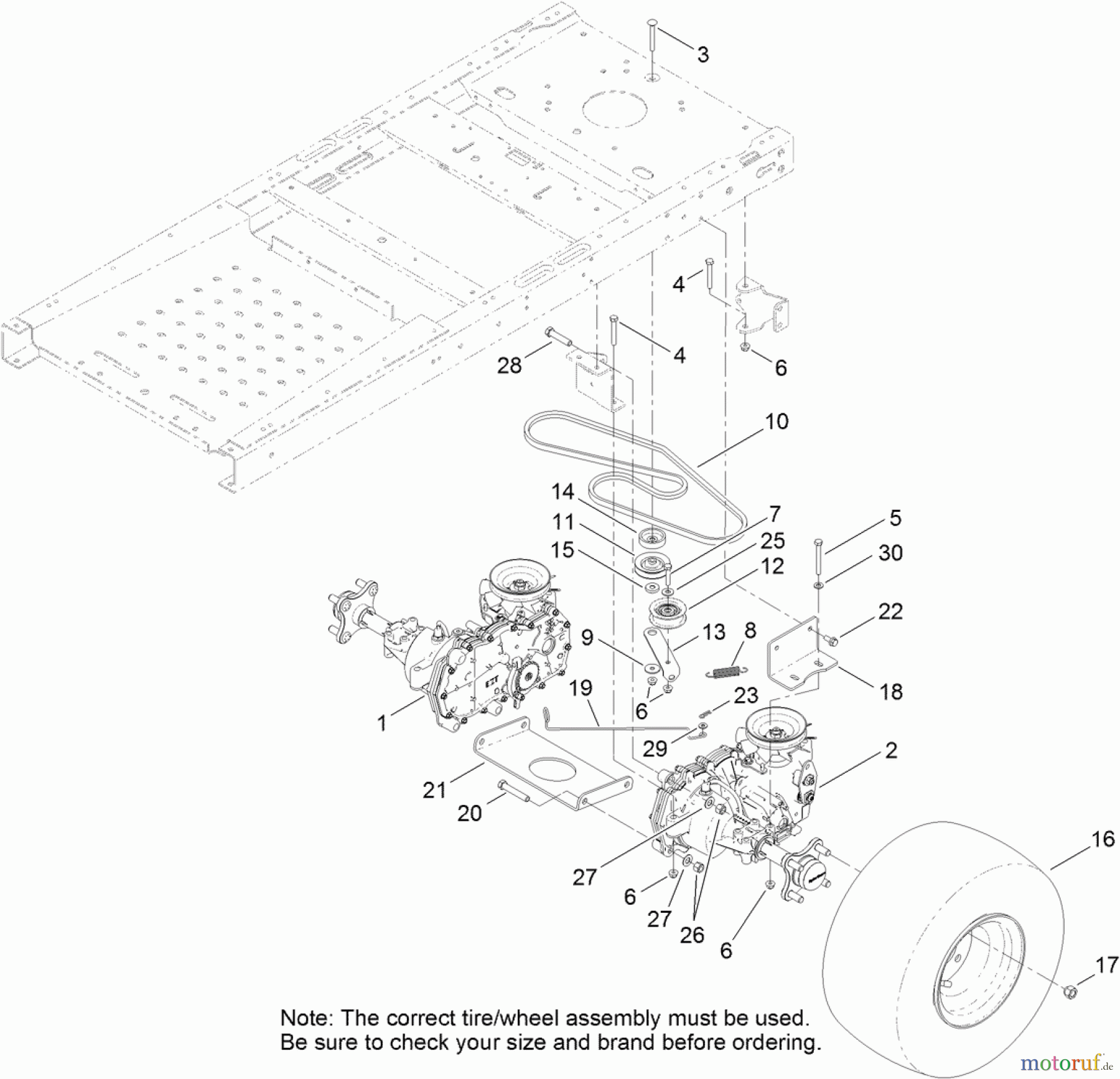
Toro 74386 (ZS 4200) - TimeCutter ZS 4200 Riding Mower, 2011 (311000001-311999999) HYDRO TRANSAXLE DRIVE AND REAR WHEEL ASSEMBLY Spareparts
HYDRO TRANSAXLE DRIVE AND REAR WHEEL ASSEMBLY 74386 (ZS 4200) - Toro TimeCutter ZS 4200 Riding Mower, 2011 (311000001-311999999)



Report Error
Help us to improve this site. Notify us if something is wrong here.

