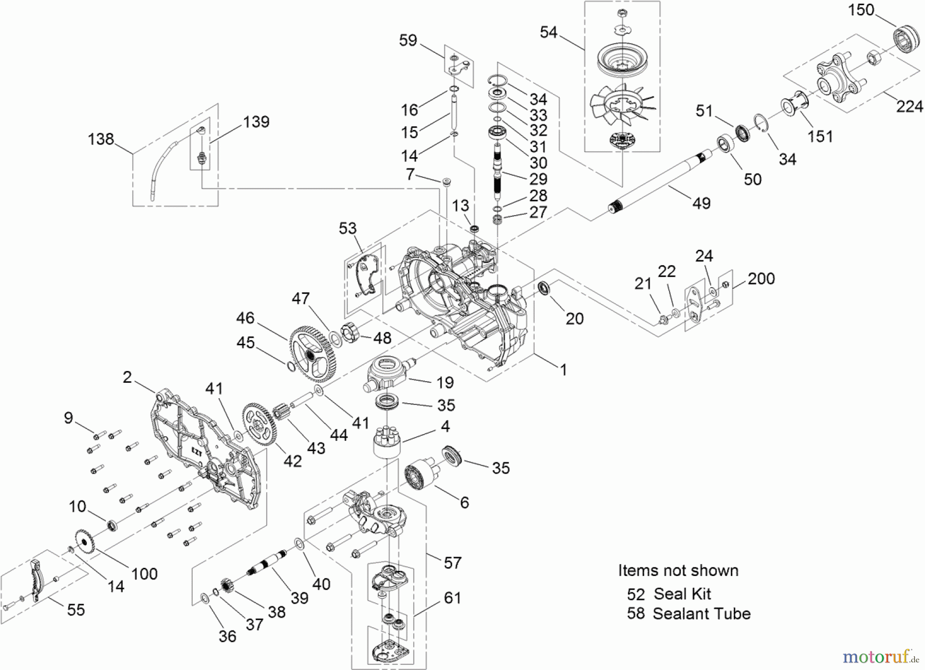
Toro 74387 (ZS 5000) - TimeCutter ZS 5000 Riding Mower, 2011 (311000001-311999999) RH HYDRO TRANSAXLE ASSEMBLY NO. 119-3351 Spareparts
RH HYDRO TRANSAXLE ASSEMBLY NO. 119-3351 74387 (ZS 5000) - Toro TimeCutter ZS 5000 Riding Mower, 2011 (311000001-311999999)



Report Error
Help us to improve this site. Notify us if something is wrong here.

