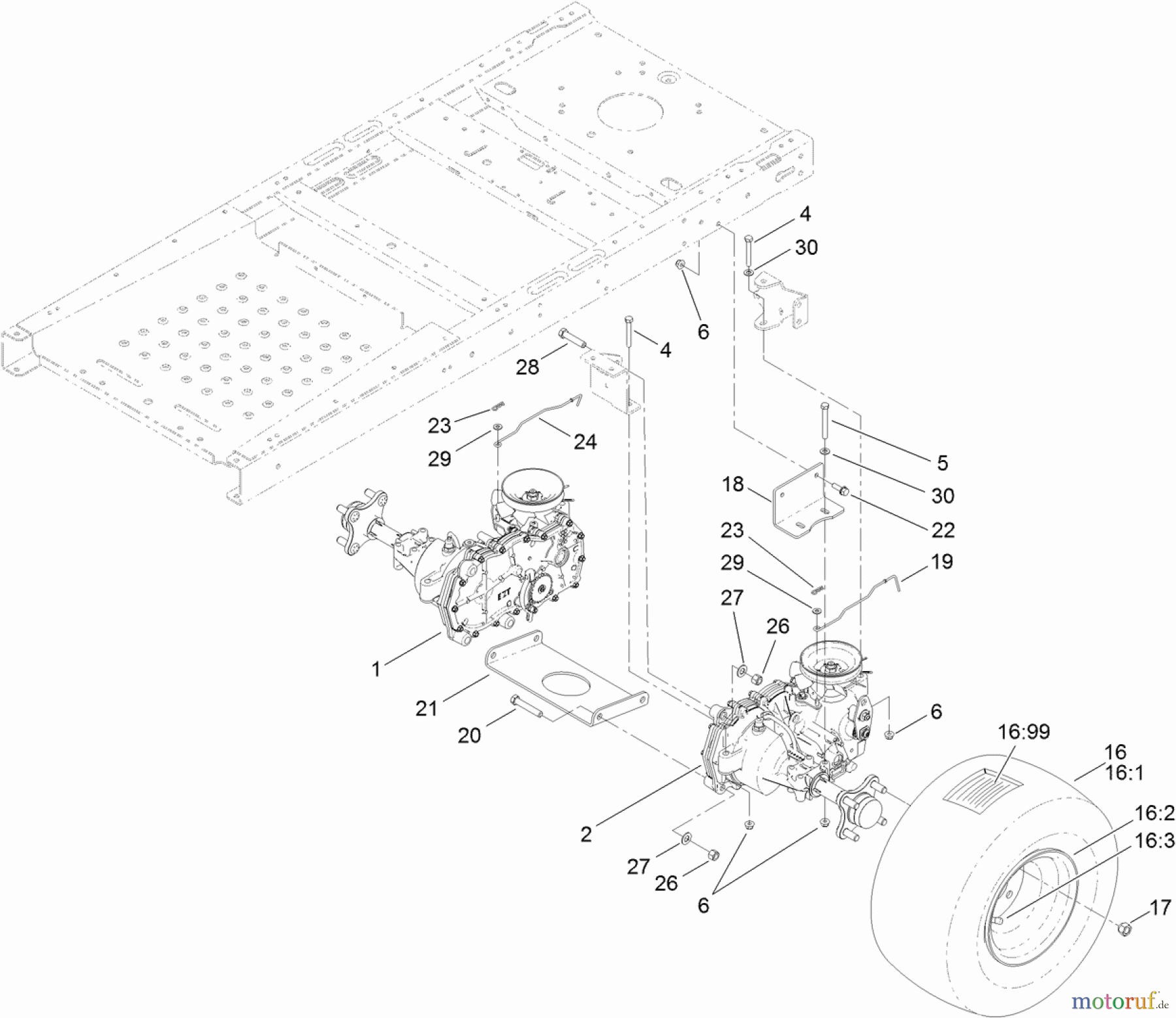
Toro 74389 (ZS 4200S) - TimeCutter ZS 4200S Riding Mower, 2012 (SN 312000001-312999999) HYDRO TRANSAXLE DRIVE AND REAR WHEEL ASSEMBLY Spareparts
HYDRO TRANSAXLE DRIVE AND REAR WHEEL ASSEMBLY 74389 (ZS 4200S) - Toro TimeCutter ZS 4200S Riding Mower, 2012 (SN 312000001-312999999)



Report Error
Help us to improve this site. Notify us if something is wrong here.

