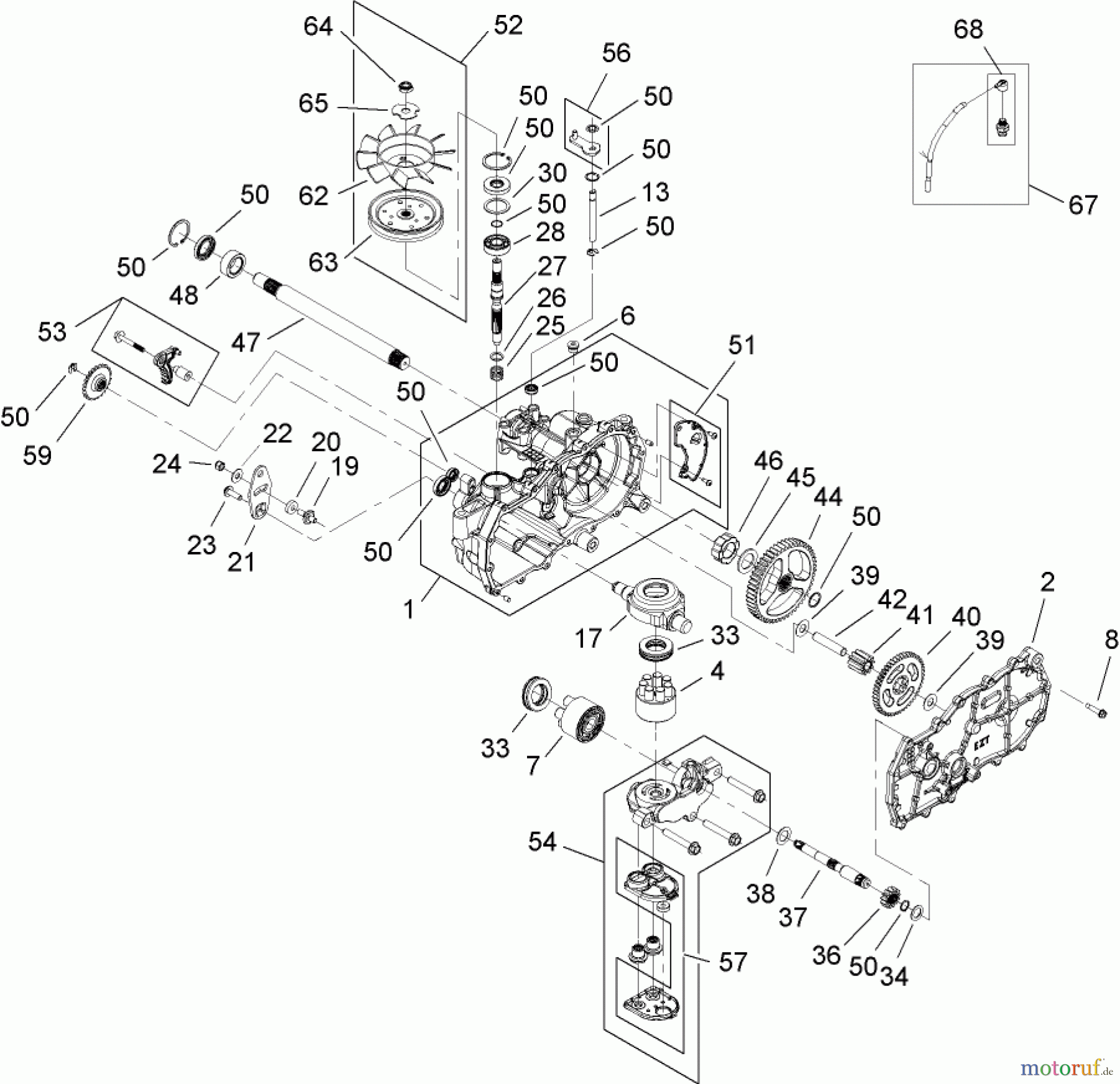
Toro 74399 (Z5020) - TimeCutter Z5020 Riding Mower, 2008 (280000001-280999999) RH HYDRO ASSEMBLY NO. 110-6771 Spareparts
RH HYDRO ASSEMBLY NO. 110-6771 74399 (Z5020) - Toro TimeCutter Z5020 Riding Mower, 2008 (280000001-280999999)



Report Error
Help us to improve this site. Notify us if something is wrong here.

