Toro 74434 (ZD530) - TimeCutter ZD530 Riding Mower, 2007 (270000001-270999999) FAN COVER ASSEMBLY HONDA GXV530 EXA2 Spareparts
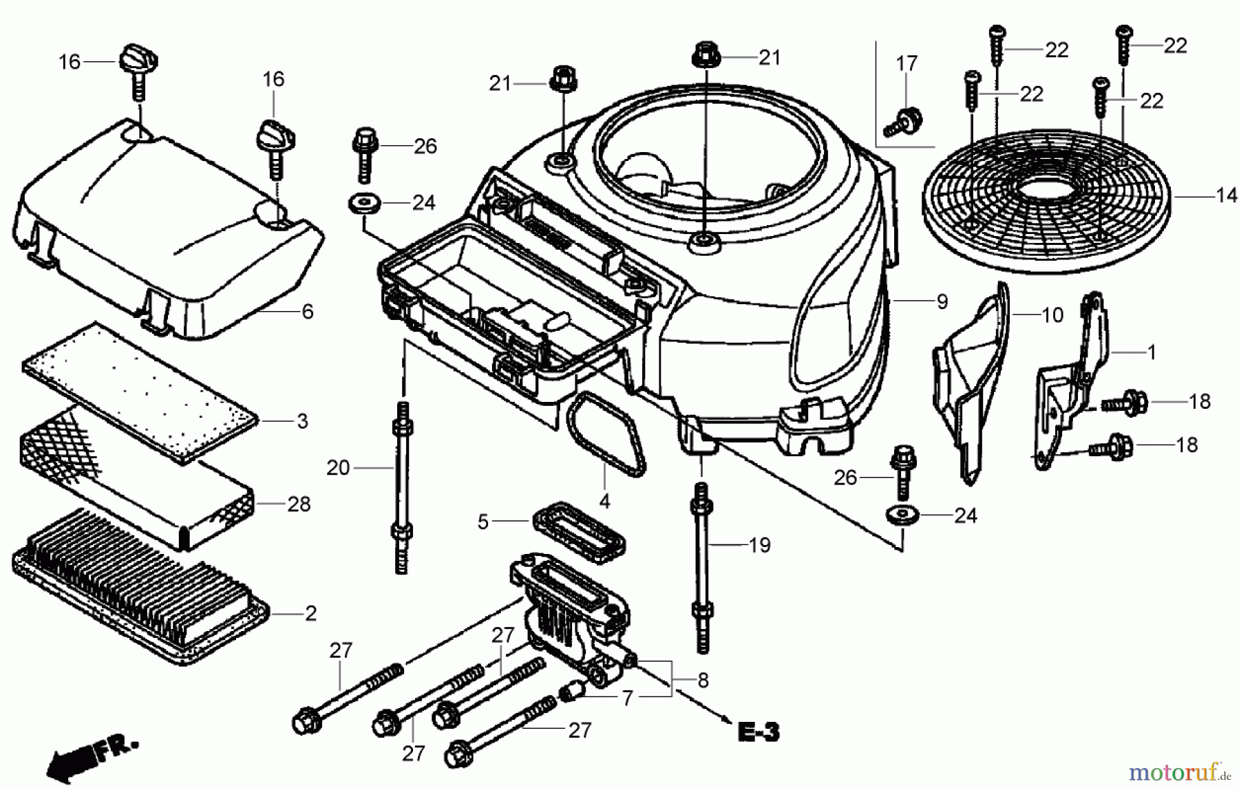
FAN COVER ASSEMBLY HONDA GXV530 EXA2 74434 (ZD530) - Toro TimeCutter ZD530 Riding Mower, 2007 (270000001-270999999)



Report Error
Help us to improve this site. Notify us if something is wrong here.

