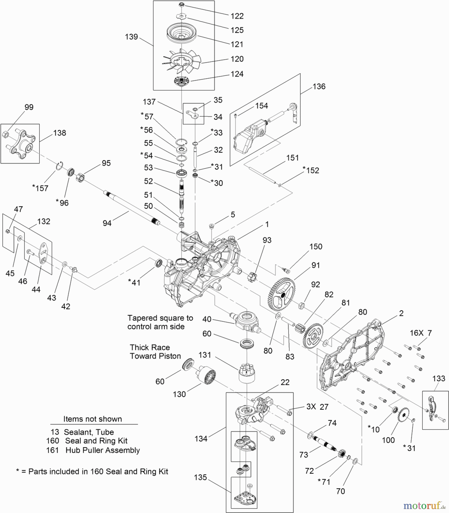
Toro 74620 (3200) - TimeCutter SS 3200 Riding Mower, 2011 (311000001-311999999) RIGHT HAND HYDRO TRANSAXLE ASSEMBLY NO. 119-3331 Spareparts
RIGHT HAND HYDRO TRANSAXLE ASSEMBLY NO. 119-3331 74620 (3200) - Toro TimeCutter SS 3200 Riding Mower, 2011 (311000001-311999999)



Report Error
Help us to improve this site. Notify us if something is wrong here.

