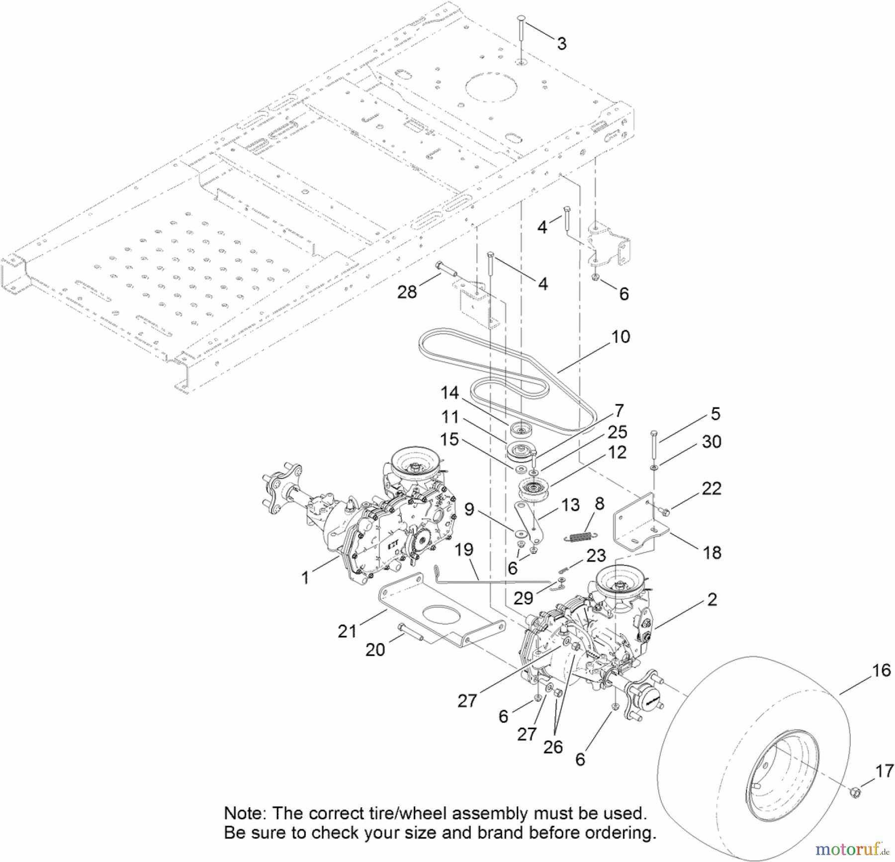
Toro 74622 (4200) - TimeCutter SS 4200 Riding Mower, 2011 (311000001-311999999) HYDRO TRANSAXLE DRIVE AND REAR WHEEL ASSEMBLY Spareparts
HYDRO TRANSAXLE DRIVE AND REAR WHEEL ASSEMBLY 74622 (4200) - Toro TimeCutter SS 4200 Riding Mower, 2011 (311000001-311999999)



Report Error
Help us to improve this site. Notify us if something is wrong here.

