.com
Shopping Basket
empty
Your Account
Log in
Register
Home
Contact
About
Guestbook
Shipping Costs
Terms and Privacy
SPAREPARTS
Search by Part Number
Diagrams & Parts Lists
Gardening & Forestry
Industry & Shop
Chainsaw Chains
Guide Bars
Sprocket Rims
CATALOG
Mowing, trimming
Engine parts
Workshop
Components
Forestry
Electrical items
Winter items
V-belts / Pulleys
Filters
Toys
Agricultural Parts
Topseller
SERVICE
We search for You
Determine Chain
DE
EN
FR
ES
IT
Mobile
Toro 31995 (1032) - 1032 Snowthrower, 1975 (5000001-5999999) ENGINE ASSEMBLY Spareparts
Start
Toro Neu
Snow Blowers/Snow Throwers
Seite 1
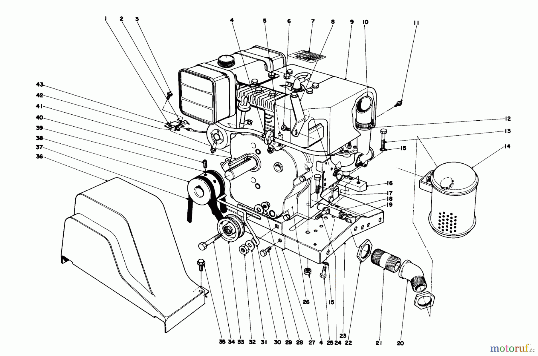
31995 (1032) - Toro 1032 Snowthrower, 1975 (5000001-5999999)
ENGINE ASSEMBLY
ENGINE ASSEMBLY 31995 (1032) - Toro 1032 Snowthrower, 1975 (5000001-5999999)
Pos
Article Number
Description
1
TR22-9060
HALTER
2
TR2412-18
2412-51
3
TR3290-321
Schraube
4
TR32152-1
Mutter
5
TR22-9050
DISCONTINUED
6
TR32140-61
DISCONTINUED
7
TR22-9990
SCHILD
8
TR23-2460
DISCONTINUED
9
TR22-9210
LUFTLEITBLECH
10
TR23-2310
DISCONTINUED
11
TR32104-76
Schraube
12
TR2412-53
DISCONTINUED
13
TR322-9
Schraube
14
TR22-9080
DISCONTINUED
15
TR3255-8
Federring
16
TR22-8960
MONTAGEBOCK
17
TR322-7
Schraube
18
TR289-20
Rohrverlaengerung
19
TR288-4
CAP-PIPE
20
TR2811-15
AUSPUFFKRUEMMER
21
TR22-9070
DISCONTINUED
22
TR3290-163
Mutter
23
TR22-9030
DISCONTINUED
24
TR3231-27
Schraube
25
TR322-3
Schraube
26
TR221470
27
TR22-7960
HALTEPLATTE
28
TR3290-357
NUT-HHF, WHIZ
29
TR32104-6
SCREW-HH, THD CUT
30
TR8-8830
Riemenfuehrung
31
TR3256-25
Scheibe
32
TR32146-2
32153-2
33
TR244-63
Riemenspannscheibe
34
TR323-8
SCREW-HH
35
TR32144-10
SCREW-HWH
36
TR17-6550
Keilriemenschutz
37
TR23-9080
KEILRIEMEN
38
TR21-4100
DISCONTINUED
39
TR17-6540
Keilriemen
40
TR3246-14
3246-3
41
TR5-0930
Keil
42
TR32149-7
Mutter
43
TR218-475
ISOLIERKLEMME
Report Error
Help us to improve this site. Notify us if something is wrong here.