.com
Shopping Basket
empty
Your Account
Log in
Register
Home
Contact
About
Guestbook
Shipping Costs
Terms and Privacy
SPAREPARTS
Search by Part Number
Diagrams & Parts Lists
Gardening & Forestry
Industry & Shop
Chainsaw Chains
Guide Bars
Sprocket Rims
CATALOG
Mowing, trimming
Engine parts
Workshop
Components
Forestry
Electrical items
Winter items
V-belts / Pulleys
Filters
Toys
Agricultural Parts
Topseller
SERVICE
We search for You
Determine Chain
DE
EN
FR
ES
IT
Mobile
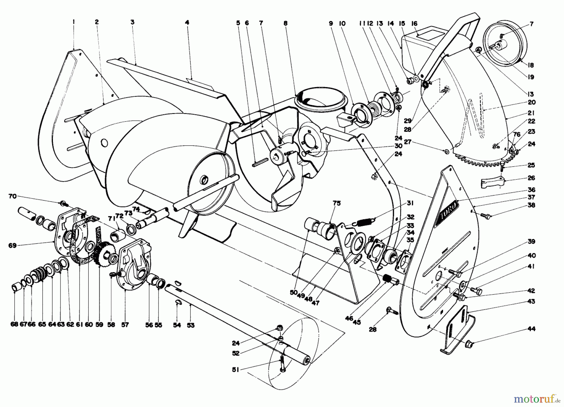
Toro 31995 (1032) - 1032 Snowthrower, 1976 (6000001-6999999) AUGER ASSEMBLY Spareparts
Start
Toro Neu
Snow Blowers/Snow Throwers
Seite 1
31995 (1032) - Toro 1032 Snowthrower, 1976 (6000001-6999999)
AUGER ASSEMBLY
AUGER ASSEMBLY 31995 (1032) - Toro 1032 Snowthrower, 1976 (6000001-6999999)
Pos
Article Number
Description
1
TR8-8450
SEITENPLATTE RECHTS
2
TR25-5050
RAEUMSCHNECKE RECHTS
TR25-5060
26-6190
3
TR25-5110
Raeumgehaeuse
4
TR22-8130
94-2568
5
TR6-8590
KEY
6
TR19-8890
GEBLAESERAD
7
TR3242-4
Schraube
8
TR25-5170
Aufsitzring
9
TR251-229
BRG FLANGE
10
TR251-224
Lager Incl. Stellring
11
TR251-231
EXT LOCKING COLLAR
12
TR3245-32
Schraube
13
TR32152-2
NUT-LOCK, CONE
14
TR5-8589
11-7120-01
15
TR3290-340
WASHER-BELLEVILLE
16
TR22-8730
DISCONTINUED
18
TR5-7400
Riemenscheibe
19
TR3-6857
KEIL
20
TR12-2040
Auswurfschutz
21
TR25-5440
92-6335-01
22
TR3230-18
SCHRAUBE
23
TR25-5290
25-5290-01
24
TR321
PART CAT OPC
25
TR32144-9
SCREW-TAP
26
TR25-5450
Fuehrungsstueck
27
TR3290-326
Mutter
28
TR3231-27
Schraube
29
TR20-4320
Scheibe
30
TR3230-1
Schraube
31
TR5-7290
Feder
32
TR32152-4
Mutter
33
TR20-0990
Lagerflansch
34
TR20-0980
BEARING
35
TR20-1000
Lagerflansch
36
TR17-6500
Schild
37
TR8-8440
SEITENPLATTE LINKS
38
TR322-2
Schraube
39
TR321-3
SCREW-HH
40
TR34750
41
TR323-6
Schraube
42
TR3234-11
Schraube
43
TR20-2850
GLEITKUFE
44
TR3290-357
NUT-HHF, WHIZ
45
TR25-5140
DISCONTINUED
46
TR25-5150
Daempfer
47
TR20-0300
Distanzscheibe
48
TR19-9160
Schuerfleiste
49
TR32128-21
Mutter
50
TR19-9150
Buechse
51
TR17-7030
SCHRAUBE
52
TR25-5090
SPACER-HUB, AUGER
53
TR11-7010
Welle
54
TR3257-33
Keil
55
TR7-0045
Simmerring
56
TR256-237
BUSHING
57
TR19-6970
14-2459
58
TR281-1
Oelstopfen
59
TR5-7180
SCHNECKENRAD
60
TR252-71
Scheibe
61
TR19-8520
51-0460
62
TR252-78
Scheibe
63
TR252-76
Lager
64
TR252-77
Scheibe
65
TR5-7170
Schnecke
66
TR3-8664
Scheibe
67
TR32120-72
RING
68
TR256-32
Buechse
69
TR19-6980
GEHAEUSEHAELFTE RECHTS
70
TR32144-11
Schraube
71
TR20-3210
BUSHING-SPECIAL
72
TR237-87
Dichtung
73
TR19-8540
Antriebswelle
74
TR3257-23
KEY-WOODRUFF
75
TR25-9640
DISCONTINUED
76
TR3256-23
Scheibe
TR20-0650
DISCONTINUED PRC4
TR25-5280
GETRIEBE KOMPL.
Report Error
Help us to improve this site. Notify us if something is wrong here.