.com
Shopping Basket
empty
Your Account
Log in
Register
Home
Contact
About
Guestbook
Shipping Costs
Terms and Privacy
SPAREPARTS
Search by Part Number
Diagrams & Parts Lists
Gardening & Forestry
Industry & Shop
Chainsaw Chains
Guide Bars
Sprocket Rims
CATALOG
Mowing, trimming
Engine parts
Workshop
Components
Forestry
Electrical items
Winter items
V-belts / Pulleys
Filters
Toys
Agricultural Parts
Topseller
SERVICE
We search for You
Determine Chain
DE
EN
FR
ES
IT
Mobile
Dolmar Benzin PB-250 (USA) 2 Luftfilter, Vergaser, Zubehör Spareparts
Start
Dolmar
Blasgeräte
Benzin
PB-250 (USA)
2 Luftfilter, Vergaser, Zubehör
2 Luftfilter, Vergaser, Zubehör PB-250 (USA)
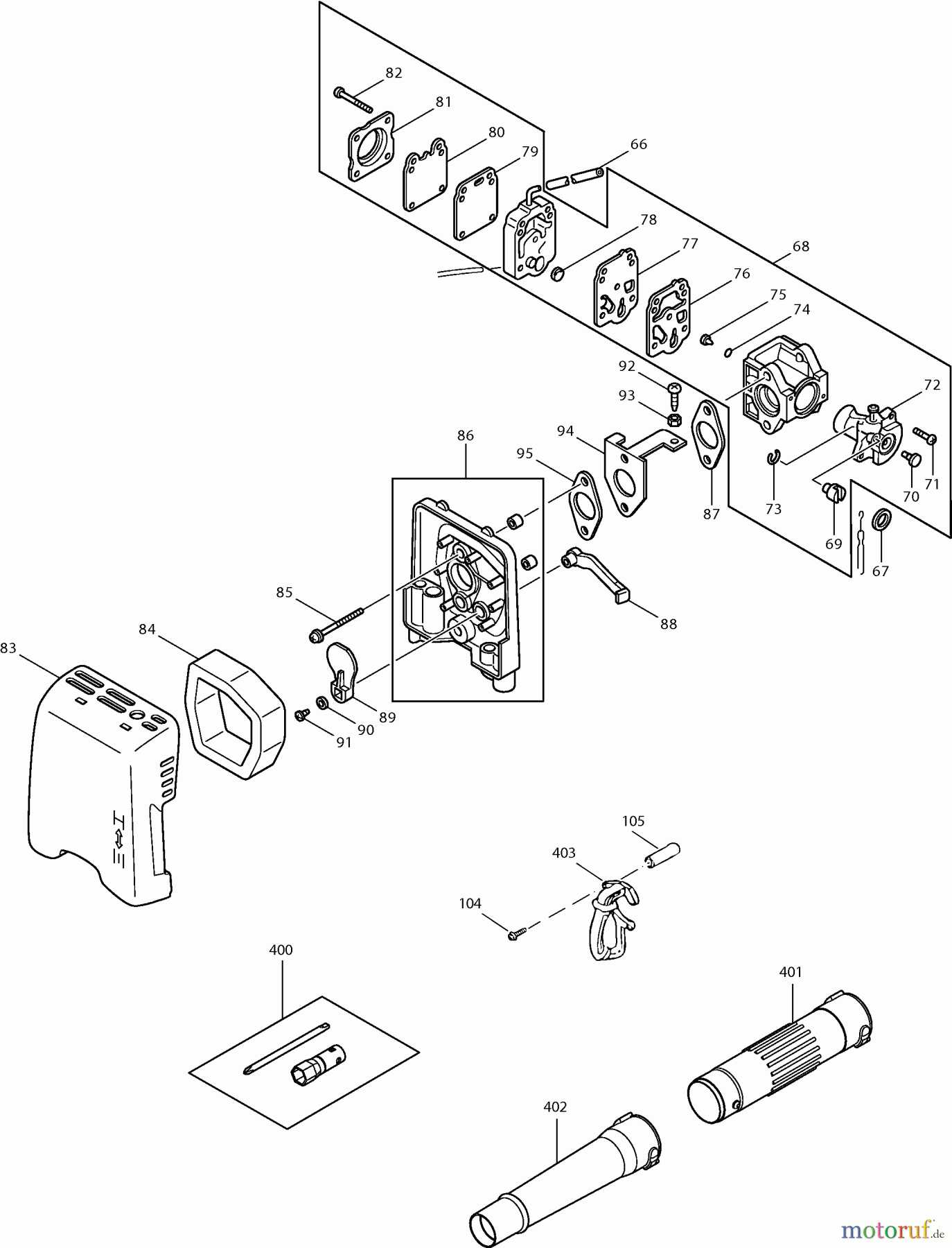
Pos
Article Number
Description
66
0851139962
SCHLAUCH
67
5219500000
HALTERING
68
374601300
VERGASER
69
325922-6
DREHGELENK
70
381600811
STOPFEN
71
388600803
ZYLINDERSCHRAUBE
72
5236047022
DROSSEL
73
257964-1
SICHERUNGSRING E-3
74
213538-8
O-RING 2
75
WJ00112288
DÜSE
76
442172-9
DICHTUNG
77
WJ00009599
PUMPENMEMBRAN
78
WJ00014070
SIEB
79
442183-4
DICHTUNG
80
001151460
STEUERMEMBRAN
81
388600503
PUMPENDECKEL
82
388600202
SCHRAUBE
83
5233504602
LUFTFILTERGEHÄUSE
84
443167-5
LUFTFILTER
85
911288-6
KOMBI-SCHRAUBE M5X65
86
5233048001
LUFTFILTERBODEN
87
5233504200
DICHTUNG
88
5233504801
CHOKEHEBEL
89
5233505002
CHOKEKLAPPE
90
0031104000
SCHEIBE
91
0150049980
SCHRAUBE SELBSTSCHNEIDEND M4X8
92
377650080
ANSCHLAGSCHRAUBE
93
377170400
MUTTER
94
374601400
ANSCHLAG
95
5233504200
DICHTUNG
104
377266877
SCHRAUBE M5X55 W/WR
105
377550380
DISTANZBUCHSE
400
377900100
WERKZEUGSATZ
401
374950250
BLASROHR
401
957377250
BLASROHR UND VERLÄNGERUNGSROHR SATZ INC.102,401
402
377950710
RUNDDÜSE
403
377454864
GRIFF
Report Error
Help us to improve this site. Notify us if something is wrong here.