.com
Shopping Basket
empty
Your Account
Log in
Register
Home
Contact
About
Guestbook
Shipping Costs
Terms and Privacy
SPAREPARTS
Search by Part Number
Diagrams & Parts Lists
Gardening & Forestry
Industry & Shop
Chainsaw Chains
Guide Bars
Sprocket Rims
CATALOG
Mowing, trimming
Engine parts
Workshop
Components
Forestry
Electrical items
Winter items
V-belts / Pulleys
Filters
Toys
Agricultural Parts
Topseller
SERVICE
We search for You
Determine Chain
DE
EN
FR
ES
IT
Mobile
Dolmar Benzin HT2360D 2 Motor, Anwerfvorrichtung, Kraftstofftank Spareparts
Start
Dolmar
Heckenscheren
Benzin
HT2360D
2 Motor, Anwerfvorrichtung, Kraftstofftank
2 Motor, Anwerfvorrichtung, Kraftstofftank HT2360D
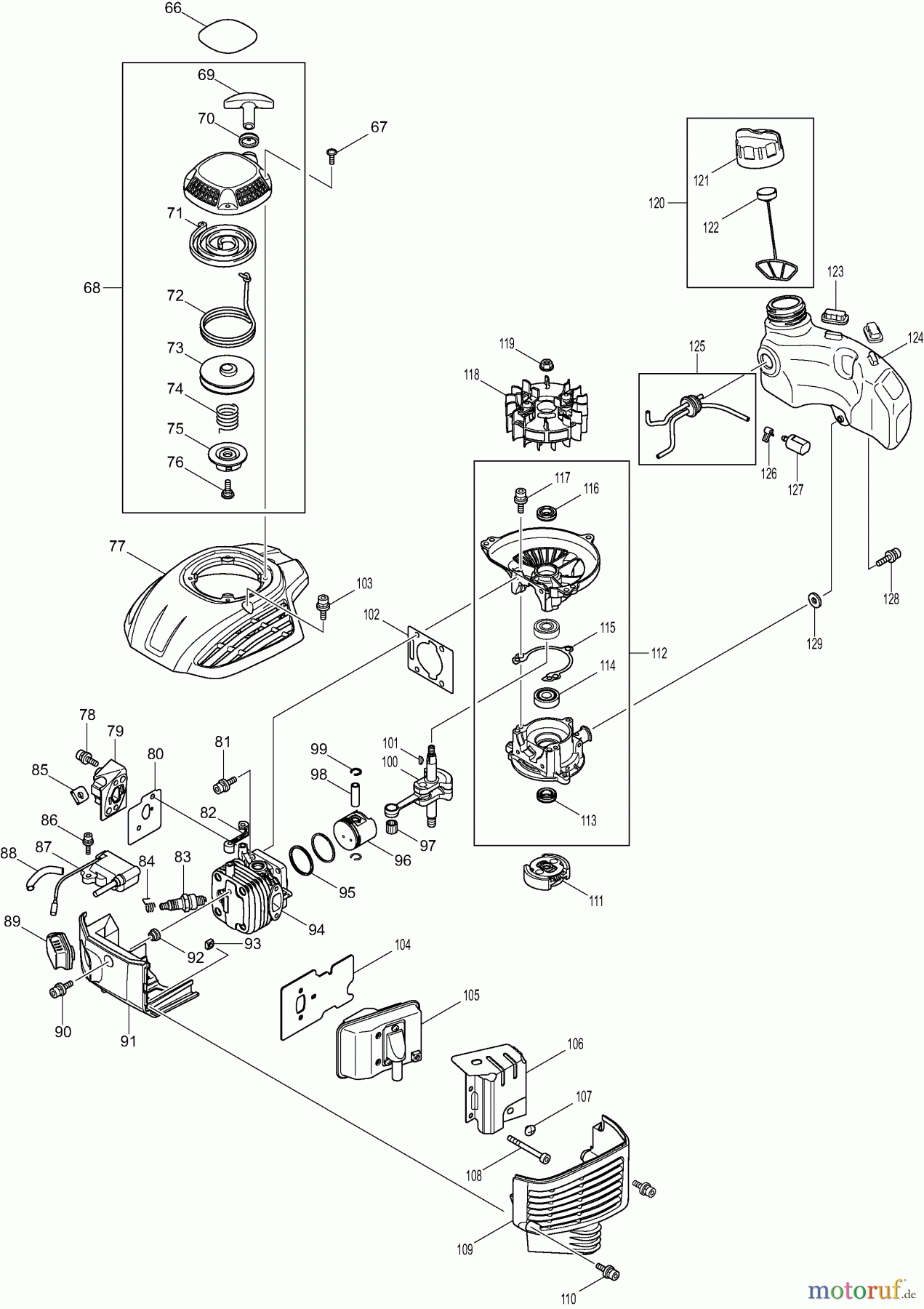
Pos
Article Number
Description
66
374892381
SCHILD HT-2360 D
67
374004986
SCHNEIDSCHRAUBE M4X14
68
125753-1
ANWERFVORRICHTUNG KPL.
69
965404031
ANWERFGRIFF
70
388500104
DÄMPFER
71
232258-5
SPIRALFEDER
72
374444028
ANWERFSEIL
73
452402-0
SEILTROMMEL
74
233991-2
DÄMPFERFEDER
75
452403-8
STEUERSCHEIBE
76
367266585
BLECHSCHRAUBE 5X12
77
452949-4
VENTILATORGEHÄUSE
78
374905945
SCHRAUBE M5X18
79
374451911
ZWISCHENFLANSCH
80
346268-7
DICHTUNG F. ZWISCHENFLANSCH
81
0119059870
SCHRAUBE M5X18
82
374452556
DISTANZSTÜCK
83
965603030
ZÜNDKERZE NGK CMR6A
84
324891-8
STECKERKAPPENFEDER
85
374811353
GUMMITüLLE
86
367922138
INNEN-6 KANT-SCHRAUBE M4X20
87
168684-1
ZÜNDANKER
88
412102-4
SCHLAUCH
89
424302-4
STECKERKAPPE
90
0119059620
SCHRAUBE M5X18
91
374451860
ZYLINDERHAUBE
92
374350300
DISTANZSTÜCK
93
264050-1
4KT-MUTTER M5-8
94
141381-4
ZYLINDER KPL.
95
257334-4
KOLBENRING
96
S115313750
KOLBEN
97
212702-8
NADELLAGER
98
256543-2
KOLBENBOLZEN 8
99
234243-4
SPRENGRING
100
374140429
KURBELWELLE KPL.
101
S034309031
SCHEIBENFEDER
102
346267-9
DICHTUNG
103
0119059870
SCHRAUBE M5X18
104
346260-3
DICHTUNG SCHALLDÄMPFER
105
161555-1
SCHALLDäMPFER
106
346343-9
VERBRENNUNGSSCHUTZ
107
367265184
SCHRAUBE M5X5
108
381905955
INNEN-6 KANT-SCHRAUBE
109
374451861
SCHALLDÄMPFERHAUBE
110
0119059620
SCHRAUBE M5X18
111
141150-3
KUPPLUNG KPL.
112
374101600
KURBELGEHÄUSE KPL.
113
213769-9
ÖLDICHTUNG 10
114
367211064
KUGELLAGER 6000
115
413139-4
DICHTUNG
116
213769-9
ÖLDICHTUNG 10
117
0119059870
SCHRAUBE M5X18
118
374126046
POLRAD KPL.
119
374010911
MUTTER M6
120
125770-1
KRAFTSTOFFTANKDECKEL KPL.
121
-
KRAFTSTOFFTANKDECKEL
122
-
VERLIERSICHERUNG
123
424080-6
GUMMIDäMPFER
124
451867-3
KRAFTSTOFFTANK
124
458743-2
KRAFTSTOFFTANK
125
168568-3
SCHLAUCH KPL.
126
345920-4
SCHLAUCHKLEMME
127
163518-3
BENZINFILTER
128
251583-5
INNEN-6 KANT-BUNDSCHRAUBE M5
128
374905935
INNEN-6 KANT-SCHRAUBE M5X20
129
374452197
DISTANZSCHEIBE
129
458095-1
DISTANZSCHEIBE
Report Error
Help us to improve this site. Notify us if something is wrong here.