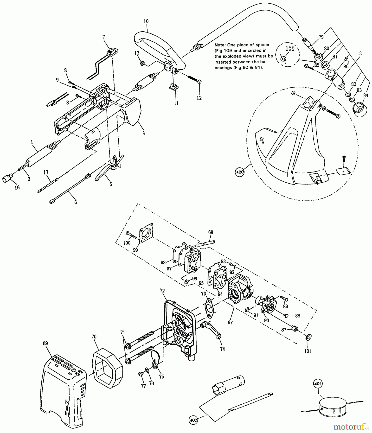
Dolmar Benzin 2-Takt LT-250 (USA) 4 Hauptrohr, Griff, Schutzhaube, Getriebegehäuse, Vergaser, Luftfilter, Zubehör Spareparts
4 Hauptrohr, Griff, Schutzhaube, Getriebegehäuse, Vergaser, Luftfilter, Zubehör LT-250 (USA)



Report Error
Help us to improve this site. Notify us if something is wrong here.





