.com
Home
Contact
About
Guestbook
Shipping Costs
Terms and Privacy
SPAREPARTS
Search by Part Number
Diagrams & Parts Lists
Gardening & Forestry
Industry & Shop
Chainsaw Chains
Guide Bars
Sprocket Rims
CATALOG
Mowing, trimming
Engine parts
Workshop
Components
Forestry
Electrical items
Winter items
V-belts / Pulleys
Filters
Toys
Agricultural Parts
Topseller
SERVICE
We search for You
Determine Chain
Your Account
Log in
Register
Settings
DE
EN
FR
ES
IT
PC Version
Dolmar Elektro EM-4016 EM-4016 (2002) 2 EM-4016 Spareparts
Start
Dolmar
Rasenmäher
Elektro
EM-4016
EM-4016 (2002)
2 EM-4016
2 EM-4016 EM-4016 (2002)
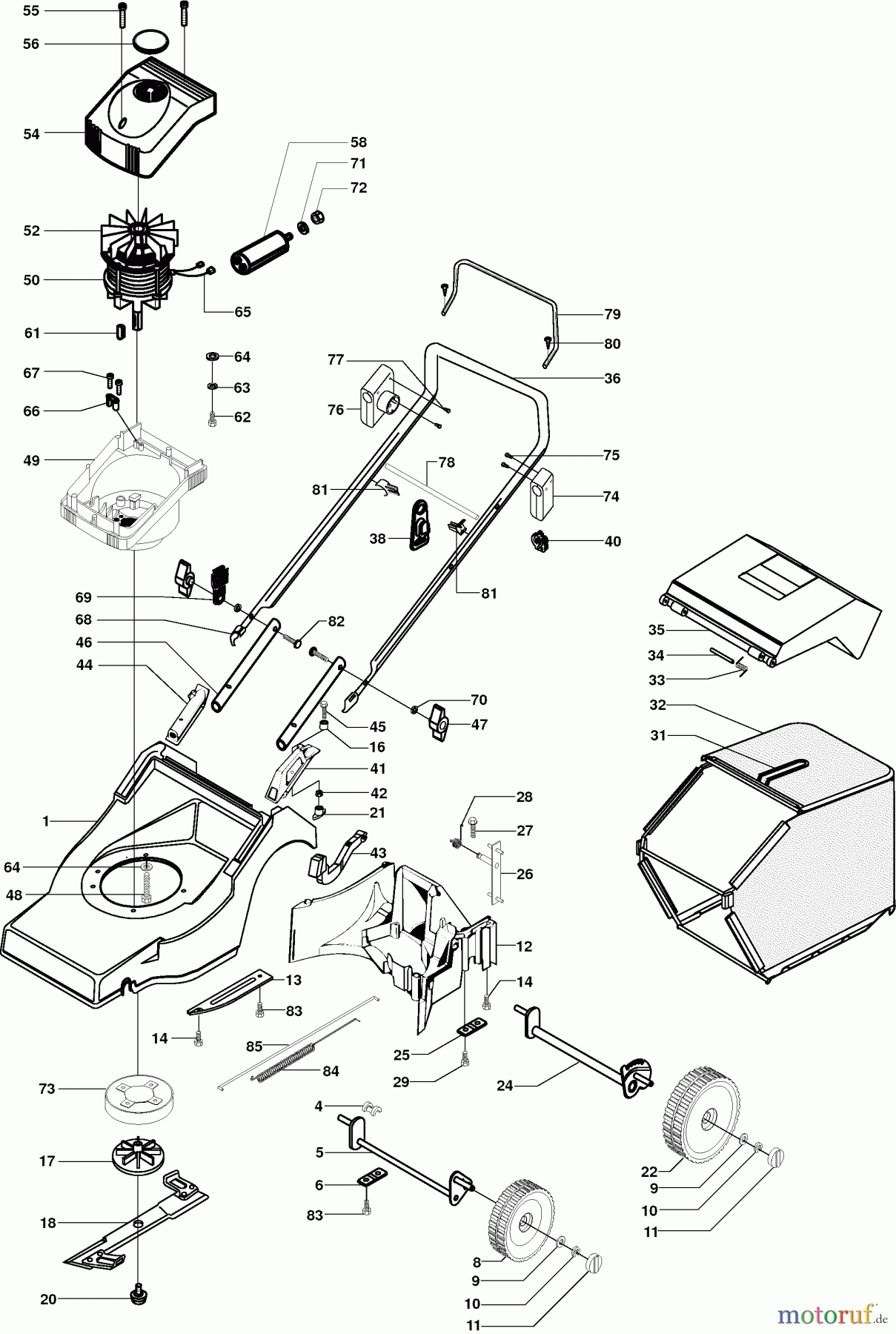
Pos
Article Number
Description
1
663548198
GEHäUSE ORANGE
4
661300049
LAGERSCHALE
5
661300580
ACHSE VORNE
6
661300101
LAGERPLATTE
8
661300499
LAUFRAD VORNE
9
663703790
SCHEIBE
10
663702893
SICHERUNGSSCHEIBE 10
11
661300509
KAPPE
12
663548201
HECKTEIL
13
661300494
ABDECKUNG
14
908006205
SCHRAUBE T M6X20
16
662300655
SCHRAUBENSICHERUNG
17
663513613
MESSERHALTER
18
663531486
MESSER 1-TEILIG 40 CM
20
663313605
MESSERSCHRAUBE
21
662300656
MUTTERNISOLIERUNG
22
661300511
HINTERRAD
24
661300622
ACHSE HINTEN
25
662300623
ACHSKLEMMTEIL
26
661300523
VERSTELLKULISSE
27
661300521
ARRETIERSTIFT
28
661300582
FEDER
29
663543556
SCHRAUBE 4X20
31
661300658
RAHMEN
32
661013071
GRASFANGSACK
33
661300604
SCHENKELFEDER
34
661300603
ZAPFEN
35
663524713
HECKKLAPPE TAMPONIERT
36
663548263
FüHRUNGSHOLM OBEN RAL 9005
38
663325518
KABELHALTERUNG
40
663342887
HOLMKLEMME
41
661300515
GRIFF
42
920406000
SECHSKANTMUTTER M6
43
661300514
ENTRIEGELUNG
44
661300516
ISOLIERUNG
45
663703961
SCHRAUBE 6X60
46
663548167
FüHRUNGSHOLM UNTEN RAL 9005
47
663544757
FLüGELMUTTER M6
48
663525798
SCHRAUBE PT-KB 8 X 40
49
663548150
MOTORGEHäUSE RAL 9005
50
663548176
MOTOR 1600 W
52
663319243
LüFTERRAD
54
663507964
MOTORABDECKUNG
55
663348977
SCHRAUBE 4X45
56
663348473
SICHTFENSTER
58
663330873
KONDENSATOR
61
663700391
PAßFEDER
62
900208204
6KT-SCHRAUBE M8X20
63
663700201
FÄCHERSCHEIBE A8.4
64
663700138
SCHEIBE A 8.4
65
663506866
KABEL
66
663329947
ZUGENTLASTUNG
67
663510281
SCHRAUBE 35X20
68
663305786
SCHUTZKAPPE
69
663511441
KABELFüHRUNG
70
924806400
SCHEIBE A 6.4
71
663700150
SCHEIBE 8.4
72
663701012
MUTTER M8
73
663548177
SCHUTZTOPF
74
663508412
BüGELLAGER LINKS
75
663349507
SCHRAUBE 4X25
76
663516506
BüGELLAGER RECHTS
77
663510281
SCHRAUBE 35X20
78
663548214
STANGE, VERZINKT
79
663548213
SCHALTBüGEL RAL 9005
80
663703704
SCHRAUBE 3,5X13
81
663511443
HALTERUNG
82
663702854
SCHRAUBE M6X45
83
663510468
SCHRAUBE 6X16
84
663546099
ZUGFEDER
85
663290174
ZUGSTANGE
Report Error
Help us to improve this site. Notify us if something is wrong here.