.com
Shopping Basket
empty
Your Account
Log in
Register
Home
Contact
About
Guestbook
Shipping Costs
Terms and Privacy
SPAREPARTS
Search by Part Number
Diagrams & Parts Lists
Gardening & Forestry
Industry & Shop
Chainsaw Chains
Guide Bars
Sprocket Rims
CATALOG
Mowing, trimming
Engine parts
Workshop
Components
Forestry
Electrical items
Winter items
V-belts / Pulleys
Filters
Toys
Agricultural Parts
Topseller
SERVICE
We search for You
Determine Chain
DE
EN
FR
ES
IT
Mobile
Dolmar TM9214H TM-92.14 H (2008) 9 SCHNEIDWERKZEUG (2) Spareparts
Start
Dolmar
Rasentraktoren
TM9214H
TM-92.14 H (2008)
9 SCHNEIDWERKZEUG (2)
9 SCHNEIDWERKZEUG (2) TM-92.14 H (2008)
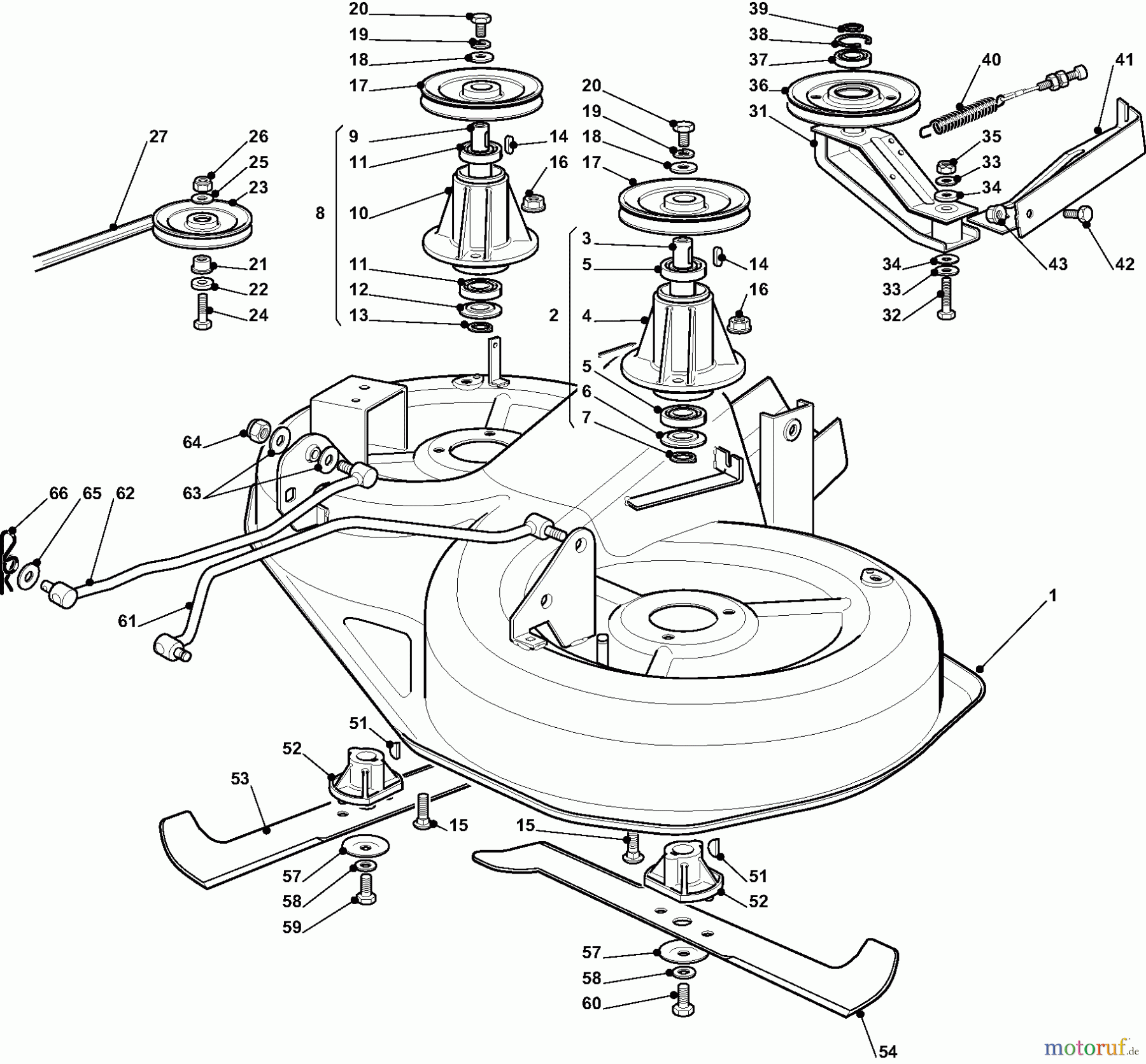
Pos
Article Number
Description
1
664564075
MÄHDECK
2
664207202
NABE LINKS KPL.
3
664020802
WELLE
4
664207200
LAGERBOCK
5
664216047
KUGELLAGER
6
664160501
STAUBSCHUTZSCHEIBE
7
664609260
SICHERUNGSRING
8
664207203
NABE RECHTS KPL.
9
664020803
WELLE
10
664207200
LAGERBOCK
11
664216047
KUGELLAGER
12
664160501
STAUBSCHUTZSCHEIBE
13
664609260
SICHERUNGSRING
14
664139480
KEIL
15
664818700
SCHRAUBE
16
664154210
MUTTER
17
664601563
RIEMENSCHEIBE
18
664670007
SCHEIBE
19
664583500
FEDERRING
20
664793102
SCHRAUBE
21
664160007
DISTANZSTÜCK
22
664670007
SCHEIBE
23
664601555
RIEMENSCHEIBE
24
664691115
SCHRAUBE
25
664523060
SCHEIBE
26
664155000
MUTTER
27
664061508
KEILRIEMEN
31
664318141
HEBEL
32
664691700
SCHRAUBE
33
664523070
SCHEIBE
34
664672152
SCHEIBE
35
664155000
MUTTER
36
664601564
RIEMENSCHEIBE
37
664216048
KUGELLAGER
38
664610800
SPRENGRING
39
664609200
SICHERUNGSRING
40
664004618
BOWDENZUG
41
664774215
ANBINDUNGSBLECH
42
664792611
SCHRAUBE
43
664293201
MUTTER
51
664139100
KEIL
52
664463200
MESSERHALTER
53
664004345
FANGMESSER RECHTS
53
664004354
MULCHMESSER RECHTS
54
664004344
FANGMESSER LINKS
54
664004353
MULCHMESSER LINKS
57
664160400
FEDERSCHEIBE
58
664523080
SCHEIBE
59
664735695
SCHRAUBE L
60
664735694
SCHRAUBE R
61
664000535
KIPPHEBEL
62
664000533
KIPPHEBEL
63
664670008
SCHEIBE
64
664156602
MUTTER
65
664670008
SCHEIBE
66
664487997
SPLINT
Report Error
Help us to improve this site. Notify us if something is wrong here.