.com
Shopping Basket
empty
Your Account
Log in
Register
Home
Contact
About
Guestbook
Shipping Costs
Terms and Privacy
SPAREPARTS
Search by Part Number
Diagrams & Parts Lists
Gardening & Forestry
Industry & Shop
Chainsaw Chains
Guide Bars
Sprocket Rims
CATALOG
Mowing, trimming
Engine parts
Workshop
Components
Forestry
Electrical items
Winter items
V-belts / Pulleys
Filters
Toys
Agricultural Parts
Topseller
SERVICE
We search for You
Determine Chain
DE
EN
FR
ES
IT
Mobile
Dolmar TM-102.13 TM-102.13 (2005) 5 MOTOR Spareparts
Start
Dolmar
Rasentraktoren
TM-102.13
TM-102.13 (2005)
5 MOTOR
5 MOTOR TM-102.13 (2005)
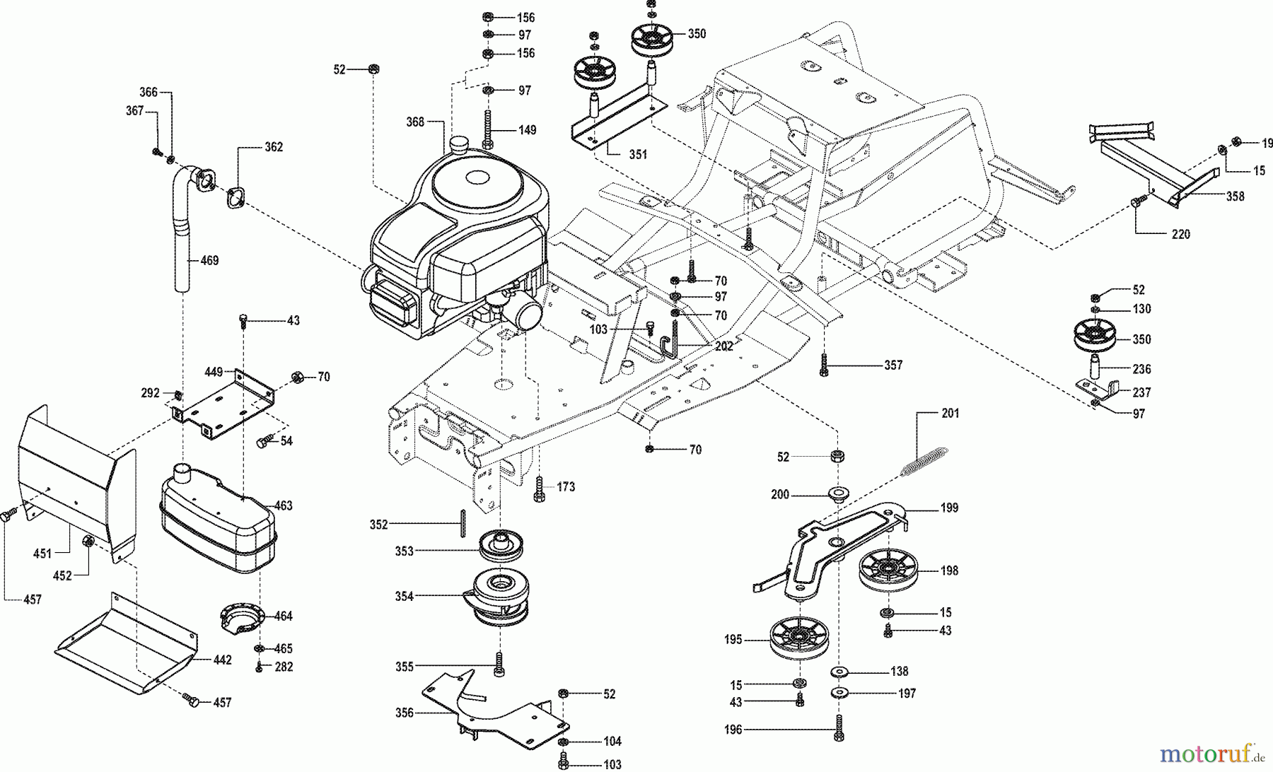
Pos
Article Number
Description
15
924806400
SCHEIBE A 6.4
19
920406000
SECHSKANTMUTTER M6
43
663523134
SCHRAUBE M6X12
52
663700121
6 KANT-MUTTER M8
54
663700545
SECHSKANTSCHRAUBE M8X16
70
663348988
MUTTER, MITTELGESICHERT M8
97
663700201
FÄCHERSCHEIBE A8.4
103
900208204
6KT-SCHRAUBE M8X20
104
663700150
SCHEIBE 8.4
130
663700138
SCHEIBE A 8.4
138
663700656
TELLERFEDER 28X10.2X1.25
149
663500207
SECHSKANTSCHRAUBE M8X45
156
663500073
SICHERUNGSMUTTER M8
173
900208354
6KT-SCHRAUBE M8X35
195
663514716
SPANNROLLE IN. M. LAGER
196
900208304
SECHSKANTSCHRAUBE M8X30
197
663701083
SCHEIBE
198
663514717
SPANNROLLE AUß. M. LAGER
199
663109630
SPANNROLLENWIPPE Ã?16
200
663480430
DISTANZBUCHSE WIPPE
201
663522087
ZUGFEDER
202
663514398
ÖSE
220
663700573
FLACHRUNDSCHRAUBE M6X20
236
663421630
ZENTRIERHÜLSE
237
663514394
RIEMENFÜHRUNG
292
663321126
KÄFIGMUTTER M6
350
663521391
UMLENKROLLE + LAGER
351
663514957
FÜHRUNGSBLECH 5-GANG 102CM
352
663514943
PASSFEDER 1/4"X1/4"X1"
353
663485730
ANTRIEBSSEGMENT
354
663514876
MESSERBREMSKUPPLUNG 102CM
355
663514944
SCHRAUBE UNF 7/16"X3"
356
663494830
RIEMENFÜHRUNG
357
663702477
SECHSKANTSCHRAUBE M8X80
358
663495101
RIEMENFÜHRUNG 5-GANG RAL9005
368
-
MOTOR BRIGGS&STRATTON
442
663521475
WÄRMELEITBLECH HAUBE4
451
663521476
LUFTLEITBLECH 2-ZYL.
452
663700798
MUTTER M6
457
663700483
SCHRAUBE M6X12
469
663461120
AUSPUFFKRÜMMER
Report Error
Help us to improve this site. Notify us if something is wrong here.