.com
Shopping Basket
empty
Your Account
Log in
Register
Home
Contact
About
Guestbook
Shipping Costs
Terms and Privacy
SPAREPARTS
Search by Part Number
Diagrams & Parts Lists
Gardening & Forestry
Industry & Shop
Chainsaw Chains
Guide Bars
Sprocket Rims
CATALOG
Mowing, trimming
Engine parts
Workshop
Components
Forestry
Electrical items
Winter items
V-belts / Pulleys
Filters
Toys
Agricultural Parts
Topseller
SERVICE
We search for You
Determine Chain
DE
EN
FR
ES
IT
Mobile
Dolmar TM-102.17 H TM-102.17 H (2001) 4 GETRIEBE, ANTRIEB Spareparts
Start
Dolmar
Rasentraktoren
TM-102.17 H
TM-102.17 H (2001)
4 GETRIEBE, ANTRIEB
4 GETRIEBE, ANTRIEB TM-102.17 H (2001)
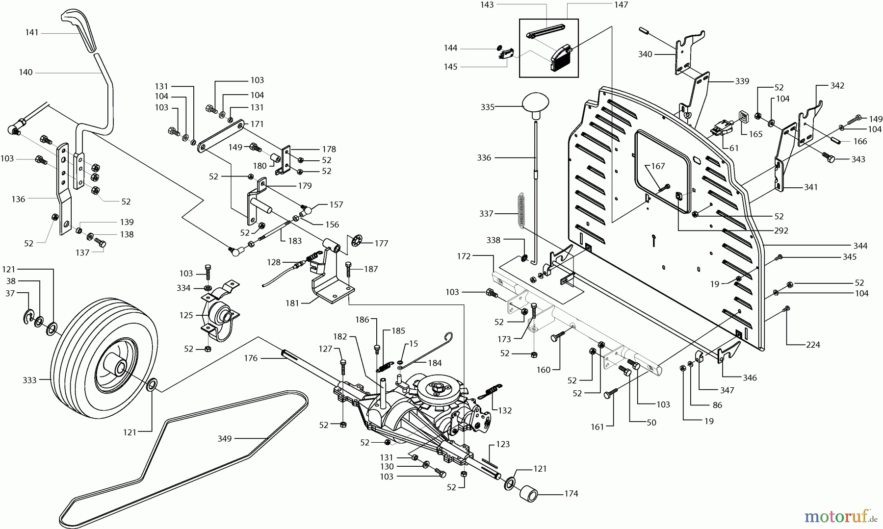
Pos
Article Number
Description
15
924806400
SCHEIBE A 6.4
19
920406000
SECHSKANTMUTTER M6
37
663702724
SICHERUNGSSCHEIBE 15
38
663700719
SCHEIBE 21
50
663701011
SECHSKANTSCHRAUBE M8X50
52
663700121
6 KANT-MUTTER M8
61
663514327
DRUCKSCHALTER
86
663700137
SCHEIBE 6.4
103
900208204
6KT-SCHRAUBE M8X20
104
663700150
SCHEIBE 8.4
121
663704263
STÜTZSCHEIBE 19X26X1.5
123
663514313
PASSFEDER 3/16"X3/16"X2 1/4"
125
663514081
Y-STEHLAGER
127
663701704
SECHSKANTSCHRAUBE M8X60
128
663514157
SCHALT-BOWDENZUG BREMSE 212 CM
130
663700138
SCHEIBE A 8.4
131
663866030
DISTANZHÜLSE
132
663514605
RÜCKSTELLFEDER BREMSH.
136
663477430
FEDERBLECH SCHALTUNG
137
663704270
SCHRAUBE M8X25
138
663700656
TELLERFEDER 28X10.2X1.25
139
663423730
DISTANZBUCHSE
140
663482230
SCHALTHEBEL
141
663514174
SCHALTGRIFF
143
663514682
SCHALTHEBEL LANG
144
663526521
SCHNELLBEFESTIGER Ã? 3 MM 3SXN26
145
663514329
MIKROSCH. FÜLLSTANDS.
147
663521339
GEHÄUSE + HEBEL KPL.
149
663703892
SECHSKANTSCHRAUBE M8X45, 8.8
156
663500073
SICHERUNGSMUTTER M8
157
663514239
WINKELGELENK
160
663701672
FLACHRUNDSCHRAUBE M8X45
161
663700967
FLACHRUNDSCHRAUBE M8X35
165
663514337
ABDECKTÜLLE F. DRUCKSCH.
166
663700661
SPANNSTIFT 6X20
167
663511693
SCHRAUBE PT-KB 50X10 1411
171
663476430
VERBINDUNGSHEBEL VERZINKT
172
663475201
VERSTEIFUNG RAL9005
173
900208354
6KT-SCHRAUBE M8X35
174
663476730
DISTANZHÜLSE HYDRO VERZINKT
176
663514728
GETRIEBE-HYDRO HG324/0500
177
663518670
SCHNELLBEFESTIGER Ø 12 12SXN26
178
663476330
KONTROLLARM VERZINKT
179
663476030
UMLENKHEBEL GESCHWEISST UND VERZINKT
180
663476530
DISTANZHÜLSE FÜR KONTROLLARM VERZINKT
181
663475730
LAGERBOCK GESCHWEISST UND VERZINKT
182
663479210
SCHLAUCH ZUSCHNITT
183
663514768
VERBINDUNGSSTANGE
184
663514772
BYPASS-RIEGEL
185
663514817
RÜCKHOLFEDER BYPASS
186
663517437
SCHNEIDSCHRAUBE DUO-TAPTITE M5X25
187
663700303
SECHSKANTSCHRAUBE M8X70
224
663700702
SECHSKANTSCHRAUBE M6X25
292
663321126
KÄFIGMUTTER M6
333
663401540
HINTERRAD 18"X8,5" RAL9006
334
663704272
PASSSCHEIBE 8X14X1,0
335
663514942
VERRIEGELUNGSKNOPF RAL 9005
336
663461288
VERRIEGELUNG KPL.
337
663521042
RÜCKHOLFEDER
338
663511249
SCHNELLBEFESTIGER Ã? 7 MM 7SXN26
339
663486201
LAGERARM RECHTS UNTEN RAL9005
340
663486301
LAGERARM RECHTS OBEN RAL9005
341
663486401
LAGERARM LINKS UNTEN RAL9005
342
663486701
LAGERARM LINKS OBEN RAL9005
343
663700844
FLACHRUNDSCHRAUBE M8X20
344
663151301
RÜCKWAND
345
663701375
LINSENKOPFSCHRAUBE M6X12
346
663493630
BOXVERRIEGELUNG
347
663317280
KABELSCHELLE
349
663514882
FAHRANTRIEBSRIEMEN 102 HYDRO
Report Error
Help us to improve this site. Notify us if something is wrong here.