.com
Home
Contact
About
Guestbook
Shipping Costs
Terms and Privacy
SPAREPARTS
Search by Part Number
Diagrams & Parts Lists
Gardening & Forestry
Industry & Shop
Chainsaw Chains
Guide Bars
Sprocket Rims
CATALOG
Mowing, trimming
Engine parts
Workshop
Components
Forestry
Electrical items
Winter items
V-belts / Pulleys
Filters
Toys
Agricultural Parts
Topseller
SERVICE
We search for You
Determine Chain
Your Account
Log in
Register
Settings
DE
EN
FR
ES
IT
PC Version
Cub Cadet Z-Force LZ 60 17BIDAGD010 (2015) Wiring diagram Spareparts
Start
Cub Cadet
Zero Turn
Z-Force LZ 60
17BIDAGD010 (2015)
Wiring diagram
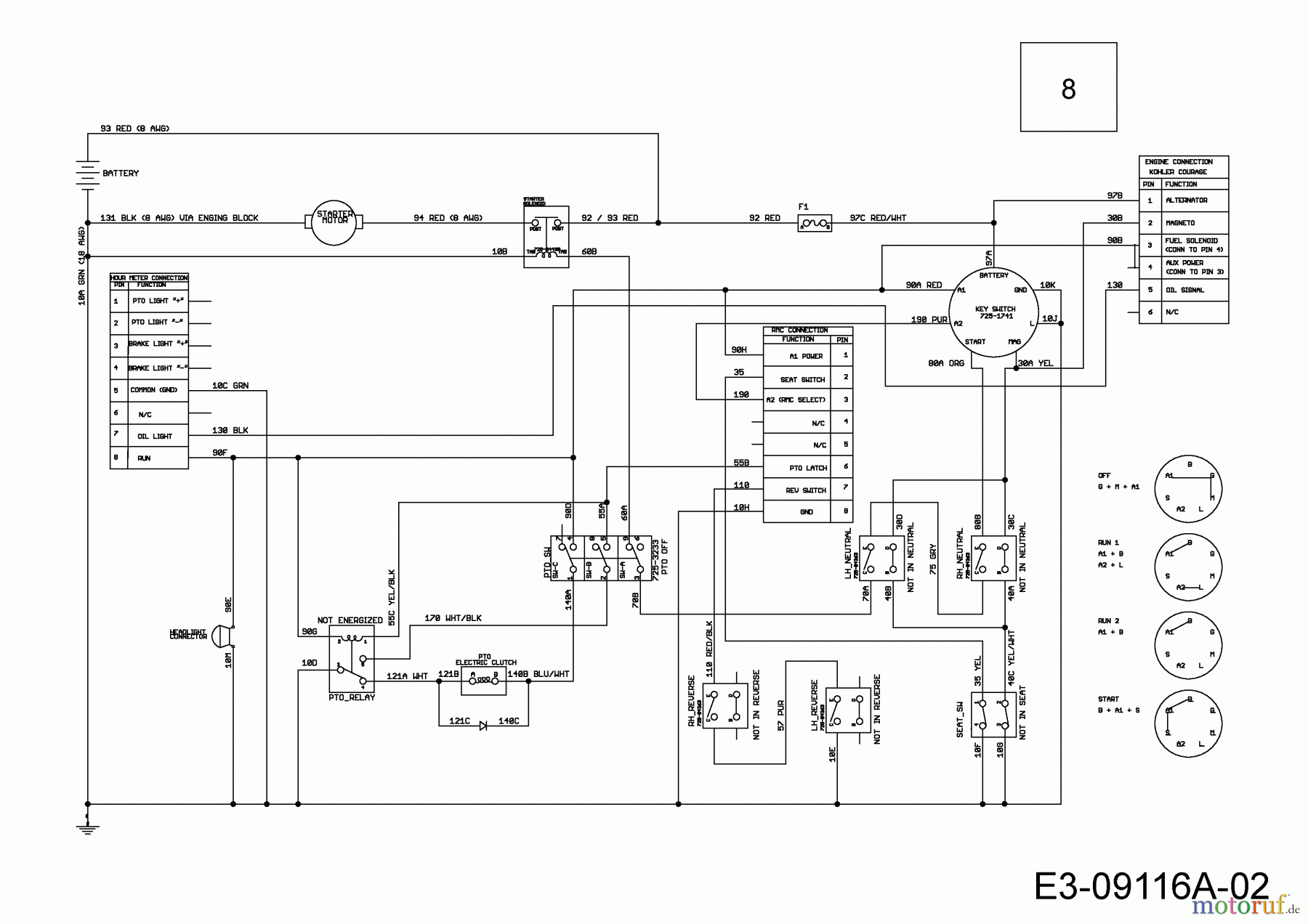
Wiring diagram 17BIDAGD010 (2015)
Pos
Article Number
Description
8
725-06284
HARNESS MAIN
Report Error
Help us to improve this site. Notify us if something is wrong here.