.com
Shopping Basket
empty
Your Account
Log in
Register
Home
Contact
About
Guestbook
Shipping Costs
Terms and Privacy
SPAREPARTS
Search by Part Number
Diagrams & Parts Lists
Gardening & Forestry
Industry & Shop
Chainsaw Chains
Guide Bars
Sprocket Rims
CATALOG
Mowing, trimming
Engine parts
Workshop
Components
Forestry
Electrical items
Winter items
V-belts / Pulleys
Filters
Toys
Agricultural Parts
Topseller
SERVICE
We search for You
Determine Chain
DE
EN
FR
ES
IT
Mobile
Sentar SE 107 HK 2 13HG79KG663 (2014) Engine accessories Spareparts
Start
Sentar
Lawn tractors
SE 107 HK 2
13HG79KG663 (2014)
Engine accessories
Engine accessories 13HG79KG663 (2014)
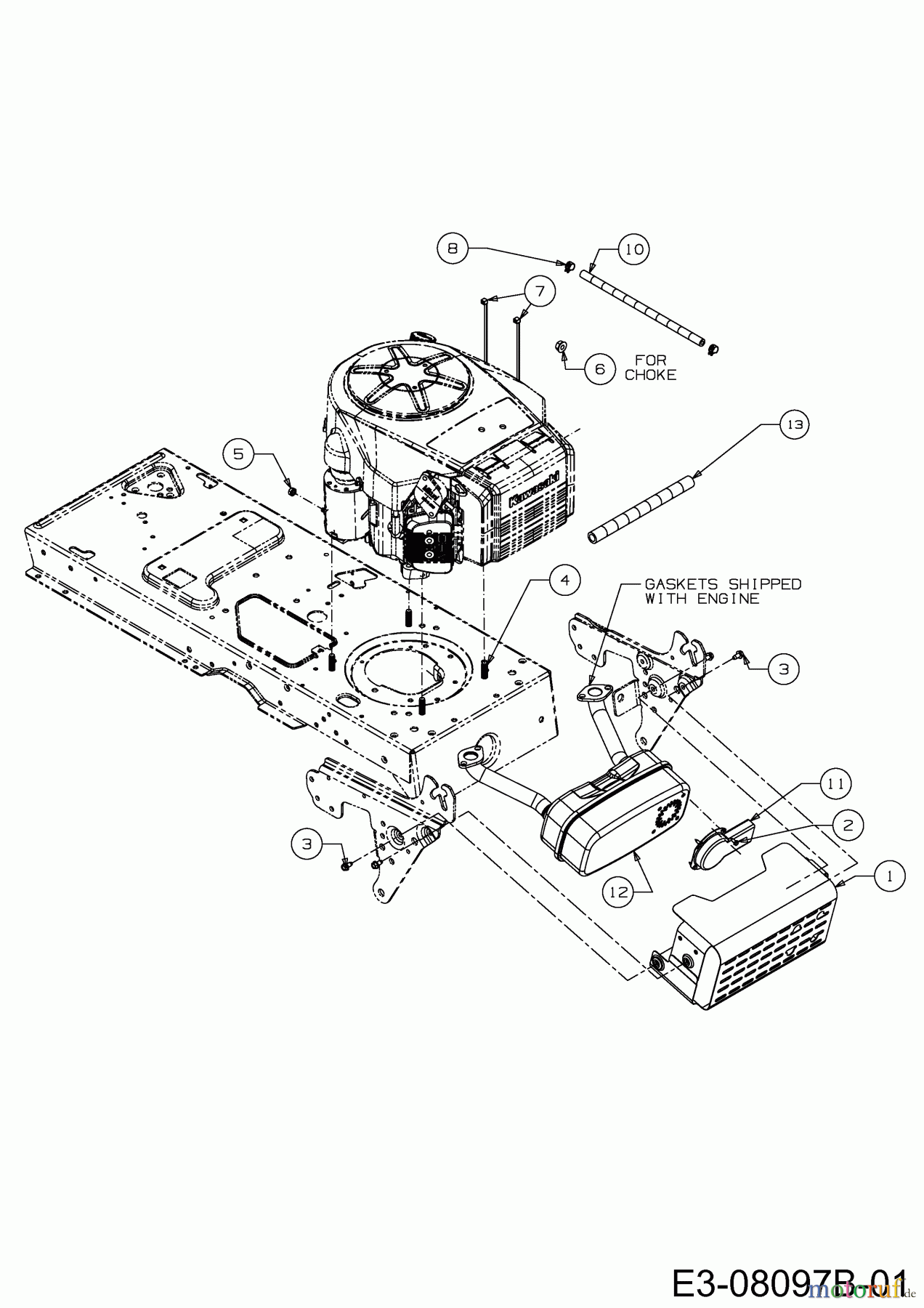
Pos
Article Number
Description
1
683-04549
SHLD ASM:MFLR w/WELD
2
710-0227
SCR:AB:#8-18:0.500:HXINDWH
3
710-0599
SCR:TT:1/4-20:0.500:HXINDWSH
4
710-1315
SCR:TT:3/8-16:1.250:HXINDWSH:S
5
712-0271
NUT:SEMS:1/4-20
6
712-3005
NUT:FLGLK:3/8-16:GR5
7
725-0157
CBL:TIE: 3/16 X .05 X 7.4
8
726-0205
CLAMP HOSE: .490 DIA
10
751-0535
FUEL LINE HOSE BLACK
11
751-11053A
DFL:MFLR:LONG EXHAUST
12
751-11278
MFLR:TWIN:KAWASAKI:FS600V
13
751-3141
HOSE:EXTN:OIL DRAIN
Report Error
Help us to improve this site. Notify us if something is wrong here.