Shopping Basket
Your Account

Colombia PX 18 KT 107 H 13CG79GG646 (2014) Mowing deck G (42"/107cm) Spareparts

Mowing deck G (42"/107cm) 13CG79GG646 (2014)

 Colombia Lawn tractors PX 18 KT 107 H 13CG79GG646  (2014) Mowing deck G (42
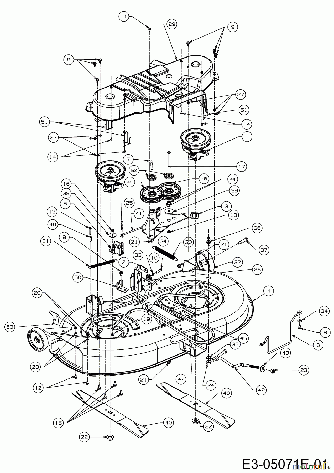
PosArticle NumberDescription
1 Colombia SPDL ASM:PUL:6.3 DIA618-04456ASPDL ASM:PUL:6.3 DIA
2 683-0254BBRKT:ASM:DECK:HNGR LH LT
3 683-04138BBRAKE ASM:DECK:42"
4 683-04262A
5 Colombia BRAKE ASM:DECK 42"683-04167BRAKE ASM:DECK 42"
6 683-04443ROD ASM:KEEPR:BELT 42":PAINT
7 Colombia HHCS:3/8-16:1.75:GR5:STD710-0347HHCS:3/8-16:1.75:GR5:STD
8 Colombia SCREW:TT:5/16-18:.750:HXINDWSH710-04484SCREW:TT:5/16-18:.750:HXINDWSH
9 710-05045ASCR:TT:5/16-18:.750:HXINDWSH
10 Colombia HHCS:5/16-18:1.25:GR5:STD710-0528HHCS:5/16-18:1.25:GR5:STD
11 Colombia SCR:TT:1/4-20:0.500:HXINDWSH710-0599SCR:TT:1/4-20:0.500:HXINDWSH
12 710-0751HHCS:1/4-20:.620:GR5:STD
13 Colombia HEX. SCREW TT:1/4-20:1.500:710-0778HEX. SCREW TT:1/4-20:1.500:
14 Colombia HEX. SCREW B:#10-16:0440:HEX710-0919HEX. SCREW B:#10-16:0440:HEX
15 Colombia SCR:TT:5/16-18:0.750:HXINDWSH710-1260ASCR:TT:5/16-18:0.750:HXINDWSH
16 Colombia SCREW HHCS:5/16-18:.75:GR5:STD710-3008SCREW HHCS:5/16-18:.75:GR5:STD
17 Colombia HHCS:3/8-16:3.50:GR5:STD710-3085HHCS:3/8-16:3.50:GR5:STD
18 Colombia NUT:PUSH:3/8712-0229NUT:PUSH:3/8
19 Colombia FLANGED NUT 5/16-18:GRF:NYLON712-04063FLANGED NUT 5/16-18:GRF:NYLON
20 Colombia NUT:FLGLK:1/4-20:GRF:NYLON712-04064NUT:FLGLK:1/4-20:GRF:NYLON
21 Colombia NUT:FLGLK:3/8-16:GRF:NYLON712-04065NUT:FLGLK:3/8-16:GRF:NYLON
22 Colombia NUT:FLG:5/8-18712-0417ANUT:FLG:5/8-18
23 Colombia NUT:FLXLK:1/2-13712-04243NUT:FLXLK:1/2-13
24 Colombia NUT:HEX:M16-1.5 DIN 936712-0641NUT:HEX:M16-1.5 DIN 936
25 Colombia PIN-COTTER714-04040PIN-COTTER
26 Colombia GEAR:DECK:ADJUSTMENT717-04074GEAR:DECK:ADJUSTMENT
27 Colombia NUT:SPD:.3125 ID726-0201NUT:SPD:.3125 ID
28 726-0233NUT:PUSH:.25 ID X .50 OD
29 Colombia CVR:DECK:42"731-05657BCVR:DECK:42"
30 Colombia SPR:EXTN:0.75 OD x 6.375LG732-04280BSPR:EXTN:0.75 OD x 6.375LG
31 Colombia SPR:EXTN:.500 DIA x 6.375LG732-04287SPR:EXTN:.500 DIA x 6.375LG
32 734-0973WHEEL:DECK 5.0 X 1.38
33 Colombia WASHER:LOCK:5/16:SPLT:REG736-0119WASHER:LOCK:5/16:SPLT:REG
34 Colombia WASH:FLAT:.406 X .875 X.059736-0300WASH:FLAT:.406 X .875 X.059
35 Colombia WASH:LOCK:SCHNORR 17X23.8X1.95736-0760WASH:LOCK:SCHNORR 17X23.8X1.95
36 Colombia NOZ:DECK:WATER737-04003DNOZ:DECK:WATER
37 Colombia SCR:SHLDR:.496 x 1.525: 3/8-16738-0373SCR:SHLDR:.496 x 1.525: 3/8-16
38 Colombia SPCR:SHLDR:.8840 x .190738-04162CSPCR:SHLDR:.8840 x .190
39 738-04166SPACER:SHLDR:.5000 x.1475
40 Colombia BLADE:21.23"LG:STAR 3 IN  1742-0616ABLADE:21.23"LG:STAR 3 IN 1
41 747-04379ABRAKE ROD
42 Colombia ROD:DECK FRNT:ADJ .4480" DIA747-04882ROD:DECK FRNT:ADJ .4480" DIA
43 748-04069CUP:PIVOT:DECK LIFT
44 Colombia SPCR:SHLDR:TOGGLE LOCK748-05029ASPCR:SHLDR:TOGGLE LOCK
45 750-04446SPCR:3/8 ID x.68 OD x 1.46 LG
46 Colombia SPCR: .260 X .375 X 1.030 LG750-0566ASPCR: .260 X .375 X 1.030 LG
47 Colombia BELT:V:A:96.5:ARAM:C2754-04060CBELT:V:A:96.5:ARAM:C2
48 Colombia PUL:IDLR:4.25"DIA:HD756-05042PUL:IDLR:4.25"DIA:HD
49 771-11725ATAG:DNGR:RT-99 CHUTE BLNGL
50 783-04740BRKT:CBL:DECK ENGAGE
51 783-05497BRKT:KEEPR:BELT
52 Colombia CAP:PULLEY:HD783-08389CAP:PULLEY:HD
53 783-1025STOP:CHUTE
Rasen
Bankeinzug, MasterCard, Visa, American Express, PayPal, Nachnahme, Vorauskasse, Sofortüberweisung
Report Error
Help us to improve this site. Notify us if something is wrong here.