.com
Home
Contact
About
Guestbook
Shipping Costs
Terms and Privacy
SPAREPARTS
Search by Part Number
Diagrams & Parts Lists
Gardening & Forestry
Industry & Shop
Chainsaw Chains
Guide Bars
Sprocket Rims
CATALOG
Mowing, trimming
Engine parts
Workshop
Components
Forestry
Electrical items
Winter items
V-belts / Pulleys
Filters
Toys
Agricultural Parts
Topseller
SERVICE
We search for You
Determine Chain
Your Account
Log in
Register
Settings
DE
EN
FR
ES
IT
PC Version
Qualcast LT 125-92 13HH765E639 (2014) Seat bracket Spareparts
Start
Qualcast
Lawn tractors
LT 125-92
13HH765E639 (2014)
Seat bracket
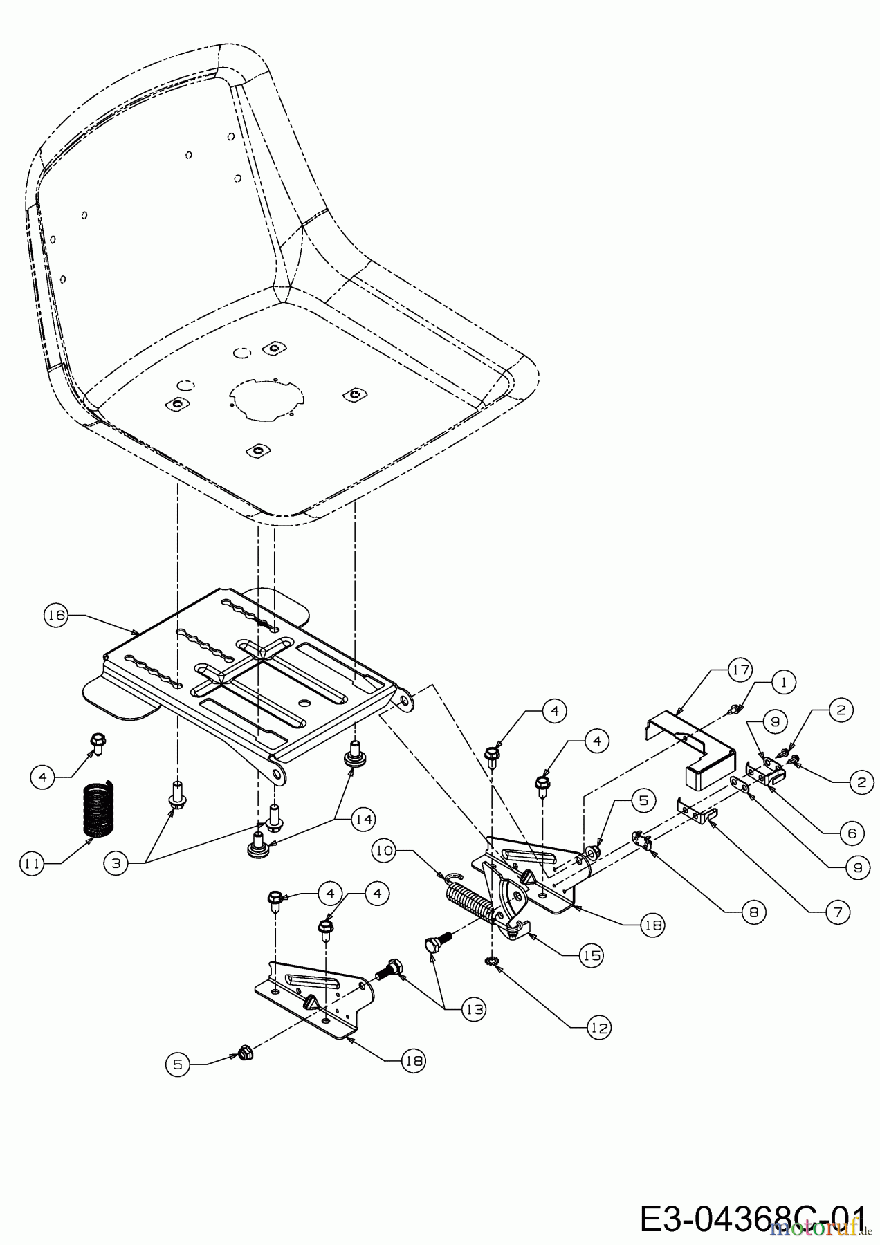
Seat bracket 13HH765E639 (2014)
Pos
Article Number
Description
1
710-0224
SCR:AB:#10-16:0.500:HXINDWSH
2
710-0227
SCR:AB:#8-18:0.500:HXINDWH
3
710-04482
HHFLG:3/8-16:.875:GR5:STD
4
710-04484
SCREW:TT:5/16-18:.750:HXINDWSH
5
712-04063
FLANGED NUT 5/16-18:GRF:NYLON
6
725-1303
SW:OUTER SEAT SPRG
7
725-1439
SW:INNER SEAT SPRG
8
726-0278
INSULATING PLATE
9
726-0279
INSULATING PLATE
10
732-04309
SPR:EXTN:.815 OD x 4.775 LG
11
732-0735A
SPR:COMPRS:1.314 OD x 2.55 LG
12
736-0607
WASH:LOCK:5/16 EXT
13
738-0296
SCR:SHLDR:.437 x .268:5/16-18
14
738-04012B
SCR:SHLDR:.625 x .145:3/8-16
15
783-0209D
BRKT:LIFT:SEAT
16
783-04081D
BRKT:SEAT:PIVOT MANUAL ADJ
17
783-04877A
CVR:SW:SEAT
18
783-1489D
BRKT:MT:SEAT
Report Error
Help us to improve this site. Notify us if something is wrong here.