.com
Home
Contact
About
Guestbook
Shipping Costs
Terms and Privacy
SPAREPARTS
Search by Part Number
Diagrams & Parts Lists
Gardening & Forestry
Industry & Shop
Chainsaw Chains
Guide Bars
Sprocket Rims
CATALOG
Mowing, trimming
Engine parts
Workshop
Components
Forestry
Electrical items
Winter items
V-belts / Pulleys
Filters
Toys
Agricultural Parts
Topseller
SERVICE
We search for You
Determine Chain
Your Account
Log in
Register
Settings
DE
EN
FR
ES
IT
PC Version
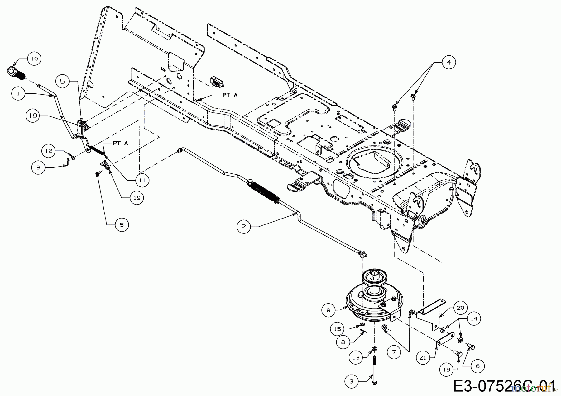
Okay Master Cut 105-15/200 H 13HU99KN675 (2015) Deck engagement, Engine pulley Spareparts
Start
Okay
Lawn tractors
Master Cut 105-15/200 H
13HU99KN675 (2015)
Deck engagement, Engine pulley
Deck engagement, Engine pulley 13HU99KN675 (2015)
Pos
Article Number
Description
1
647-05047A
LVR ASM:PTO
2
647-05048
3
710-04002
HHCS:7/16-20:4.50:GR5:STD
4
710-04484
SCREW:TT:5/16-18:.750:HXINDWSH
5
710-0599
SCR:TT:1/4-20:0.500:HXINDWSH
6
710-3001
SCREW HHCS:3/8-16:.880:GR5:STD
7
712-04065
NUT:FLGLK:3/8-16:GRF:NYLON
8
714-0111
COTTER PIN 3/32 DIA X 1.00
9
717-04947
CLU:BRC:HYDRO
10
720-04049A
GRIP:HNDL:3/8
11
732-0611
SPR:EXTN:.38 OD x 3.6 LG
12
736-0117
WASH:FLAT:.385 x.620 x.033
13
736-0171
WASHER:LOCK:7/16:REGULAR DUTY
14
736-0267
WASH:FLAT:.385 x.87 x.06:HT
15
736-0275
WASH:FLAT:.344 x .688 x.065
16
738-0380
BOLT:SHLDR:.500 x.270:3/8-16
17
741-04119A
BRG:PTO:LT-5
18
783-06428A
BRKT:STOP:CLUTCH
19
783-08712
Report Error
Help us to improve this site. Notify us if something is wrong here.