.com
Shopping Basket
empty
Your Account
Log in
Register
Home
Contact
About
Guestbook
Shipping Costs
Terms and Privacy
SPAREPARTS
Search by Part Number
Diagrams & Parts Lists
Gardening & Forestry
Industry & Shop
Chainsaw Chains
Guide Bars
Sprocket Rims
CATALOG
Mowing, trimming
Engine parts
Workshop
Components
Forestry
Electrical items
Winter items
V-belts / Pulleys
Filters
Toys
Agricultural Parts
Topseller
SERVICE
We search for You
Determine Chain
DE
EN
FR
ES
IT
Mobile
Gutbrod HE 42 L 18A-L5F-604 (1998) Wheels, Cutting hight adjustment Spareparts
Start
Gutbrod
Electric mower
HE 42 L
18A-L5F-604 (1998)
Wheels, Cutting hight adjustment
Wheels, Cutting hight adjustment 18A-L5F-604 (1998)
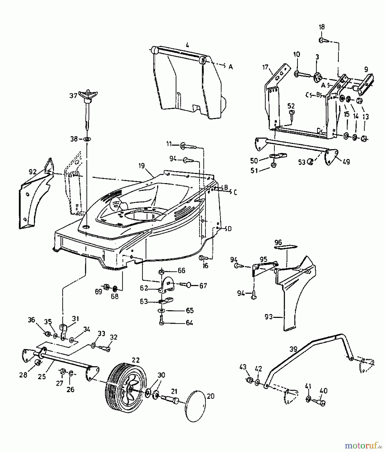
Pos
Article Number
Description
3
079.06.307
INSULATING WASHER
4
079.26.539
REAR FLAP
9
079.06.308
HANDLE BRACKET
10
22.3419.32
SCREW
11
000.02.578
SCREW M8X12
13
24.1421.18
Nut
14
24.8190.18
Lockwasher
15
24.6481.18
WASHER 8.4 DIN125
16
21.1441.67
Screw
17
782-3075638
RAIL
18
000.02.499
SCREW
19
782-0330638
M0WER HOUSING
20
720-0337638
HUB CAP STANDARD
21
079.29.166
Wheel bolt
22
734-1879637
WHEEL DIA 180mm, BALL BEARING
25
079.30.716
FRONT AXLE
26
24.8195.18
Spring washer
27
24.1421.18
Nut
28
079.30.092
CLAMP RING
30
28.7112.11
WASH:BELL:25mmODx12.2IDx1.6
31
079.30.678
ADJUSTING LEVER
32
23.5427.68
FLAT HEADED SCREW
33
24.6273.20
Shim
34
24.8498.15
SPRING WASHER
35
24.6486.15
Washer A5.3 DIN 9021-ST
36
24.1426.12
NYL STOP NUT M5 DIN 985-8
37
079.31.933
HANDLE GRIP CPL.
38
000.20.656
WASHER
39
079.30.721
CONNECTING ROD
40
23.5427.47
Screw
41
24.6273.14
SHIM
42
24.6486.13
Washer
43
24.1426.09
Nut
49
079.30.720
REAR AXLE
50
079.30.261
REAR AXLE BRACKET
51
24.1426.12
NYL STOP NUT M5 DIN 985-8
52
23.5421.91
Screw
53
079.30.095
CLAMP RING
62
079.30.256
FRONT AXLE BEARIN FORM B
63
079.30.260
FRONT AXLE BRACKET
64
21.5441.16
Screw
65
24.6481.12
WASHER A5.3 DIN 125-ST
66
24.1426.12
NYL STOP NUT M5 DIN 985-8
67
22.3419.24
Screw
68
000.02.581
LOCK WASHER
69
24.1421.18
Nut
90
24.8195.12
LOCK WASHER
92
079.26.550
HOOD RIGHT
93
079.27.175
HOOD L.H.
94
000.02.583
SCREW
95
079.27.180
COVER
96
079.27.185
GLASS
Report Error
Help us to improve this site. Notify us if something is wrong here.