.com
Home
Contact
About
Guestbook
Shipping Costs
Terms and Privacy
SPAREPARTS
Search by Part Number
Diagrams & Parts Lists
Gardening & Forestry
Industry & Shop
Chainsaw Chains
Guide Bars
Sprocket Rims
CATALOG
Mowing, trimming
Engine parts
Workshop
Components
Forestry
Electrical items
Winter items
V-belts / Pulleys
Filters
Toys
Agricultural Parts
Topseller
SERVICE
We search for You
Determine Chain
Your Account
Log in
Register
Settings
DE
EN
FR
ES
IT
PC Version
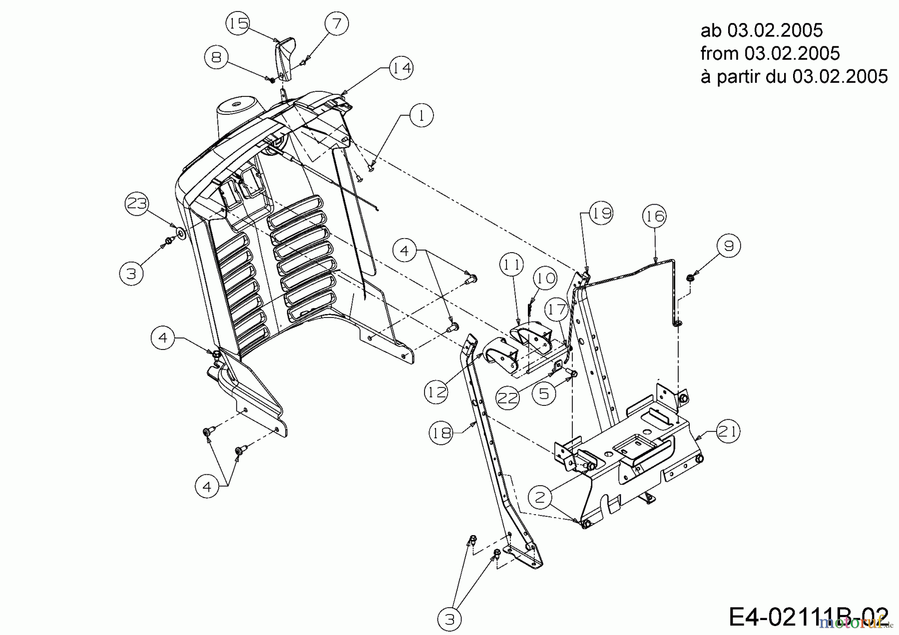
Cub Cadet GT 1223 14AP13CP603 (2005) Dashboard from 03.02.2005 Spareparts
Start
Cub Cadet
Garden tractors
GT 1223
14AP13CP603 (2005)
Dashboard from 03.02.2005
Dashboard from 03.02.2005 14AP13CP603 (2005)
Pos
Article Number
Description
1
710-0192
SCR:MACH:#10-24:0.375:TRUSPHI
2
710-0726
SCR:AB:5/16-12:0.750:HXINDWSH
3
710-0599
SCR:TT:1/4-20:0.500:HXINDWSH
5
710-0895
SCR:HL:1/4-15:0.750:HXINDWSH
6
710-1611B
SCR:TT:5/16-18:0.750:PANTRXI
7
710-3217
SCR:MACH:#8-32:0.375:TRUSPHI
8
712-0142
NUT:HEX:#8-32:GRA
9
712-04064
NUT:FLGLK:1/4-20:GRF:NYLON
10
714-0104
PIN:COT:.072 DIA x 1.13 LG
11
731-04293A
LVR:DASH:BRAKE CUB 1000
12
731-04294A
LVR:DASH:CRUISE CUB 1000
13
741-0587
BRG:STRG:COLUMN .628 ID x1.360
14
731-05004
DASH:CUB 1000
15
731-3161
KNOB:THROTTLE CONTROL
16
747-04215
STRAP:BAT 400
17
747-1323A
ROD:.250 DIA x 4.55 LG
18
783-04285B
SUPT:DASH:PLATE:R.H.
19
783-04323B
SUPT:DASH:PLATE:L.H.
21
783-1447A
22
783-1499
BRACKET:ROD:DASH CUB 1500
23
736-0300
WASH:FLAT:.406 X .875 X.059
Report Error
Help us to improve this site. Notify us if something is wrong here.