.com
Home
Contact
About
Guestbook
Shipping Costs
Terms and Privacy
SPAREPARTS
Search by Part Number
Diagrams & Parts Lists
Gardening & Forestry
Industry & Shop
Chainsaw Chains
Guide Bars
Sprocket Rims
CATALOG
Mowing, trimming
Engine parts
Workshop
Components
Forestry
Electrical items
Winter items
V-belts / Pulleys
Filters
Toys
Agricultural Parts
Topseller
SERVICE
We search for You
Determine Chain
Your Account
Log in
Register
Settings
DE
EN
FR
ES
IT
PC Version
MTD Accessories Sweeper 45-0219 (190-143-000) 190-143-000 (1998) Basic machine Spareparts
Start
MTD Accessories
Accessories garden and lawn tractors
Sweeper
45-0219 (190-143-000)
190-143-000 (1998)
Basic machine
Basic machine 190-143-000 (1998)
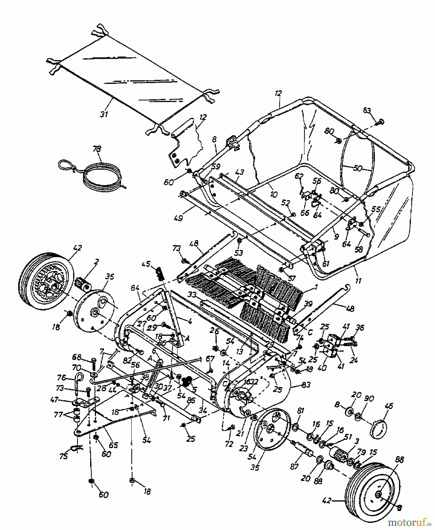
Pos
Article Number
Description
1
43902
BRUSH, 32 IN SWEEP
2
43886
DRIVE PINION, R.H. 11 T.
3
43885
DRIVE PINION
4
23850
HÖHENEINSTELLHEBEL
5
43720
GRIFFMUTTER
6
23851
STELLSCHIENE
7
43979
STRAP:LIFT HANDLE SUPPORT
8
44898
ROHR OBEN RECHTS
9
44899
ROHR OBEN LINKS
10
44900
ROHR UNTEN RECHTS
11
44901
ROHR UNTEN LINKS
12
44914
PANEL HANDLE
13
C-9M5732
14
43659
SPANNHÜLSE 3/16X1 LG
15
1650-21
16
44007
washer
18
43064
SKT-STOP-MUTTER
20
44125
USE 736-0300
21
736-0101
WASH:FLAT:.406 X 1.00 X .030
23
44684
SKT-MUTTER 3/8-24
24
43661
SKT.-SCHR.1/4-20X1"LG.
25
43013
26
1038
USE 712-0291
27
44905
TUBE, HANDLE (SHORT) (PAINTED)
28
43083
SKT-MUTTTER 5/16-19
29
43080
SCHLOßSCHR.5/16-18X.75"LG
30
23400
SPACER SHIFT KEY
31
44913
COVER
32
44909
BEARING, HEX FLANGE
33
23887
BRACKET:ANGLE
34
23847
HÜLLE
35
23867
COVER-HARD TOP
36
43012
37
44947
SKT-SCHR.5/16-18X1-5/8"
38
23869
BRACKET, GATE SLIDE ANGLE
39
23567
BRUSH SHAFT
40
23580
BRUSH SUPPORT
41
23581
2074593
42
44930
WHEEL ASSY
43
23345
RUBBER STRIP
44
43086
LOCK WASHER
45
43812
OPERATOR MANUAL
46
2674-32
47
23014
HITCH PLATE
48
23182
48
23812
ARM, BAG MT LG
49
23870
RETAINER, SKIRT 38 IN
50
43926
CHAN:FRM:CROSS
51
1671-1
PAWL MOD 60
52
43346
53
43662
SKT-MUTTER NR.10-32"
54
43081
UNTERLAGSCHEIBE 5/16 (AF43081)
55
43064
SKT-STOP-MUTTER
56
43182
SKT-SCHR.5/16-18X.75"LG.
57
43013
58
13513
59
43407
SKT-SCHR.3/8-16X3/4 LG.
60
43082
STK-STOP-MUTTER 3/8-16"
61
1509-90
62
0142-000
PIN-COTTER
63
43978
BOLT-HEX HD
64
23331
THROTTLE CABLE CLIP
65
23868
TONGUE, HITCH
66
23354
BAIL
67
43681
SCHLOßSCHR.5/16-18X1 1/2"
68
43062
SKT.-SCHR.3/8-16X1 1/2"
70
R19172410
WASHER
71
43814
SCHRAUBE 5/16-18X3/4 LG
72
44950
SCHLOßSCHR. 1/4-20X5/8"
73
43407
SKT-SCHR.3/8-16X3/4 LG.
74
43175
SCREW
75
43343
PIN-COTTER
76
23353
PLUG:TRAILER CONN:7 PIN
77
23368
SPACER
78
43737
ZUGSEIL
79
44006
SONDERSCHEIBE
80
43013
81
1540-31
WASHER. 1.59x1.032x.060
82
44692
SKT-SCHRAUBE 5/16-18X1/2"
83
23845
SIDE PANEL CART EXTENSION LH
84
23846
SIDE PANEL CART EXTENSION RH
85
44902
BRACE-VAR SP
86
44695
SONDERSCHEIBE
87
44598
AXLE BOLT
88
741-0249
Bearing flange
Report Error
Help us to improve this site. Notify us if something is wrong here.