.com
Shopping Basket
empty
Your Account
Log in
Register
Home
Contact
About
Guestbook
Shipping Costs
Terms and Privacy
SPAREPARTS
Search by Part Number
Diagrams & Parts Lists
Gardening & Forestry
Industry & Shop
Chainsaw Chains
Guide Bars
Sprocket Rims
CATALOG
Mowing, trimming
Engine parts
Workshop
Components
Forestry
Electrical items
Winter items
V-belts / Pulleys
Filters
Toys
Agricultural Parts
Topseller
SERVICE
We search for You
Determine Chain
DE
EN
FR
ES
IT
Mobile
Global Garden Products GGP XK_XK4 SERIES 2007 KANZAKI GETRIEBE KTM 10M Spareparts
Start
Global Garden Products GGP
Frontmäher
XK_XK4 SERIES
2007
KANZAKI GETRIEBE KTM 10M
KANZAKI GETRIEBE KTM 10M 2007
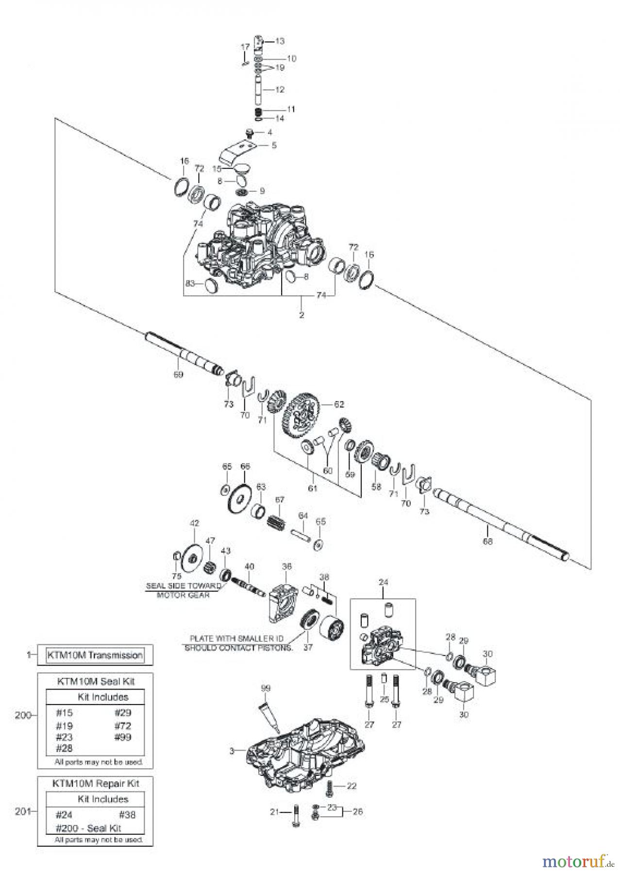
Pos
Article Number
Description
2
1139- 1417- 01
Gehäuse- obere Pos 74 incl.
3
1139- 1418- 01
Gehäuse- untere
4
1139- 1123- 01
Bolzen
5
1139- 1384- 01
Gleitplatte
8
1139- 1150- 01
Magnet
9
1139- 1341- 01
Halter-Magnet
10
1139- 1388- 01
Scheibe
11
1139- 1421- 01
Feder
12
1139- 1420- 01
Achse- bypass
13
1139- 1189- 01
Hebel- bypass
14
1139- 1391- 01
Schließring
15
1139- 1397- 01
Dichtkappe
16
1139- 1444- 01
Schließring
17
1139- 1280- 01
Stift
19
1139- 1114- 01
O-ring
21
1139- 1291- 01
Bolzen
22
1139- 1448- 01
Bolzen
23
1139- 1103- 01
Dichtungsscheibe
24
1139- 1419- 01
Zentrumgehäuse Kpl
25
1139- 1445- 01
Zapfen
27
1139- 1449- 01
Bolzen
28
1139- 1446- 01
Dichtung
29
1139- 1447- 01
Dichtring
30
1139- 1424- 01
Anschluß
36
1139- 1422- 01
Gehäuse
37
1139- 1438- 01
Lager
38
1139- 1139- 01
Zylinderblock Kpl
40
1139- 1425- 01
Motorachse
42
1139- 1451- 01
Bremsscheibe
43
1139- 1453- 01
Lager
47
1139- 1426- 01
Motorritzel
58
1139- 1330- 01
Hülse
59
1139- 1435- 01
Hülse
60
1139- 1440- 01
Achse
61
1139- 1439- 01
Differentialritzel
62
1139- 1429- 01
Ritzel
63
1139- 1427- 01
Hülse
64
1139- 1256- 01
Reduktionsachse
65
1139- 1398- 01
Scheibe
66
1139- 1430- 01
Reduktionsritzel
67
1139- 1361- 01
Enderitzel
68
1139- 1432- 01
Radachse
69
1139- 1431- 01
Radachse
70
1139- 1194- 01
Druckscheibe
71
1139- 1155- 01
Schließring
72
1139- 1044- 01
Dichtung
73
1139- 1156- 01
Buchse
74
1139- 1415- 01
• Buchse
75
1139- 1260- 01
Bremsschuhe
83
1139- 1450- 01
Dichtung
99
1139- 1443- 01
Dichtungsmittel
200
1139- 1436- 01
Servicesatz
Report Error
Help us to improve this site. Notify us if something is wrong here.