.com
Home
Contact
About
Guestbook
Shipping Costs
Terms and Privacy
SPAREPARTS
Search by Part Number
Diagrams & Parts Lists
Gardening & Forestry
Industry & Shop
Chainsaw Chains
Guide Bars
Sprocket Rims
CATALOG
Mowing, trimming
Engine parts
Workshop
Components
Forestry
Electrical items
Winter items
V-belts / Pulleys
Filters
Toys
Agricultural Parts
Topseller
SERVICE
We search for You
Determine Chain
Your Account
Log in
Register
Settings
DE
EN
FR
ES
IT
PC Version
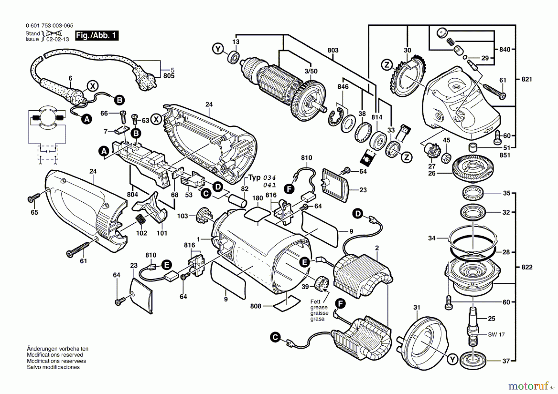
Bosch Winkelschleifer GWS 23-180 Spareparts
Start
Bosch
Werkzeug
Winkelschleifer
GWS 23-180
Seite 1
GWS 23-180 Winkelschleifer
Article Number: 0 601 753 003 (0601753003)
Pos
Article Number
Description
1
1 605 108 190
Motorgehäuse
2
1 604 220 57K
Polschuh
3/50
1 600 A00 J93
Lüfter
6
1 600 703 023
Tülle
7
1 601 302 018
Befestigungsschelle
9
1 601 118 687
Firmenschild
13
1 600 905 011
Rillenkugellager
23
1 618 B00 802
Verschlussdeckel
24
1 605 132 130
Handgriff
25
1 603 123 05U
Schleifspindel
26
1 606 333 618
Tellerrad
27
1 606 333 237
Kegelrad
28
1 600 210 033
O-Ring
29
1 600 210 034
O-Ring
30
1 600 591 029
Luftverteiler
31
1 600 591 075
Luftleitring
32
1 600 290 019
Haltering
33
1 600 290 013
Radial-Wellendichtring
34
1 600 190 020
Ausgleichscheibe
34
1 600 190 021
Ausgleichscheibe
34
1 600 190 022
Ausgleichscheibe
35
1 600 205 034
Filzring
37
1 600 290 036
Dichtring
38
1 600 206 020
Gummiring
39
1 600 206 030
Gummiring
45
1 603 300 019
Sechskantmutter
51
1 600 200 031
Gleitlager
53
1 605 190 068
Steckhülsengehäuse
60
1 603 435 023
Gewindefurchschraube
61
2 912 401 038
Blechschraube
63
1 603 410 014
Flachkopfschraube
64
1 603 435 042
Kunststoffschneidschraube
65
2 912 401 020
Blechschraube
66
2 910 211 019
Blechschraube
68
1 601 006 011
Dichtblech
101
1 601 990 004
Rastschieber
102
1 604 616 022
Druckfeder
103
1 602 388 035
Kabelführung
803
1 604 010 BC1
Anker
804
1 607 000 967
Schalter
805
1 607 000 228
Netzanschlussleitung
808
1 601 11A 3H3
Typschild
810
1 607 014 171
Kohlebürstensatz
814
1 600 905 023
Rillenkugellager
816
1 604 336 048
Bürstenhalter
821
1 607 000 968
Getriebegehäuse
822
1 607 000 986
Lagerflansch
840
1 607 000 206
Druckknopf
846
1 607 000 342
Haltescheibe
851
2 600 910 001
Nadellager
Report Error
Help us to improve this site. Notify us if something is wrong here.