.com
Home
Contact
About
Guestbook
Shipping Costs
Terms and Privacy
SPAREPARTS
Search by Part Number
Diagrams & Parts Lists
Gardening & Forestry
Industry & Shop
Chainsaw Chains
Guide Bars
Sprocket Rims
CATALOG
Mowing, trimming
Engine parts
Workshop
Components
Forestry
Electrical items
Winter items
V-belts / Pulleys
Filters
Toys
Agricultural Parts
Topseller
SERVICE
We search for You
Determine Chain
Your Account
Log in
Register
Settings
DE
EN
FR
ES
IT
PC Version
Bosch Heckenschere AHS 54-26 Spareparts
Start
Bosch
Gartengeräte
Heckenschere
AHS 54-26
Seite 1
AHS 54-26 Heckenschere
Article Number: 3 600 H47 G03 (3600H47G03)
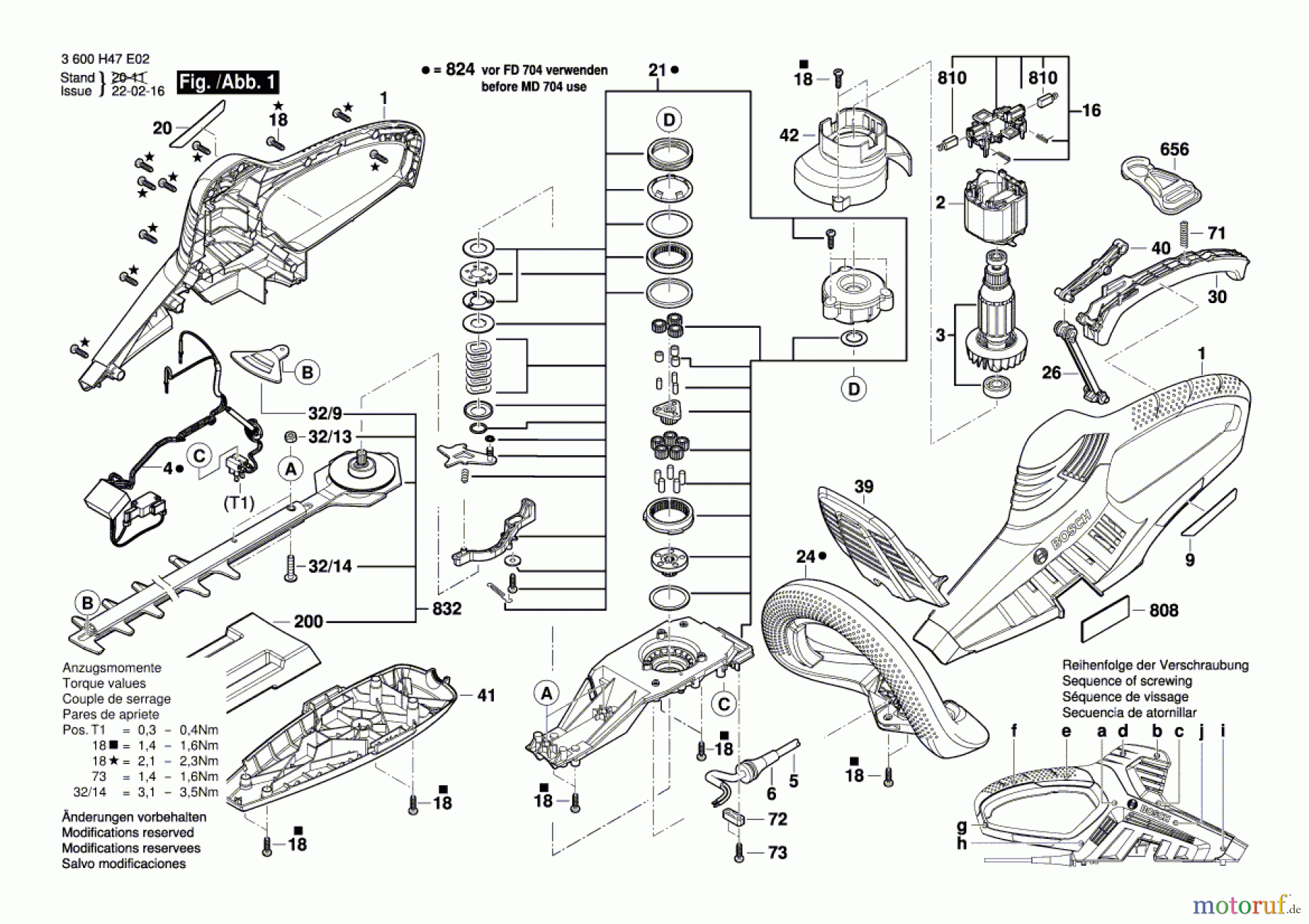
Pos
Article Number
Description
1
2 609 007 200
Gehäuseschale
2
2 609 005 073
Polschuh
3
2 609 007 254
Anker
4
1 600 A00 PE1
Elektronik-Modul
6
2 609 002 019
Tülle
9
1 611 11C 03E
Firmenschild
16
1 600 A01 2AZ
Bürstenplatte
18
2 603 490 022
Schraube
20
2 609 005 882
Warnzettel
21
1 600 A00 P4P
Getriebekasten
24
2 609 007 139
Handgriff
26
2 609 007 159
Hebel
30
2 609 007 413
Schaltsegment
32/13
1 600 300 10C
Lagerbuchse
32/9
2 609 005 045
Anstossschutz
32/14
2 609 005 695
Sternantrieb-Linsenschraube
39
2 609 005 047
Schutzsegment
40
2 609 007 234
Hebel
41
2 609 004 994
Deckel
42
2 609 004 996
Lüftergehäuse
71
1 604 612 015
Druckfeder
72
2 601 035 001
Leitungshalter
73
2 603 490 022
Schraube
200
2 609 005 514
Messerschutz
656
3 601 398 000
Zugentlastung
808
1 601 11A 2PH
Typschild
810
2 604 321 925
Kohlebürstensatz
824
1 607 000 CZ3
Elektronik-Modul
832
2 609 005 913
Klinge
Report Error
Help us to improve this site. Notify us if something is wrong here.