.com
Shopping Basket
empty
Your Account
Log in
Register
Home
Contact
About
Guestbook
Shipping Costs
Terms and Privacy
SPAREPARTS
Search by Part Number
Diagrams & Parts Lists
Gardening & Forestry
Industry & Shop
Chainsaw Chains
Guide Bars
Sprocket Rims
CATALOG
Mowing, trimming
Engine parts
Workshop
Components
Forestry
Electrical items
Winter items
V-belts / Pulleys
Filters
Toys
Agricultural Parts
Topseller
SERVICE
We search for You
Determine Chain
DE
EN
FR
ES
IT
Mobile
BLACK+DECKER DRILLS, MAG DRILL PRESS, TAPPERS KEYLESS CHUCK-AUSTRALIA 1167-AU Spareparts
Start
BLACK+DECKER
PROFESSIONAL
DRILLS, MAG DRILL PRESS, TAPPERS
KEYLESS CHUCK-AUSTRALIA
1167-AU
Seite 1
1167-AU KEYLESS CHUCK-AUSTRALIA
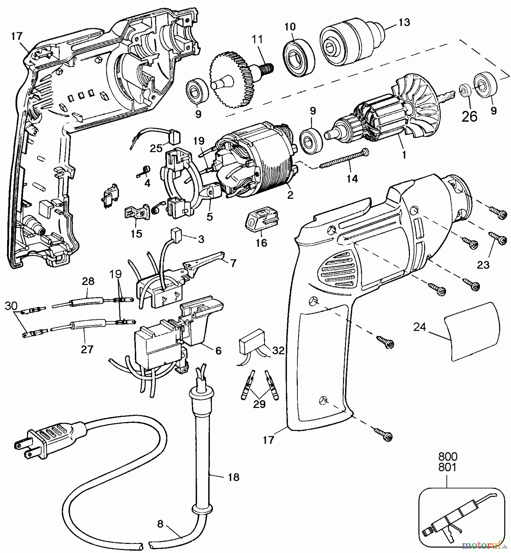
Pos
Article Number
Description
1
SB-464294-01
ARM.FAN & BRG
2
SB-429882-15
FIELD
3
SB-146475-06
BRUSH
4
SB-445860-00
BRUSH SPRING
5
SB-449899-05
RING
6
SB-286246-00
SWITCH ASSY,VS
7
SB-150196-00
SWITCH,REV.
8
SB-444469-83
CORD/10'/18-2
9
SB-605040-06
BEARING,BALL
10
SB-330003-11
BEARING
11
SB-143835-02
SPINDLE & GEAR
13
SB-330075-85
CHUCK KEYLESS
14
SB-330019-09
SCREW
15
SB-146636-00
NUT, FIELD
16
SB-143845-00L
LEVEL
17
SB-464297-00
CLAMSHELL SET
18
SB-N918736
CORD PROTECTOR
19
SB-448387-00
TERMINAL
23
SB-330019-13
SCREW
24
SB-000000-00
NO LONGER AVAILABLE
25
SB-146475-07
BRUSH
26
SB-464292-00
DEFLECTOR
27
SB-145077-03
CHOKE
28
SB-145077-05
CHOKE
29
SB-464230-00
TERMINAL
30
SB-449192-00
TERMINAL
32
SB-382836-00
CAPACITOR
800
SB-761995-01
GREASE
801
SB-283484-01
GREASE
Report Error
Help us to improve this site. Notify us if something is wrong here.