.com
Shopping Basket
empty
Your Account
Log in
Register
Home
Contact
About
Guestbook
Shipping Costs
Terms and Privacy
SPAREPARTS
Search by Part Number
Diagrams & Parts Lists
Gardening & Forestry
Industry & Shop
Chainsaw Chains
Guide Bars
Sprocket Rims
CATALOG
Mowing, trimming
Engine parts
Workshop
Components
Forestry
Electrical items
Winter items
V-belts / Pulleys
Filters
Toys
Agricultural Parts
Topseller
SERVICE
We search for You
Determine Chain
DE
EN
FR
ES
IT
Mobile
CRAFTSMAN MOWER 917.388190 Spareparts
Start
CRAFTSMAN
Divers
MOWER
917.388190
Seite 1
917.388190 MOWER
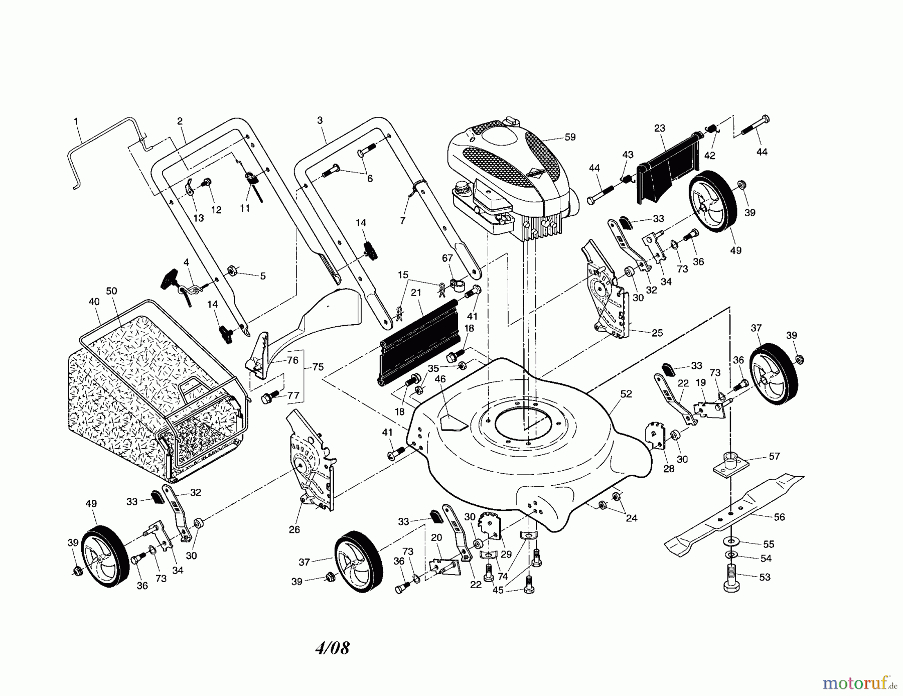
Pos
Article Number
Description
1
532194177
BAIL.MZR.STD
2
532194179
HANDLE.UPPER
3
169708X479
LOWER HANDLE
4
586122501
KIT.ROPE GUI
5
73800400
NUT.
6
532191574
HANDLE BOLT
7
SB-STDPART
COMMONLY AVAIL. PART
11
183281
CABLE.MZR.46
12
750634
SCREW
13
429930X004
BRACKET.UPSTOP.RT
14
532185577
HANDLE.KNOB.BLACK
15
532051793
HAIRPIN
18
17600406
SCREW HEX WASHEAD 1/4-20 X 3/8
19
532401174
ARM.ASM.AXLE5/9.POS.
20
532401175
ARM.ASM.AXLE.5/9.POS
21
418655
KIT.SKIRT.21
22
532401621
SPRG.SELCTR.5POS.BZP
23
532401814
DOOR.REAR.21
24
426589
NUT FLANGE HEX 5/16 X 18
25
446510X479
BRACKET.ASM.
26
410388X479
BRACKET RH
28
407499X005
BRACKET.ADJ.5.RTAB.L
29
532407500
BRACKET.ADJ. RH
30
532401629
SPACER.HEIGH
32
532401623
SPRING SELEC
33
532087877
KNOB
34
532410890
REAR AXLE
35
73930500
NUT CENTER LOCK 5/16-18
36
532401638
BOLT
37
583720101
WHEEL.7X1.75
39
532409148
NUT
40
411949
FRAME.BAG.21.REAR.DO
41
532088652
HINGE SCREW
42
405421
SPRING.LH.22.REAR.DO
43
405423
SPRING.RH.22.REAR.DO
44
184193
BOLT
45
150406
BOLT 3/8-16X1-1/8
46
581724301
DECAL.DECK.6
49
194348X460
WHEEL.8X1.75
50
410666
GBAG.2251001
52
583563601
KIT.HSG.21RD
53
532435345
SCREW.HEX.HE
54
532850263
WASHER
55
851074
WASHER-HARDEN
56
532406712
BLADE
57
581547901
ADAPTOR.BLADE.7/8
67
532197991
CLIP.CABLE.BLK
73
532401630
WASHER.CURVE
74
532125078
WASHER.ENGINE.BZP
75
413693
KIT.BAFFLE.R
76
410589
BAFFLE.REAR.PLASTIC.
77
17411312
SCREW.HX.13X.750
Report Error
Help us to improve this site. Notify us if something is wrong here.