.com
Home
Contact
About
Guestbook
Shipping Costs
Terms and Privacy
SPAREPARTS
Search by Part Number
Diagrams & Parts Lists
Gardening & Forestry
Industry & Shop
Chainsaw Chains
Guide Bars
Sprocket Rims
CATALOG
Mowing, trimming
Engine parts
Workshop
Components
Forestry
Electrical items
Winter items
V-belts / Pulleys
Filters
Toys
Agricultural Parts
Topseller
SERVICE
We search for You
Determine Chain
Your Account
Log in
Register
Settings
DE
EN
FR
ES
IT
PC Version
PORTER CABLE 2 1/2IN FINISH NAILER FN250 Spareparts
Start
PORTER CABLE
Divers
2 1/2IN FINISH NAILER
FN250
Seite 1
FN250 2 1/2IN FINISH NAILER
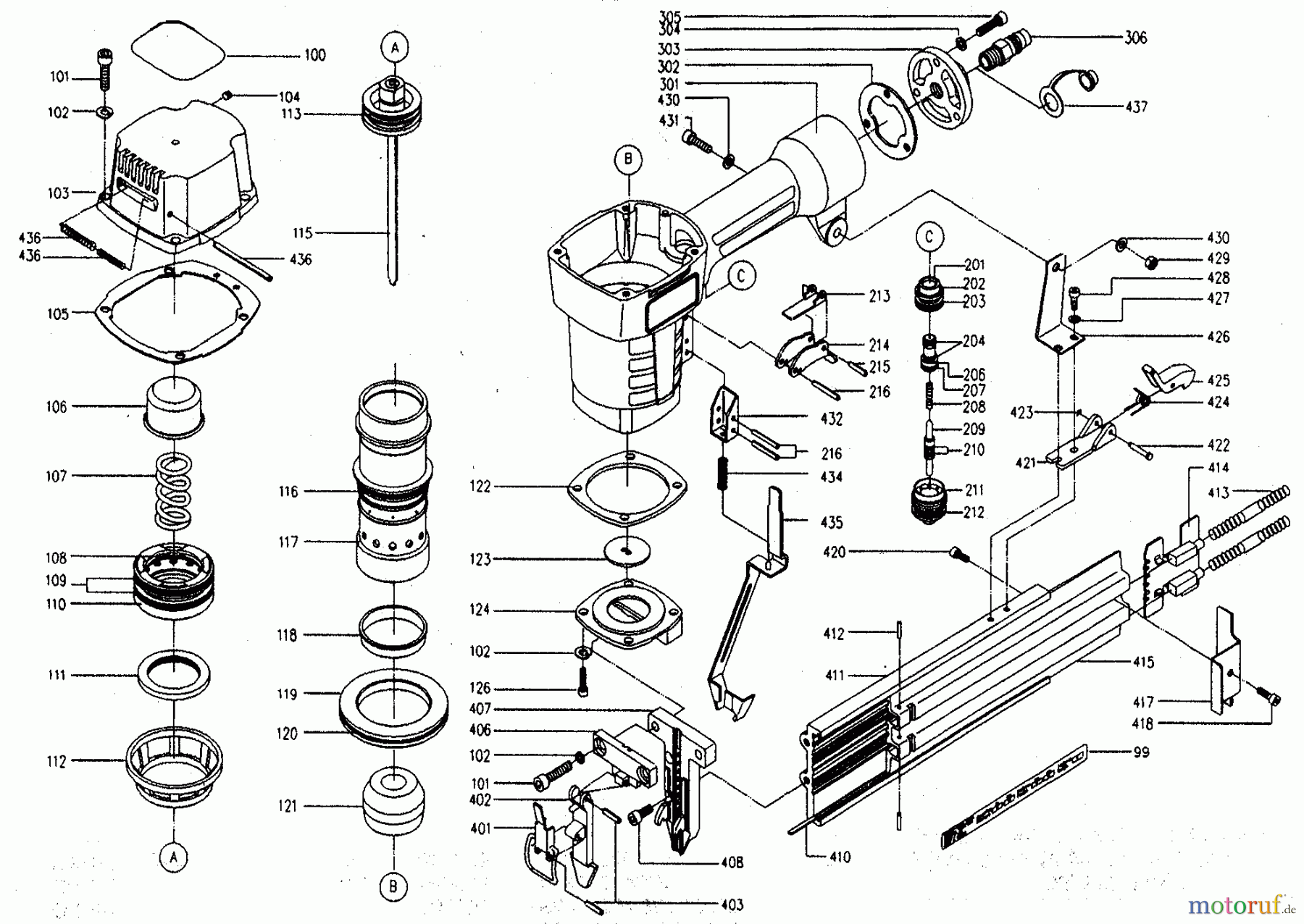
Pos
Article Number
Description
99
SB-000000-00
NO LONGER AVAILABLE
100
SB-883588
WARNING PLATE
101
SB-883909
BOLT
102
SB-883910
LOCK WASHER
103
SB-895702
NUT
104
SB-883912
SET SCREW
105
SB-883913
SEAL
106
SB-883914
SEAL
107
SB-A02165
SPRING - HEAD VALVE
108
SB-883916
O-RING
109
SB-883917
O-RING
110
SB-884536
VALVE PISTON
111
SB-883919
VALVE SEAL
112
SB-883920
CYLINDER PRESS RING
113
SB-883921
O-RING
115
SB-884590
PISTON/DRIV W/O RING
116
SB-883924
O-RING
117
SB-884591
CYLINDER
118
SB-883926
CYL CHECK SEAL
119
SB-883927
CYLINDER SPACER
120
SB-883928
O-RING
121
SB-883929
BUMPER
122
SB-883930
GASKET
123
SB-883931
GUIDE
124
SB-883932
BASE
126
SB-883933
BOLT
201
SB-883934
BREATHER VALVE
202
SB-883831
O-RING
203
SB-883935
O-RING
204
SB-883936
O-RING
206
SB-883937
TRIGGER VALVE
207
SB-883938
O-RING
208
SB-883939
PLUNGER SPRING
209
SB-883940
PLUNGER
210
SB-883848
O-RING
211
SB-883941
TRIGGER CAP
212
SB-883942
O-RING
213
SB-883930
GASKET
214
SB-893930
BOTTOM FIRE TRIGGER
215
SB-883945
PIN
216
SB-883884
ROLLER
301
SB-883947
BODY
302
SB-883948
GASKET
303
SB-883949
INLET CAP
304
SB-883827
SPRING WASHER
305
SB-883826
BOLT
306
SB-883859
PLUG
401
SB-883950
QUIK RELEAS LATCH AS
402
SB-883951
FLANGE
403
SB-883851
ROLLED PIN
406
SB-883953
BRACKET
407
SB-883954
DRIVER GUIDE
408
SB-883955
BOLT
410
SB-883957
WEAR PLATE
411
SB-883958
MAGAZINE
412
SB-883897
ROLLED PIN
413
SB-883959
SPRING
414
SB-883960
PUSHER
415
SB-883961
MAGAZINE COVER
417
SB-883963
REAR PLATE
418
SB-883884
ROLLER
420
SB-884592
BOLT
421
SB-883985
NUT
422
SB-000000-00
NO LONGER AVAILABLE
423
SB-883877
E-RING
424
SB-884593
USE 884586
425
SB-883967
LATCH
426
SB-883968
BRACKET
427
SB-883969
FLAT WASHER
428
SB-883898
BOLT
429
SB-883970
NUT-LOCK
430
SB-883971
WASHER-FLAT
431
SB-884541
SCREW
432
SB-883973
SAFETY GUIDE
434
SB-883974
SAFETY SPRING
435
SB-883975
SAFETY CONTACT
436
SB-884407
MUFFLER
437
SB-884443
PROTECTIVE COVER