.com
Shopping Basket
empty
Your Account
Log in
Register
Home
Contact
About
Guestbook
Shipping Costs
Terms and Privacy
SPAREPARTS
Search by Part Number
Diagrams & Parts Lists
Gardening & Forestry
Industry & Shop
Chainsaw Chains
Guide Bars
Sprocket Rims
CATALOG
Mowing, trimming
Engine parts
Workshop
Components
Forestry
Electrical items
Winter items
V-belts / Pulleys
Filters
Toys
Agricultural Parts
Topseller
SERVICE
We search for You
Determine Chain
DE
EN
FR
ES
IT
Mobile
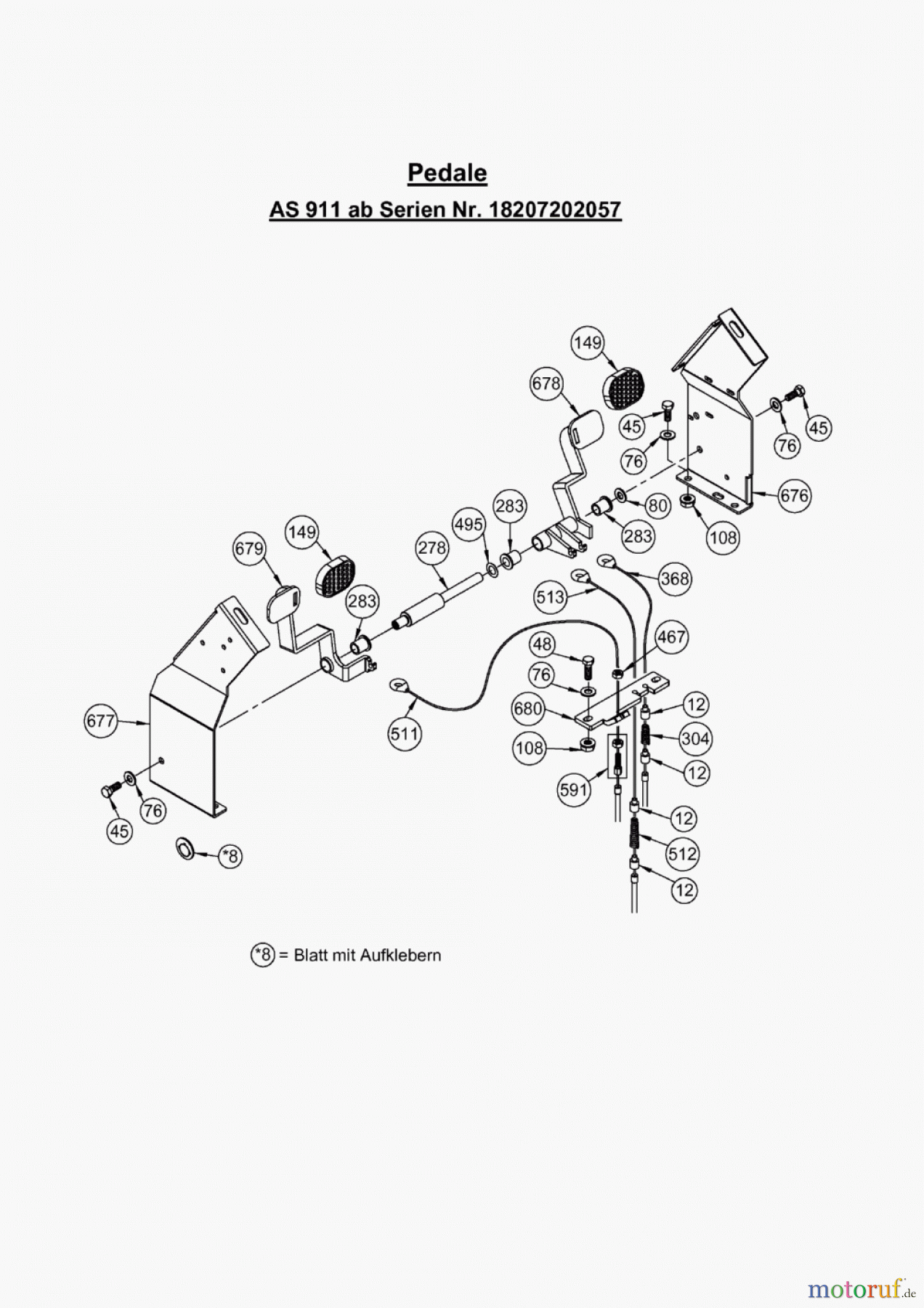
AS-Motor (neu) Aufsitzmäher AS 911, AS 915 Enduro ab FNr. 018208020001 Pedale Spareparts
Start
AS-Motor (neu)
Hochgras
Aufsitzmäher
AS 911, AS 915 Enduro
ab FNr. 018208020001
Pedale
Pedale ab FNr. 018208020001
Pos
Article Number
Description
*8
G06650189
Blatt mit Aufklebern
12
G06650107
Buchse
45
G07838028
6kt- Schraube
48
G07838029
6kt- Schraube
76
G07809004
Scheibe
80
G07812006
Federscheibe
108
G00007042
Sperrzahnmutter
149
G06650137
Pedalbelag
278
G06650232
Achse
283
G06650237
Buchse
304
G06650372
Druckfeder
368
G06650312
Bowdenzug Fahrantriebshebel
467
G07839014
6kt- Mutter
495
G07847047
Passscheibe
511
G06650483
Bowdenzug f.Differentialsperre
512
G06650484
Druckfeder
513
G06650485
Bremszug
591
G06650566
Stellschraube
676
G06650852
Ersetzt durch G06651125
677
G06650851
Pedalhalter links
678
G06650854
Teil nicht mehr lieferbar.
679
G06650853
Differentialpedal
680
G06650855
Bowdenzughalter
Report Error
Help us to improve this site. Notify us if something is wrong here.